PRODUCTS
- 首頁
- 產品介紹
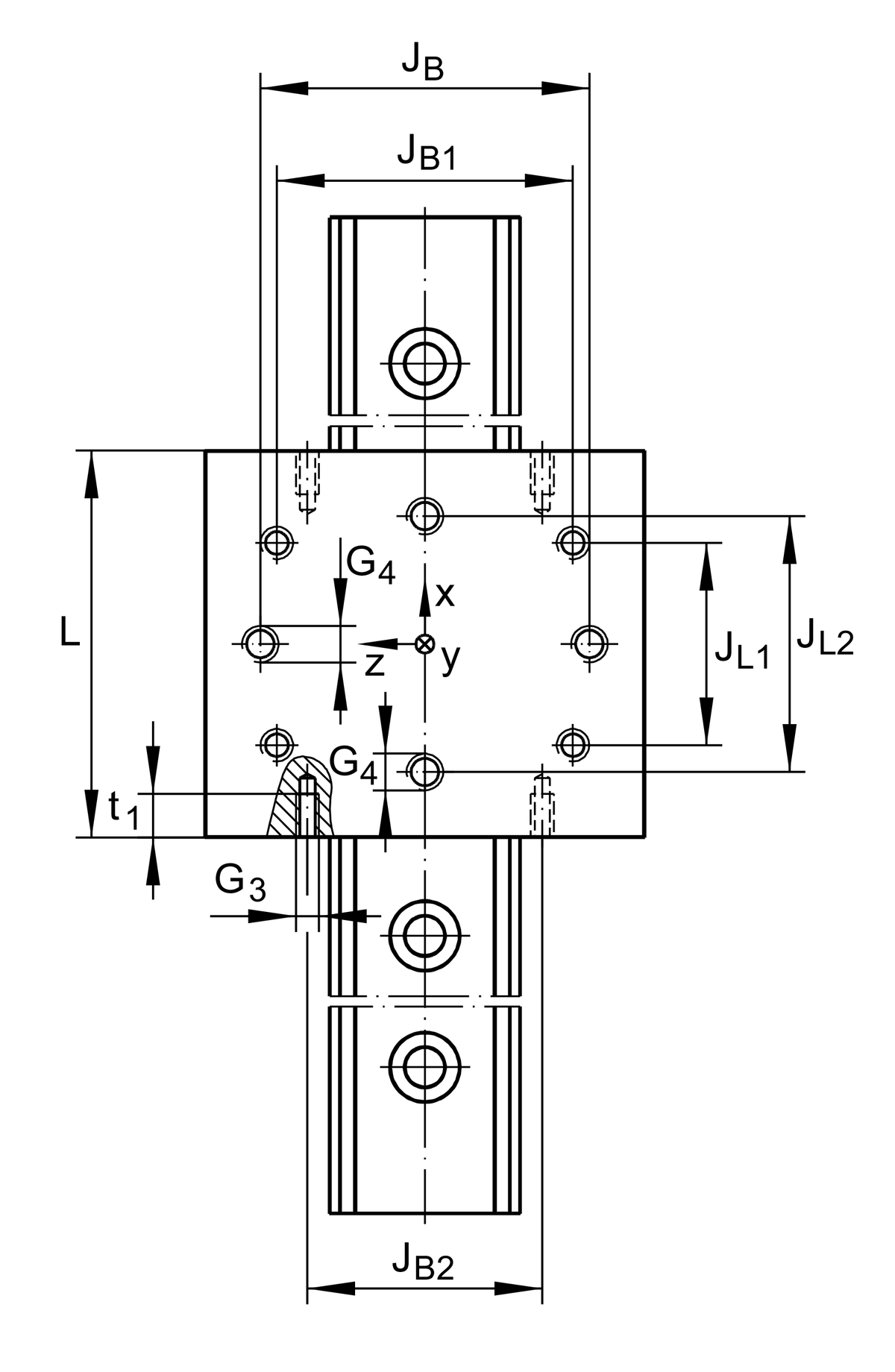
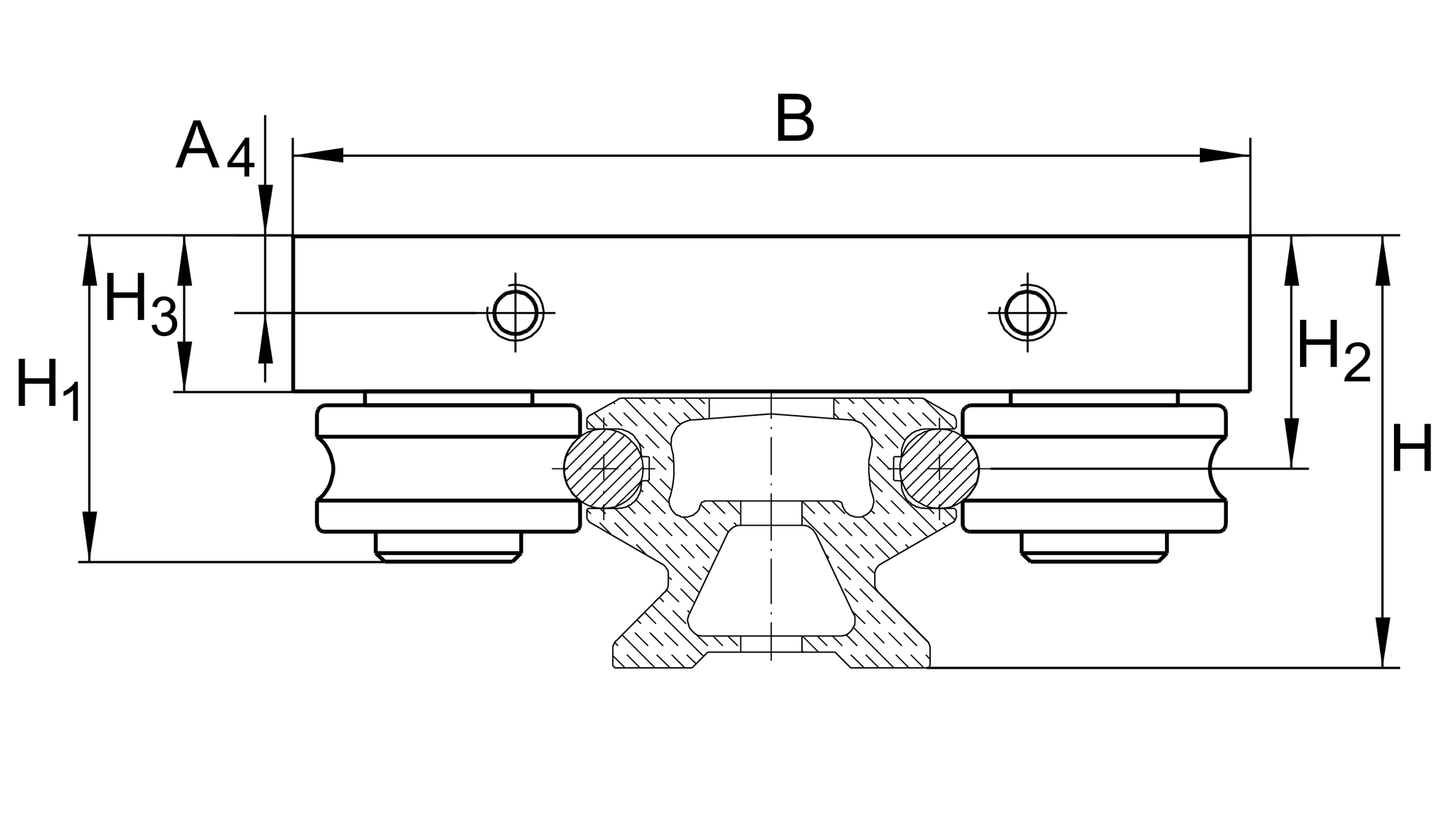
| H1 | 32.5 mm | |
| B | 80 mm | |
| L | 90 mm | |
| ≈m | 0.42 kg | 重量 |
| A4 | 7 mm | |
| G3 | M6 | |
| G4 | M8 | |
| H | 35.5 mm | Total height of carriage and rail at LFS, -C, -CE, -CEE, -E, -EE, -N, -NZZ 1, 2 |
| H | 25.5 mm | Total height of carriage and rail at LFS..-F, -FE 1, 2 |
| H | 81.5 mm | Total height of carriage and rail at LFS..-M 3 |
| H2 | 20.5 mm | |
| H2 Tol | 0.5 | |
| H2 Tol | -0.5 | |
| H3 | 13.75 mm | |
| JB | 59 mm | |
| JB Tol | 0.2 | |
| JB Tol | -0.2 | |
| JB1 | 54 mm | |
| JB2 | 56 mm | |
| JL1 | 60 mm | |
| JL2 | 70 mm | |
| JL2 Tol | 0.2 | |
| JL2 Tol | -0.2 | |
| t1 | 7 mm |
| Cz | 9,000 N | 基本額定動載重 in z-direction 4 |
| C0z | 8,000 N | 基本額定靜載重 in z-direction 4 |
| M0y | 250 Nm | Static moment about Y-axis |
| LFR | LFR22/8-6-2RSR-RNA+IR.LFLL32 | used track roller 5 |
| LFS | LFS32 | Guide rail 6 |
| Size code | 32 | |
| Setting | SF |