PRODUCTS
- 首頁
- 產品介紹
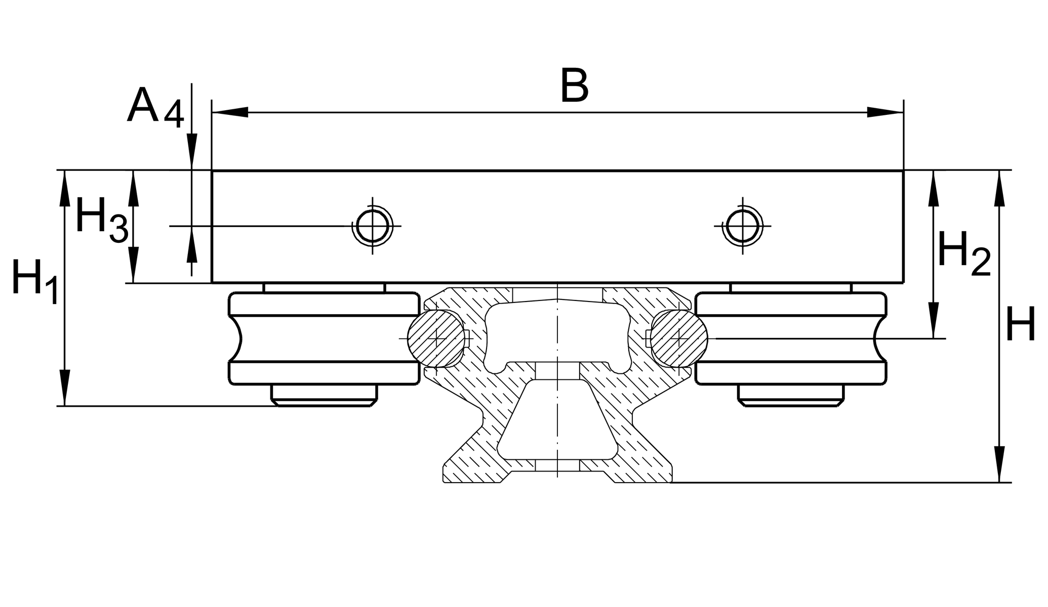
| H1 | 43.2 mm | |
| B | 120 mm | |
| L | 100 mm | |
| ≈m | 1.006 kg | 重量 |
| A4 | 9.75 mm | |
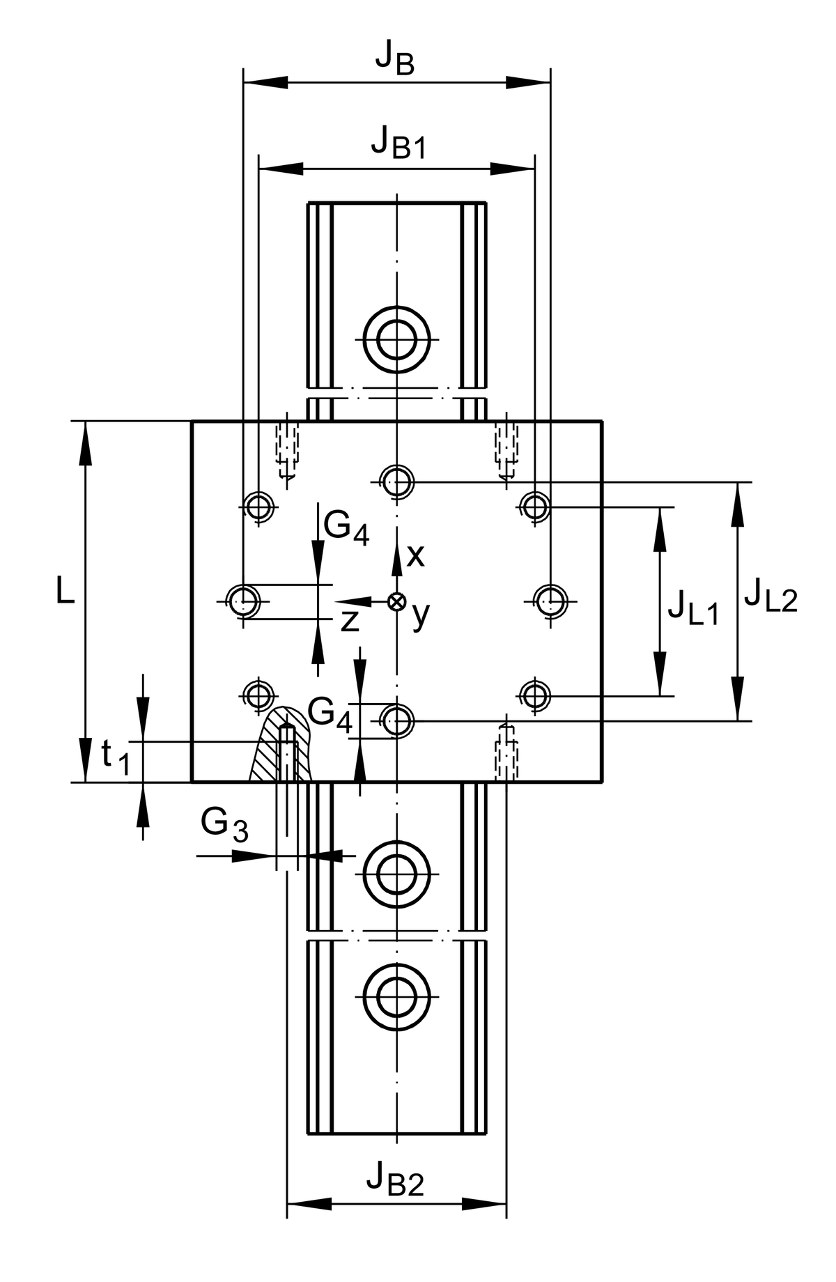
| G3 | M6 | |
| G4 | M10 | |
| H | 54.3 mm | Total height of carriage and rail at LFS, -C, -CE, -CEE, -E, -EE, -N, -NZZ |
| H | 38.2 mm | Total height of carriage and rail at LFS..-F, -FE |
| H | 118.9 mm | Total height of carriage and rail at LFS..-M |
| H2 | 20.5 mm | |
| H2 Tol | 0.3 | |
| H2 Tol | 0 | |
| H3 | 14 mm | |
| JB | 59 mm | |
| JB Tol | 0.2 | |
| JB Tol | -0.2 | |
| JB1 | 54 mm | |
| JB2 | 56 mm | |
| JL1 | 60 mm | |
| JL2 | 70 mm | |
| JL2 Tol | 0.2 | |
| JL2 Tol | -0.2 | |
| t1 | 7 mm |
| MA | 40 Nm | Tightening torque (standard version) 1 |
| MA | 32 Nm | Tightening torque (corrosion-resistant version) 1 |
| Cy | 10,000 N | 基本額定動載重 in y-direction 2 |
| C0y | 5,200 N | 基本額定靜載重 in y-direction 2 |
| Cz | 16,800 N | 基本額定動載重 in z-direction 2 |
| C0z | 10,000 N | 基本額定靜載重 in z-direction 2 |
| M0x | 110 Nm | static moment about X-axis |
| M0y | 290 Nm | Static moment about Y-axis |
| M0z | 150 Nm | Static moment about Z-axis |
| LFR | LFR5201-10-2Z | Used track roller 3 |
| LFS | LFS52 | Guide rail 4 |
| Size code | 52 | |
| Setting | SF | clearance-free |