PRODUCTS
- 首頁
- 產品介紹
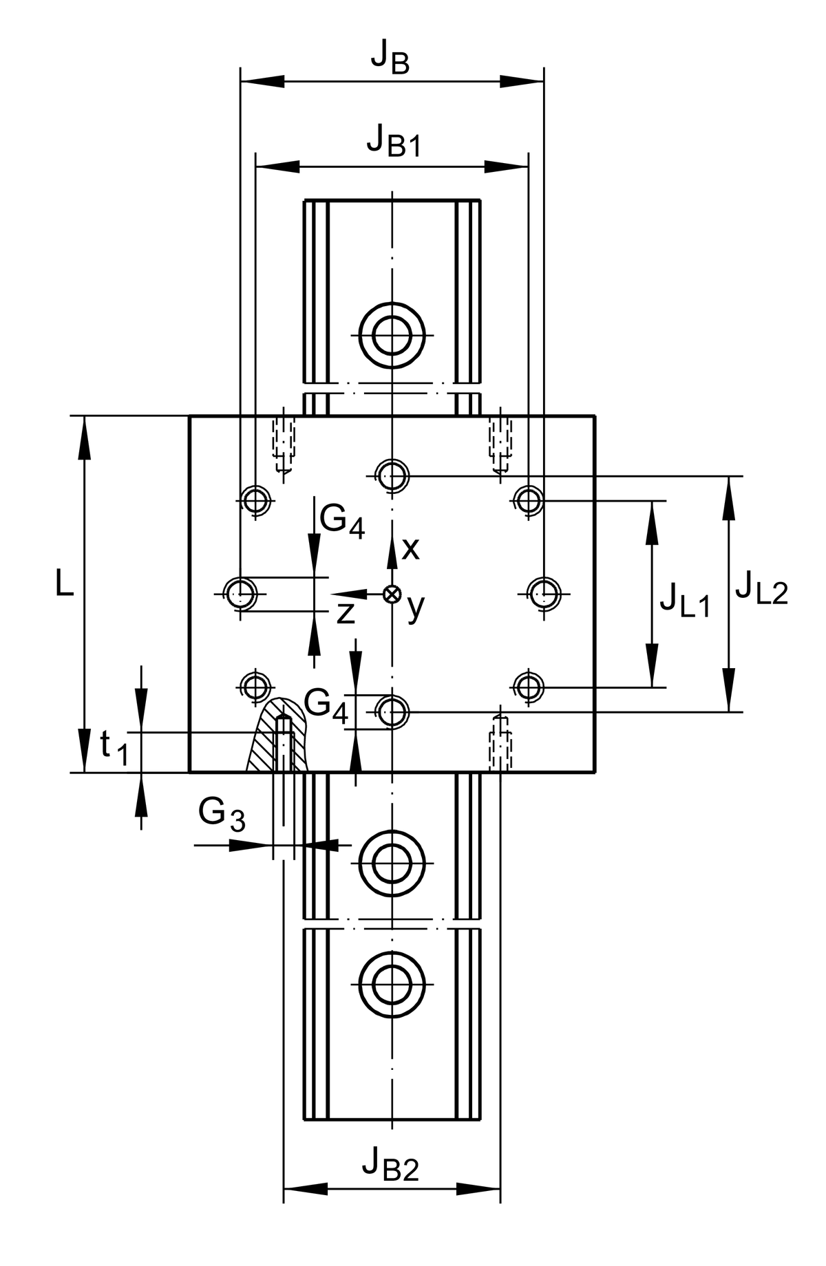
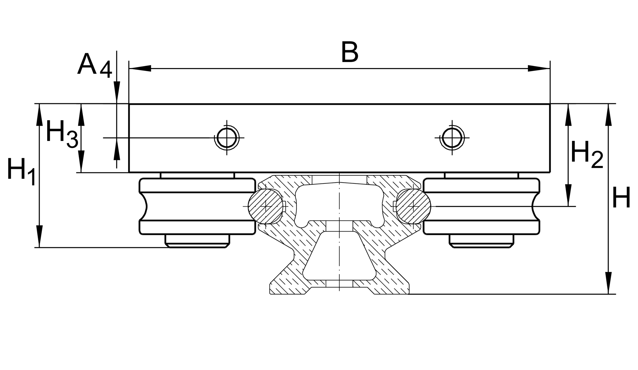
| H1 | 45 mm | |
| B | 120 mm | |
| L | 100 mm | |
| ≈m | 1.05 kg | 重量 |
| A4 | 9.75 mm | |
| G3 | M6 | |
| G4 | M10 | |
| H | 54.3 mm | Total height of carriage and rail at LFS, -C, -CE, -CEE, -E, -EE, -N, -NZZ 1, 2 |
| H | 38.2 mm | Total height of carriage and rail at LFS..-F, -FE 1, 2 |
| H | 118.9 mm | Total height of carriage and rail at LFS..-M 3 |
| H2 | 29.2 mm | |
| H2 Tol | 1 | |
| H2 Tol | -1 | |
| H3 | 19.5 mm | |
| JB | 90 mm | |
| JB Tol | 0.2 | |
| JB Tol | -0.2 | |
| JB1 | 83 mm | |
| JB2 | 65 mm | |
| JL1 | 60 mm | |
| JL2 | 70 mm | |
| JL2 Tol | 0.2 | |
| JL2 Tol | -0.2 | |
| t1 | 12 mm |
| Cz | 17,000 N | 基本額定動載重 in z-direction 4 |
| C0z | 19,000 N | 基本額定靜載重 in z-direction 4 |
| M0y | 550 Nm | Static moment about Y-axis |
| LFR | LFR2202-10-2RSR-RNA+IR.LFLL52 | used track roller 5 |
| LFS | LFS52 | Guide rail 6 |
| Size code | 52 | |
| Setting | SF |