PRODUCTS
- 首頁
- 產品介紹
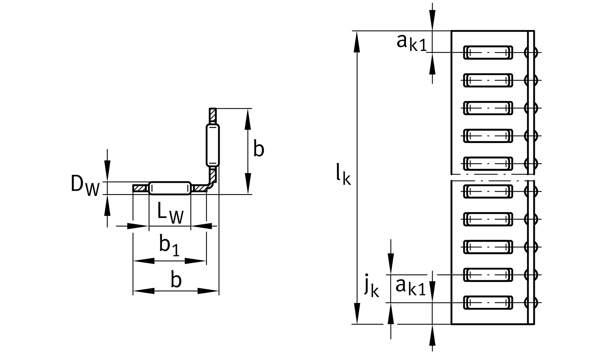
| lk max | 4,000 mm | Max. length 1 |
| DW | 3 mm | Rolling element diameter |
| b | 25 mm | |
| C | 62,900 N | Load capacity dyn. 2 |
| C0 | 209,400 N | Load capacity stat. 2 |
| ≈m | 408 g/m | 重量 |
| LW | 13.8 mm | Length rolling element |
| b1 | 19 mm | |
| jk | 6 mm | |
| ak1 | 4.5 mm |
M7040, V7040, ML8040, ML9040 | Associated rail |
| Size code | 25 |