PRODUCTS
- 首頁
- 產品介紹
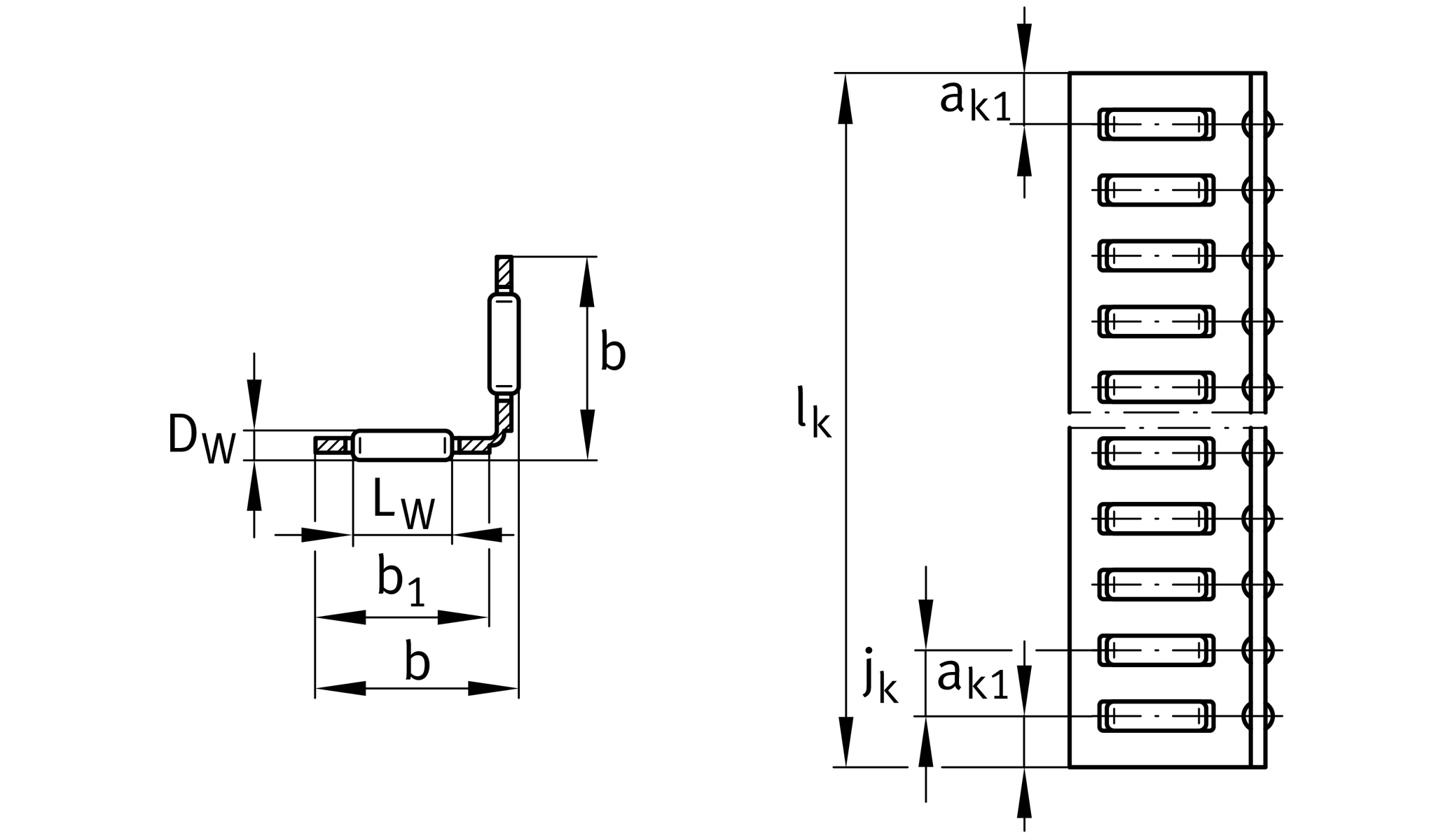
| lk max | 4,000 mm | Max. length 1 |
| DW | 3.5 mm | Rolling element diameter |
| b | 30 mm | |
| C | 82,700 N | Load capacity dyn. 2 |
| C0 | 268,700 N | Load capacity stat. 2 |
| ≈m | 598 g/m | 重量 |
| LW | 17.8 mm | Length rolling element |
| b1 | 24 mm | |
| jk | 7 mm | |
| ak1 | 5 mm |
M8050, V8050, ML9050, ML10050 | Associated rail |
| Size code | 30 |