PRODUCTS
- 首頁
- 產品介紹
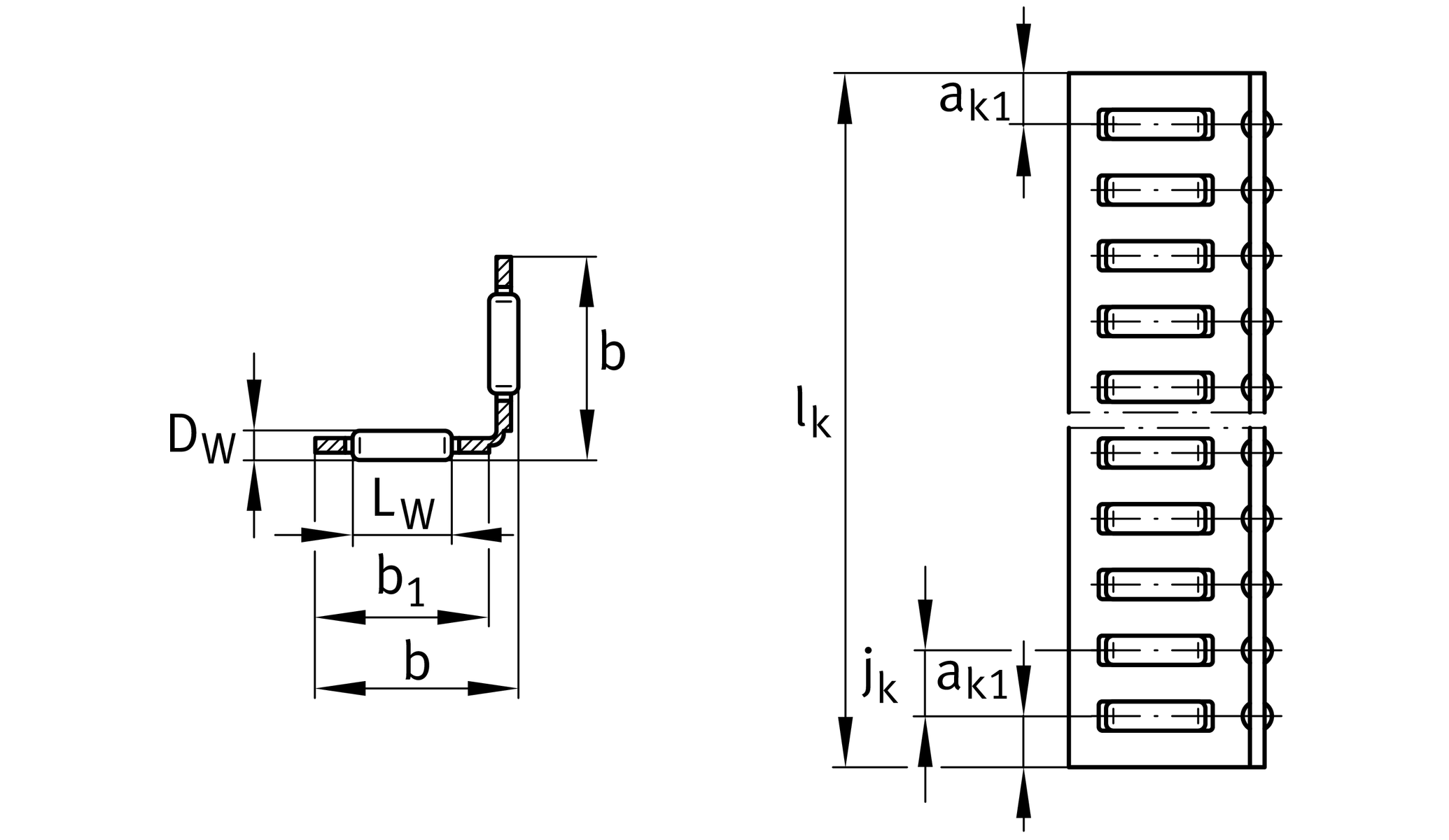
| lk max | 4,000 mm | Max. length 1 |
| DW | 2.5 mm | Rolling element diameter |
| b | 20 mm | |
| C | 40,300 N | Load capacity dyn. 2 |
| C0 | 133,500 N | Load capacity stat. 2 |
| ≈m | 239 g/m | 重量 |
| LW | 9.8 mm | Length rolling element |
| b1 | 14.3 mm | |
| jk | 5.5 mm | |
| ak1 | 4 mm |
M6035, V6035, ML7035, ML8035 | Associated rail |
| Size code | 20 |