PRODUCTS
- 首頁
- 產品介紹
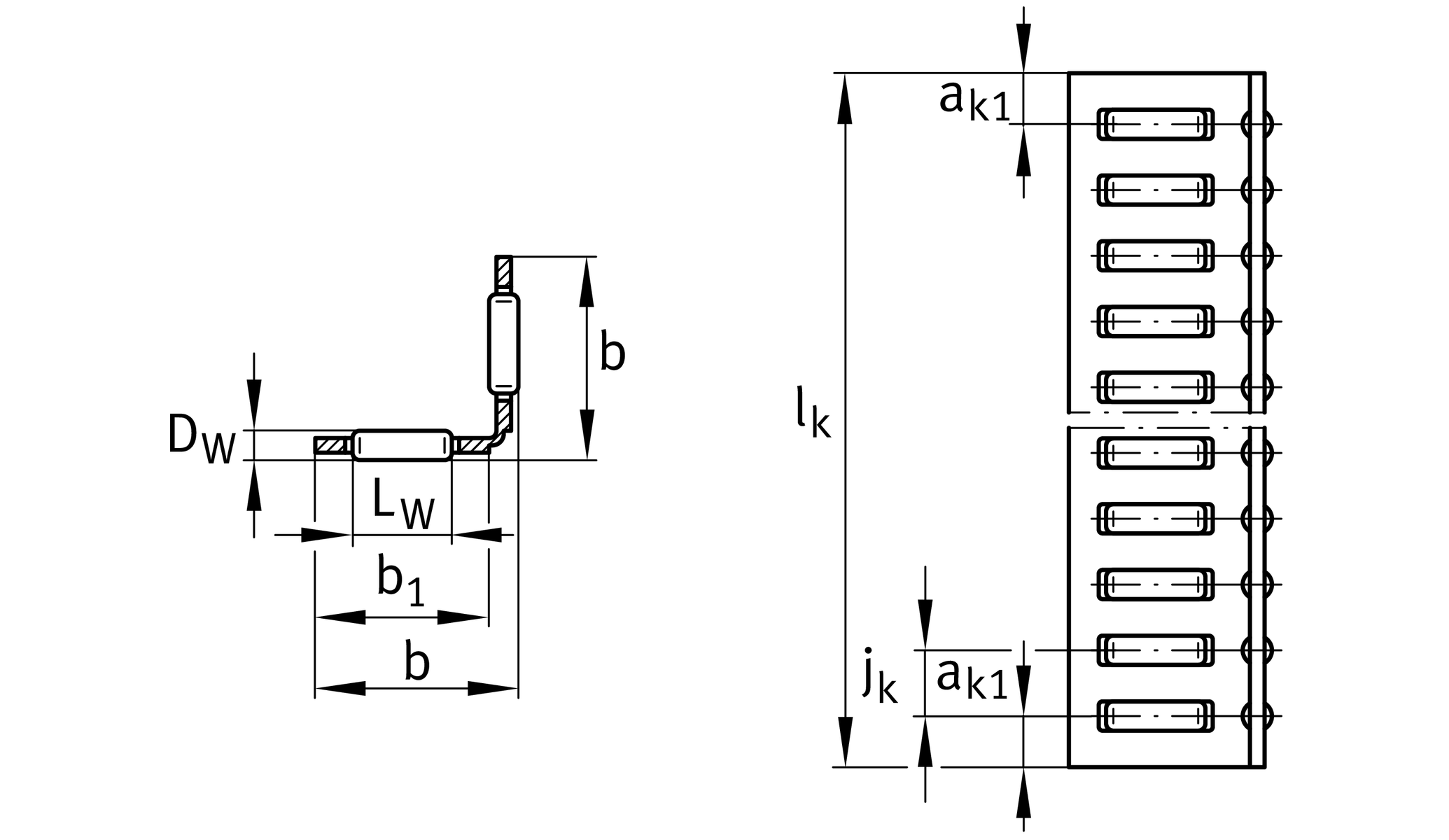
| lk max | 4,000 mm | Max. length 1 |
| DW | 2 mm | Rolling element diameter |
| b | 16 mm | |
| C | 36,900 N | Load capacity dyn. 2 |
| C0 | 138,100 N | Load capacity stat. 2 |
| ≈m | 190 g/m | 重量 |
| LW | 8.8 mm | Length rolling element |
| b1 | 13.5 mm | |
| jk | 3.8 mm | |
| ak1 | 2.8 mm |
M5025, V5025, ML5525 - ML7025 | Associated rail |
| Size code | 16 |