PRODUCTS
- 首頁
- 產品介紹
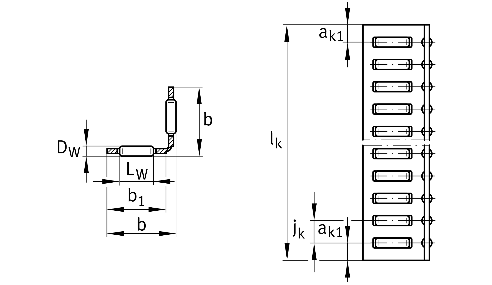
| lk max | 4,000 mm | Max. length 1 |
| DW | 2 mm | Rolling element diameter |
| b | 14 mm | |
| C | 26,200 N | Load capacity dyn. 2 |
| C0 | 88,900 N | Load capacity stat. 2 |
| ≈m | 138 g/m | 重量 |
| LW | 6.8 mm | Length rolling element |
| b1 | 10.5 mm | |
| jk | 4.5 mm | |
| ak1 | 3.5 mm |
M4020, V4020, ML5020, ML5520, M5025, V5025, ML5525 - ML7025 | Associated rail |
| Size code | 15 |