加入詢價
主要尺寸與性能資料
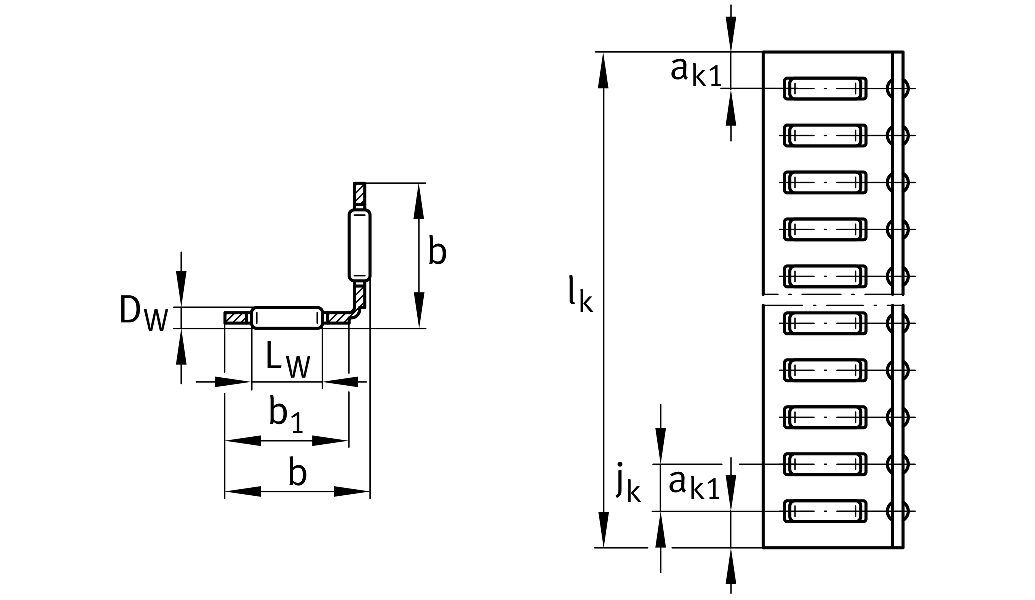
| lk max | 3,500 mm | Max. length 1 |
| DW | 2 mm | Rolling element diameter |
| b | 10 mm | |
| C | 21,400 N | Load capacity dyn. 2 |
| C0 | 68,700 N | Load capacity stat. 2 |
| ≈m | 219 g/m | 重量 |
尺寸
| LW | 4.8 mm | Length rolling element |
| b1 | 8 mm | |
| jk | 4 mm | |
| ak1 | 3 mm | |
Related products
| M3015, V3015 | Associated rail |
加入詢價