INA
HRW70
Flat cage HRW70
加入詢價
主要尺寸與性能資料
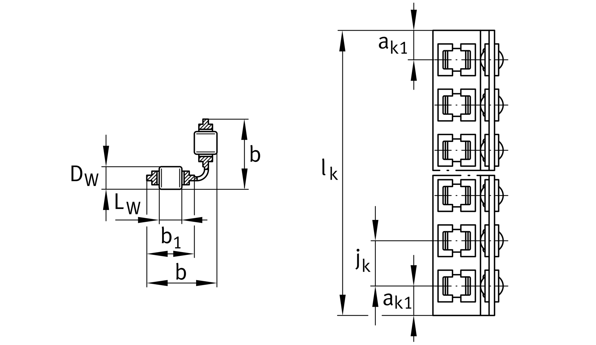
| lk max | 4,000 mm | Max. length 1 |
| DW | 7 mm | Rolling element diameter |
| b | 25 mm | |
| C | 79,700 N | Load capacity dyn. 2 |
| C0 | 161,500 N | Load capacity stat. 2 |
| ≈m | 602 g/m | 重量 |
尺寸
| LW | 10 mm | Length rolling element |
| b1 | 17 mm | |
| jk | 13 mm | |
| ak1 | 8.5 mm | |
Related products
| M6535, V6535 | Associated rail |
加入詢價