INA
HRW50
Flat cage HRW50
加入詢價
主要尺寸與性能資料
| lk max | 4,000 mm | Max. length 1 |
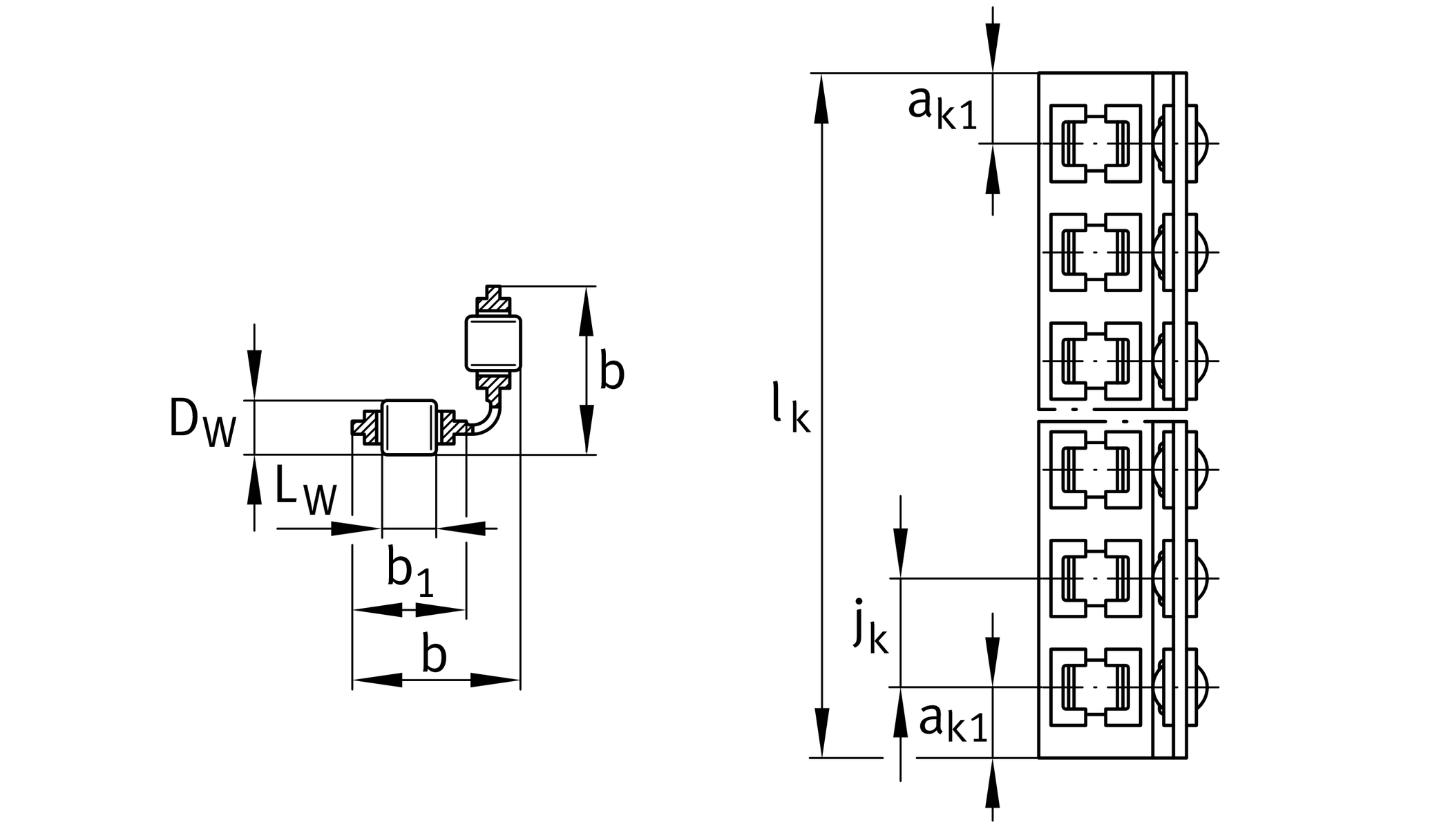
| DW | 5 mm | Rolling element diameter |
| b | 15.5 mm | |
| C | 35,700 N | Load capacity dyn. 2 |
| C0 | 71,900 N | Load capacity stat. 2 |
| ≈m | 215 g/m | 重量 |
尺寸
| LW | 5 mm | Length rolling element |
| b1 | 10.5 mm | |
| jk | 10 mm | |
| ak1 | 6.5 mm | |
Related products
| M4525, V4525 | Associated rail |
加入詢價