INA
HRW100
Flat cage HRW100
加入詢價
主要尺寸與性能資料
| lk max | 4,000 mm | Max. length 1 |
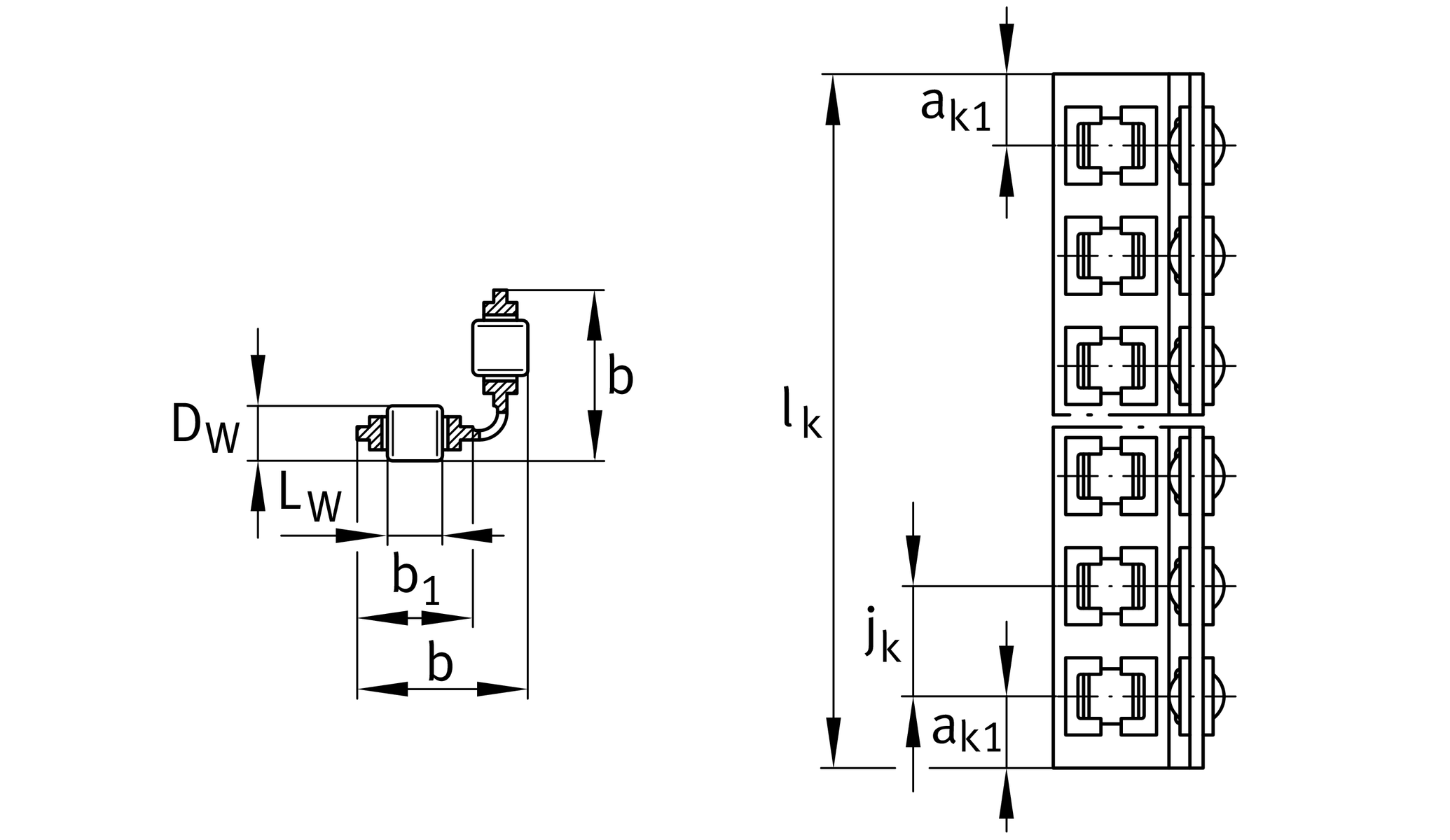
| DW | 10 mm | Rolling element diameter |
| b | 34 mm | |
| C | 133,200 N | Load capacity dyn. 2 |
| C0 | 246,300 N | Load capacity stat. 2 |
| ≈m | 1,233 g/m | 重量 |
尺寸
| LW | 14 mm | Length rolling element |
| b1 | 24 mm | |
| jk | 17 mm | |
| ak1 | 10 mm | |
Related products
| M8550, V8550 | Associated rail |
加入詢價