PRODUCTS
- 首頁
- 產品介紹
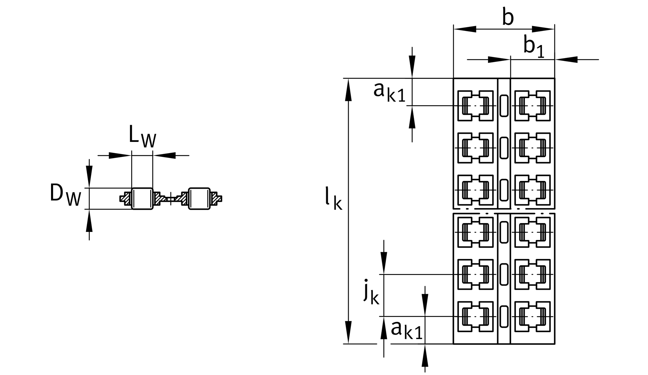
| lk max | 4,000 mm | Max. length 1 |
| DW | 5 mm | Rolling element diameter |
| b | 24 mm | |
| C | 50,500 N | Load capacity dyn. 2 |
| C0 | 101,600 N | Load capacity stat. 2 |
| ≈m | 215 g/m | 重量 |
| LW | 5 mm | Length rolling element |
| b1 | 10.5 mm | |
| jk | 10 mm | |
| ak1 | 6.5 mm |
| EB | 24.4 mm | |
| Tol EB | +0,2 | Tolerance |
| EB1 | 19.5 mm | min. |
| EH | 3.4 mm |
| Size code | 50 | |
| Number of rolling element rows | ZW | 雙列設計 |