加入詢價
主要尺寸與性能資料
| lk max | 4,000 mm | Max. length 1 |
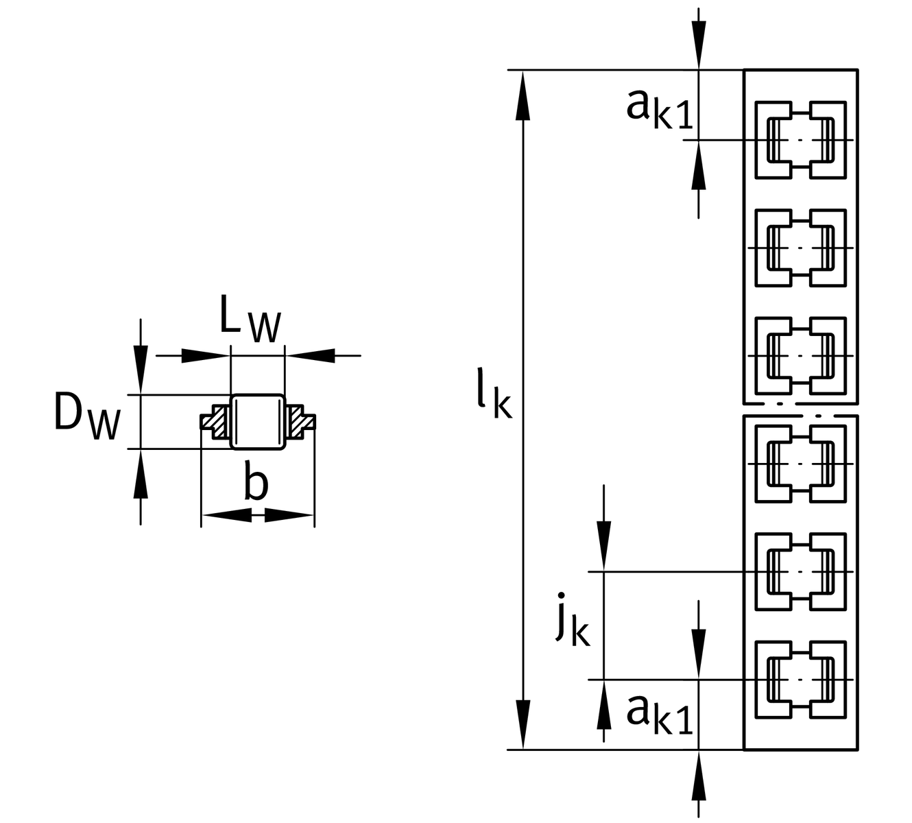
| DW | 7 mm | Rolling element diameter |
| b | 17 mm | |
| C | 69,800 N | Load capacity dyn. 2 |
| C0 | 114,200 N | Load capacity stat. 2 |
| ≈m | 295 g/m | 重量 |
尺寸
| LW | 10 mm | Length rolling element |
| jk | 13 mm | |
| ak1 | 8.5 mm | |
安裝尺寸
| EB | 17.4 mm | |
| Tol EB | +0,2 | Tolerance |
| EB1 | 10 mm | min. |
| EH | 4.8 mm | |
加入詢價