PRODUCTS
- 首頁
- 產品介紹
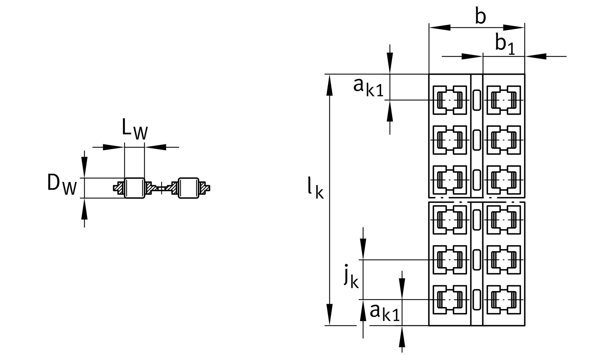
| lk max | 4,000 mm | Max. length 1 |
| DW | 10 mm | Rolling element diameter |
| b | 55 mm | |
| C | 188,400 N | Load capacity dyn. 2 |
| C0 | 348,300 N | Load capacity stat. 2 |
| ≈m | 1,233 g | 重量 |
| LW | 14 mm | Length rolling element |
| b1 | 24 mm | |
| jk | 17 mm | |
| ak1 | 10 mm |
| EB | 55.5 mm | |
| Tol EB | +0,2 | Tolerance |
| EB1 | 46 mm | min. |
| EH | 6.5 mm |
| Size code | 100 | |
| Number of rolling element rows | ZW | 雙列設計 |