PRODUCTS
- 首頁
- 產品介紹
| lk max | 4,000 mm | Max. length 1 |
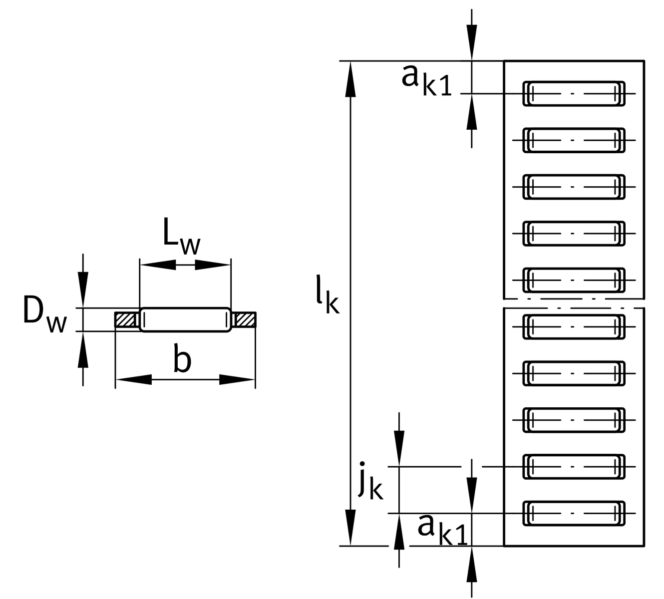
| DW | 2 mm | Rolling element diameter |
| b | 10 mm | |
| C | 21,600 N | Load capacity dyn. 2 |
| C0 | 62,800 N | Load capacity stat. 2 |
| ≈m | 63 g/m | 重量 |
| EB | 10.3 mm | |
| Tol EB | +0,2 | tolerance |
| EB1 | 7 mm | min. |
| EH | 1.7 mm |
| LW | 6.8 mm | Length rolling element |
| jk | 4.5 mm | |
| ak1 | 3.5 mm |
J3525, S3525 | Associated rail |
| Size code | 10 |