PRODUCTS
- 首頁
- 產品介紹
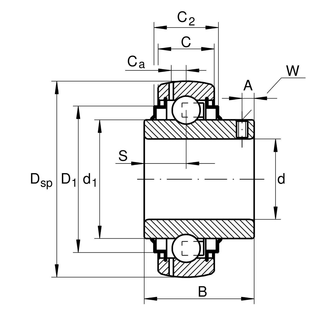
| d | 90 mm | 內徑 |
| DSP | 160 mm | 外徑 |
| B | 96 mm | 寬度 |
| Cur | 2,700 N | 疲勞負載極限,徑向 |
| Cr | 106,000 N | 基本額定動載荷,徑向 |
| C0r | 72,000 N | 基本額定靜態負荷,徑向 |
| ≈m | 3.73 kg | 重量 |
| C | 32 mm | 外圈寬度 |
| C2 | 35.5 mm | 封口總寬度 |
| S | 39.7 mm | 滾道距離 |
| d1 | 109.4 mm | 內圈擋邊直徑 |
| D1 | 138 mm | 外徑密封 |
| Ca | 10 mm | 至潤滑孔距離 |
| A | 12 mm | Distance thread |
| W | 6 mm | 平面寬度 |
| f0 | 14.6 | 計算參數 |
| Sealing | KRR | 兩側唇形密封 |
| Shape of outer surface | B |