PRODUCTS
- 首頁
- 產品介紹
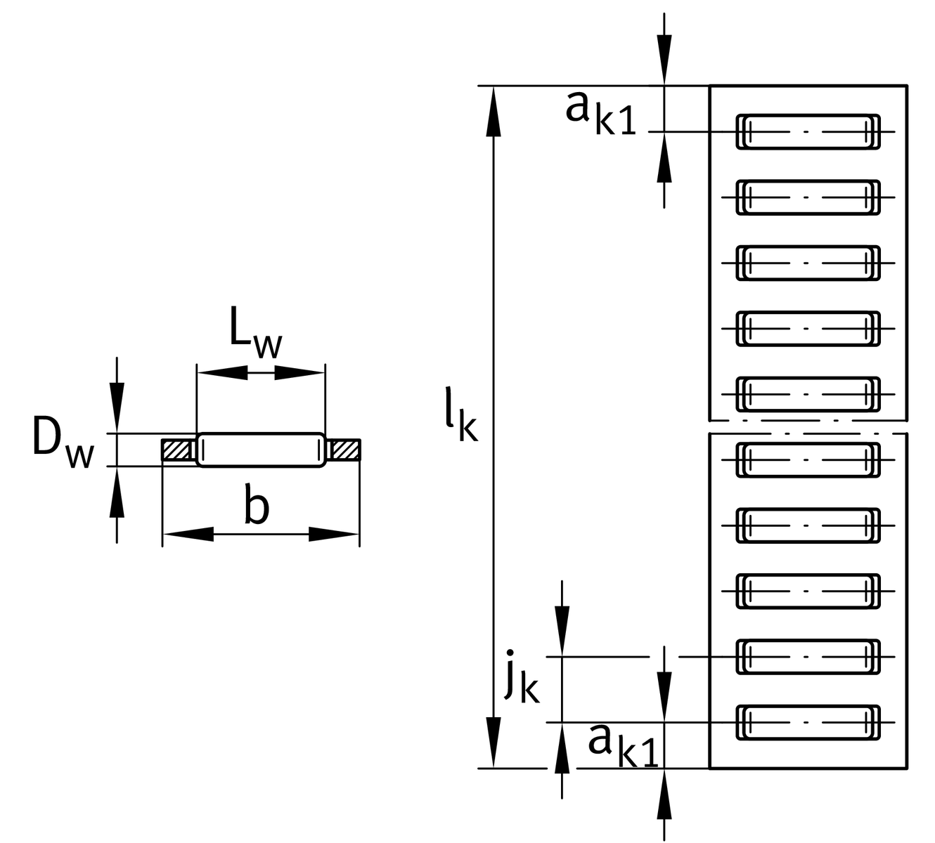
| lk max | 4,000 mm | Max. length 1 |
| DW | 2.5 mm | Rolling element diameter |
| b | 15 mm | |
| C | 35,800 N | Load capacity dyn. 2 |
| C0 | 103,800 N | Load capacity stat. 2 |
| ≈m | 120 g/m | 重量 |
| EB | 15.3 mm | |
| Tol EB | +0,2 | tolerance |
| EB1 | 10 mm | min. |
| EH | 2.2 mm |
| LW | 9.8 mm | Length rolling element |
| jk | 5 mm | |
| ak1 | 3.5 mm |
J4025, S4025, J5025, S5025 | Associated rail |
| Size code | 15 |