PRODUCTS
- 首頁
- 產品介紹
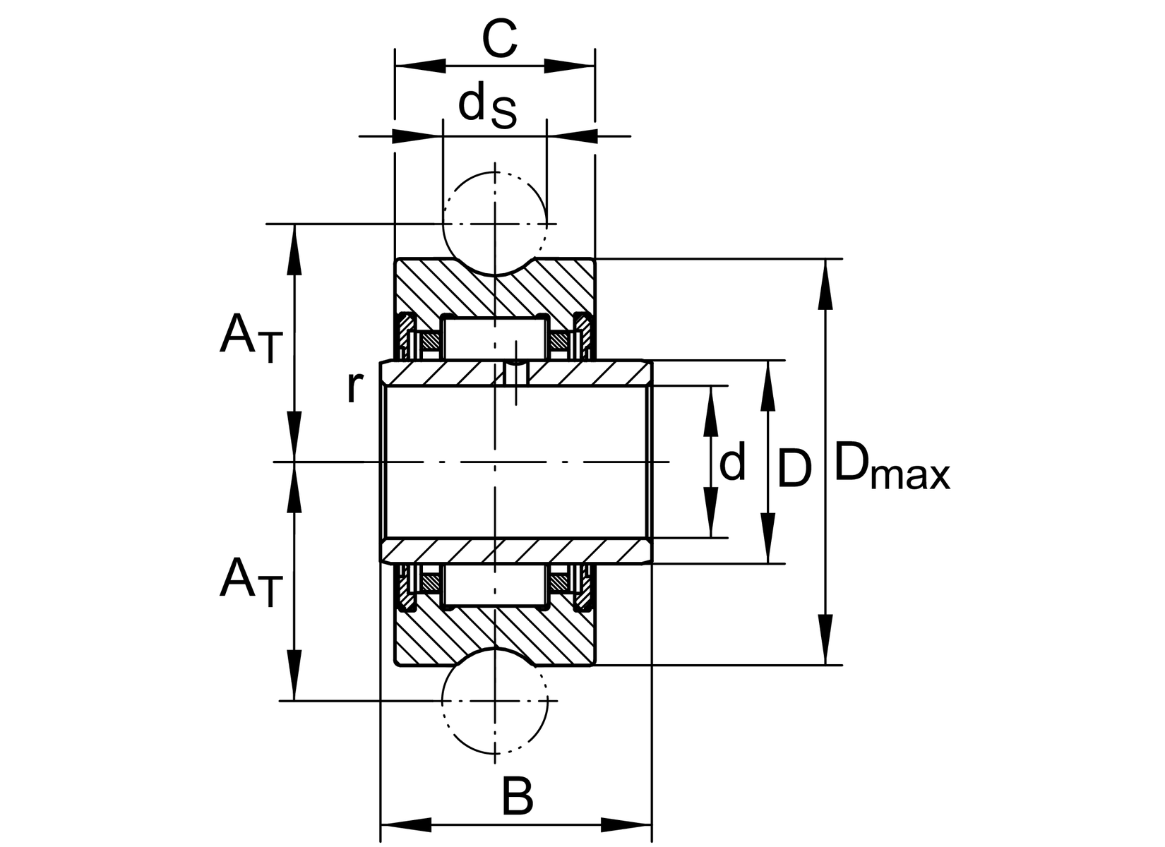
| d | 8 mm | |
| Dmax | 24 mm | |
| B | 14 mm | |
| BTol | 0 | |
| BTol | -0.12 | |
| ≈m | 30.02 g | 重量 |
| AT | 14 mm | |
| C | 11.8 mm | |
| D | 12 mm | |
| ds | 6 mm | |
| rmin | 0.3 mm |
| Cr w | 4,000 N | Effective dynamic load rating as track roller (radial) |
| C0r w | 4,300 N | Effective static load rating as track roller (radial) |
| Cur w | 630 N | Limit of fatigue load |
| Size code | 22/8 | |
| Seal | 2RSR | double-sided sliding seal |
| Code | NA | with inner ring |
| Inner ring | IR8X12X14 |