PRODUCTS
- 首頁
- 產品介紹
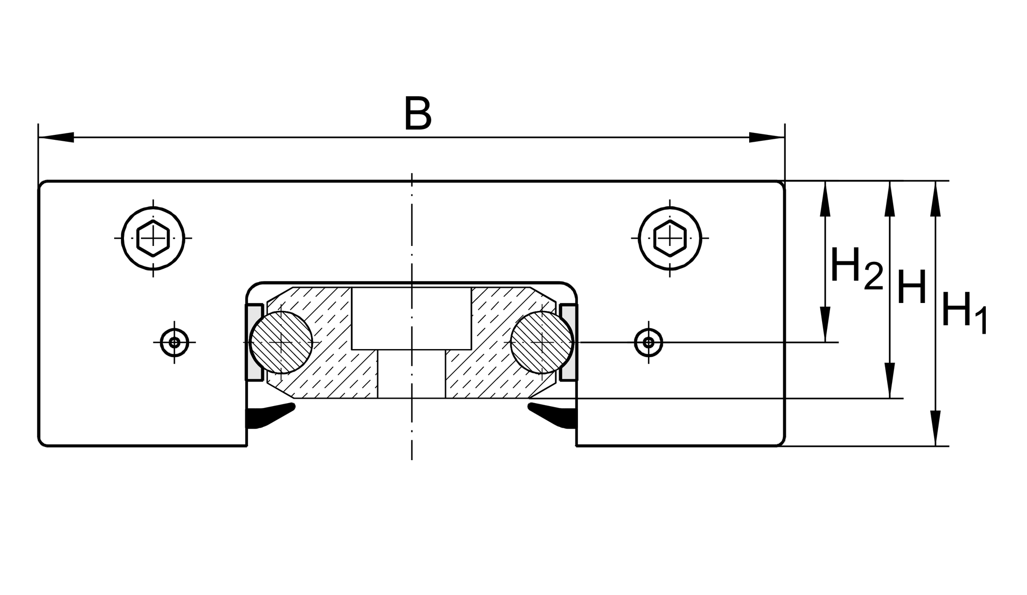
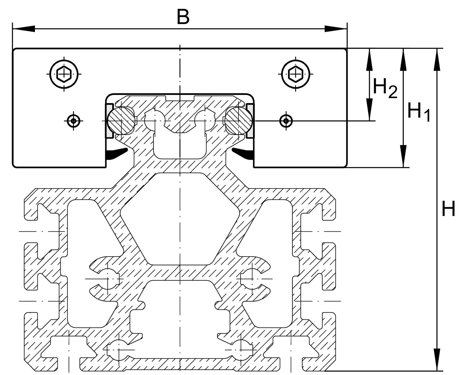
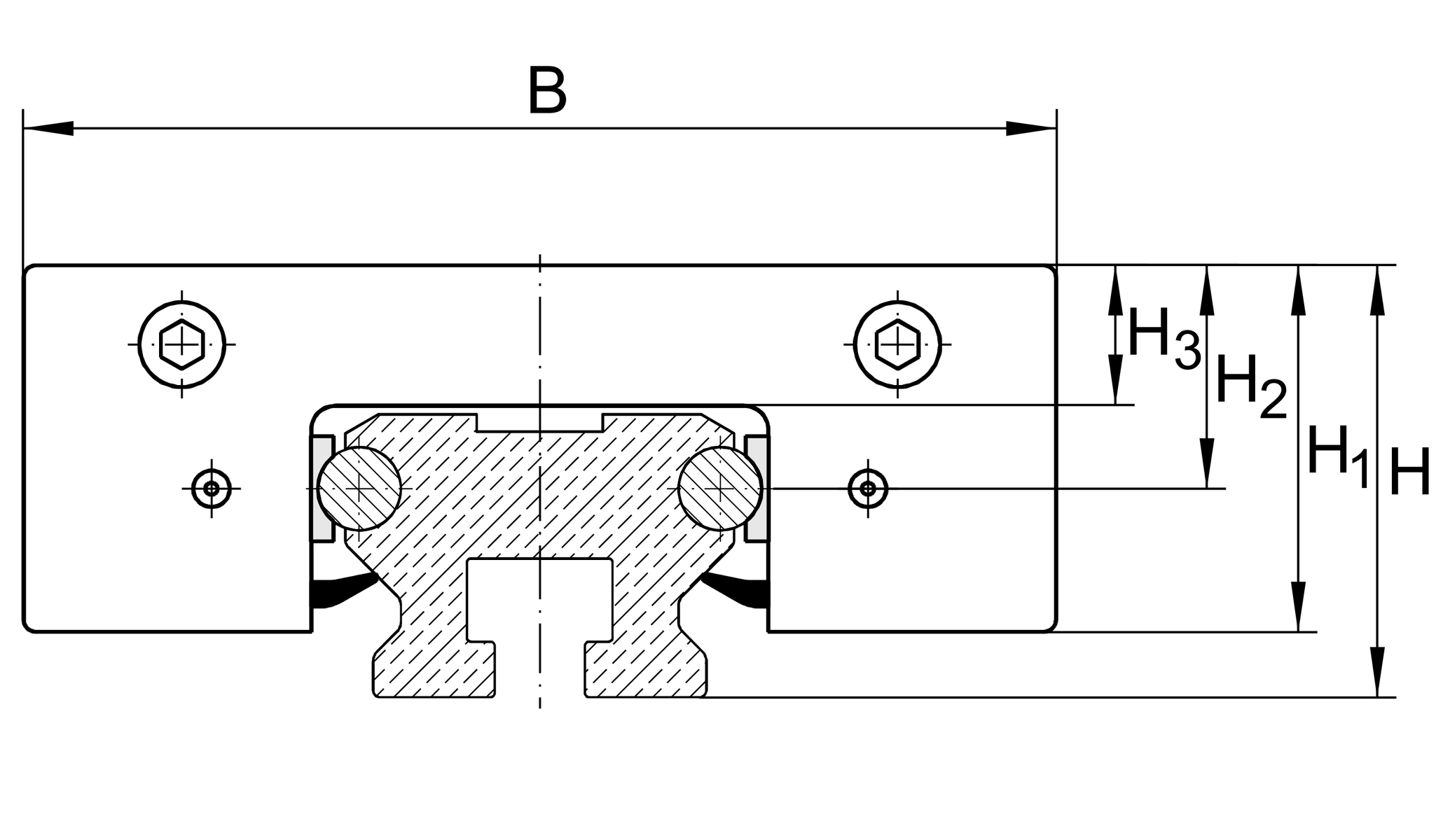
| H1 | 46 mm | |
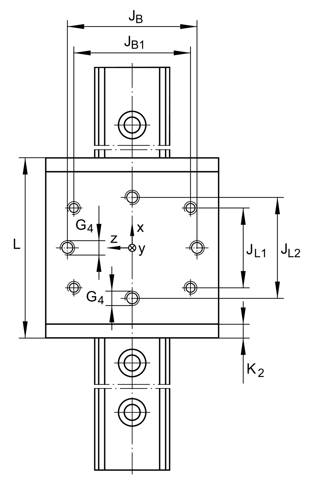
| B | 130 mm | |
| L | 136 mm | |
| ≈m | 1.45 kg | 重量 |
| G4 | M10 | |
| H | 54.3 mm | Total height of carriage and rail at LFS, -C, -CE, -CEE, -E, -EE, -N, -NZZ |
| H | 38.2 mm | Total height of carriage and rail at LFS..-F, -FE |
| H | 118.9 mm | Total height of carriage and rail at LFS..-M 1 |
| H2 | 29.2 mm | |
| H2 Tol | 0.3 | |
| H2 Tol | 0 | |
| H3 | 19.4 mm | |
| JB | 90 mm | |
| JB Tol | 0.2 | |
| JB Tol | -0.2 | |
| JB1 | 83 mm | |
| JL1 | 60 mm | |
| JL2 | 70 mm | |
| JL2 Tol | 0.2 | |
| JL2 Tol | -0.2 | |
| K2 | 10 mm |
| MA | 40 Nm | Tightening torque (standard version) |
| MA | 23 Nm | Tightening torque (corrosion-resistant version) 2 |
| Cy | 10,000 N | 基本額定動載重 in y-direction 3 |
| C0y | 5,200 N | 基本額定靜載重 in y-direction 3 |
| Cz | 16,800 N | 基本額定動載重 in z-direction 3 |
| C0z | 10,000 N | 基本額定靜載重 in z-direction 3 |
| M0x | 110 Nm | static moment about X-axis |
| M0y | 290 Nm | Static moment about Y-axis |
| M0z | 150 Nm | Static moment about Z-axis |
| LFR | LFR5201-10-2Z | used track roller 4 |
| LFS | LFS52 | Guide rail 5 |
| Size code | 52 | |
| Setting | SF | clearance-free |