PRODUCTS
- 首頁
- 產品介紹
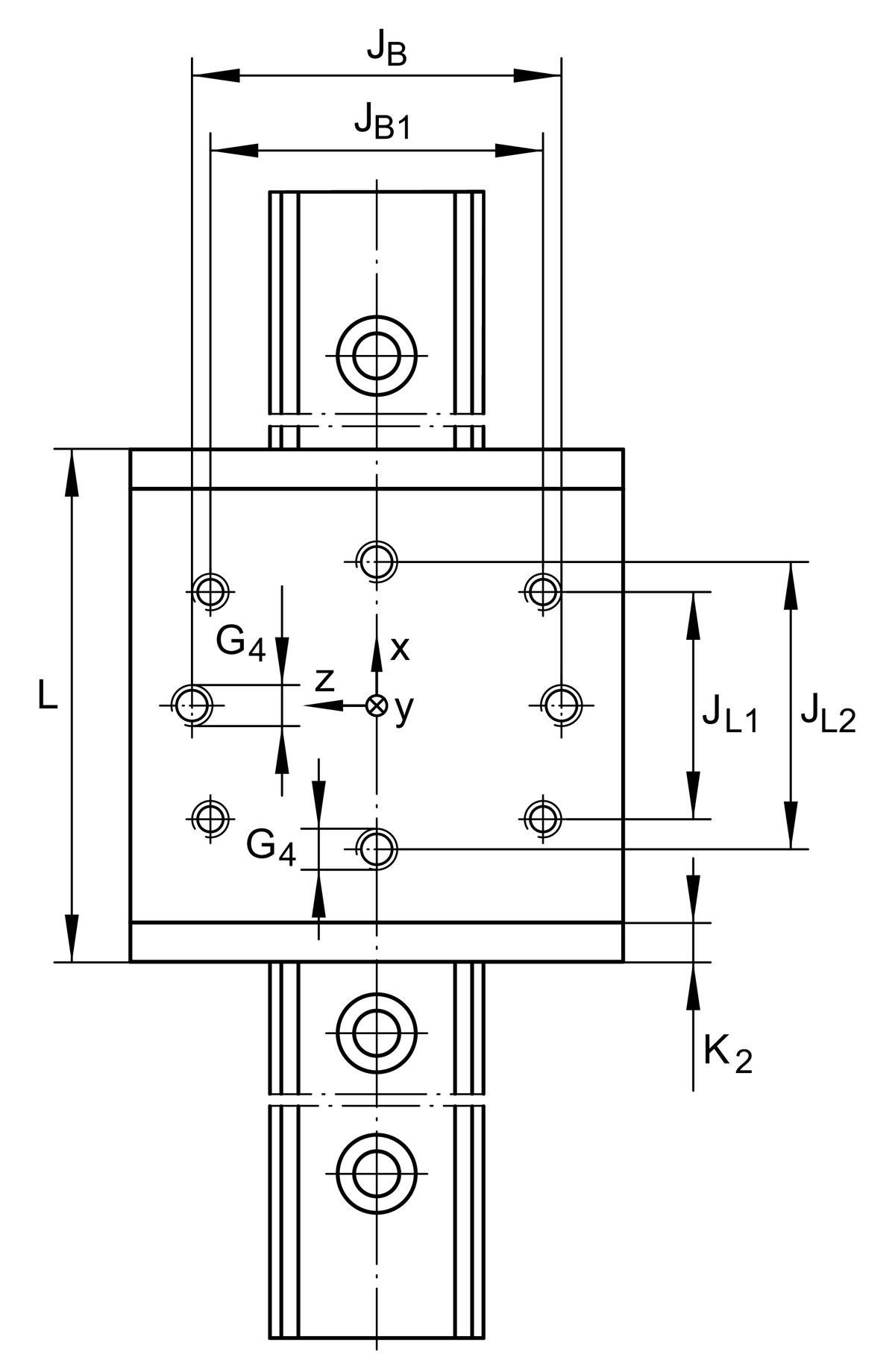
| H1 | 53.8 mm | |
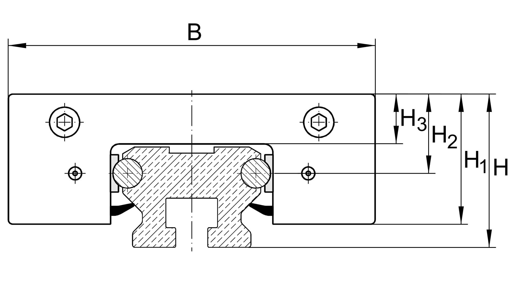
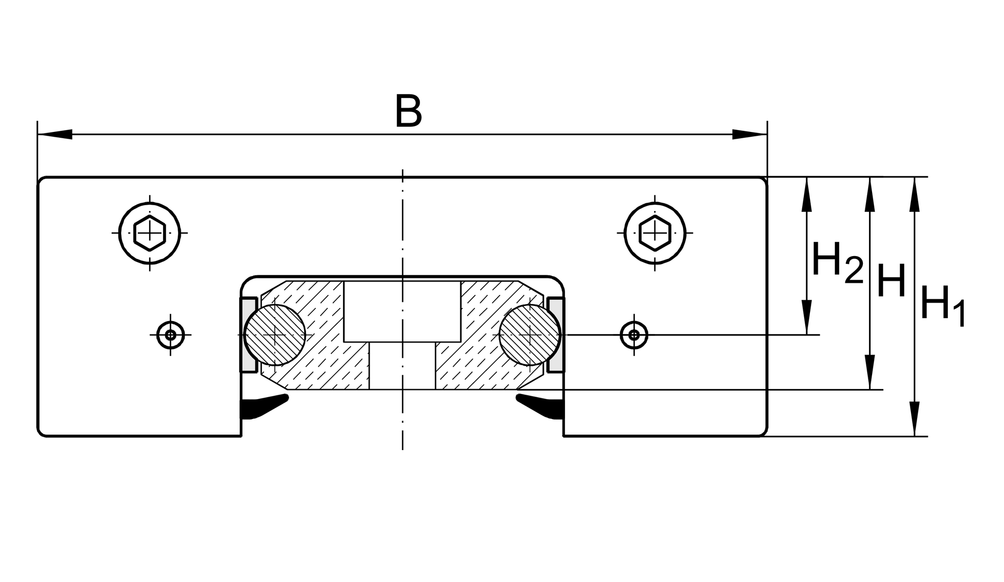
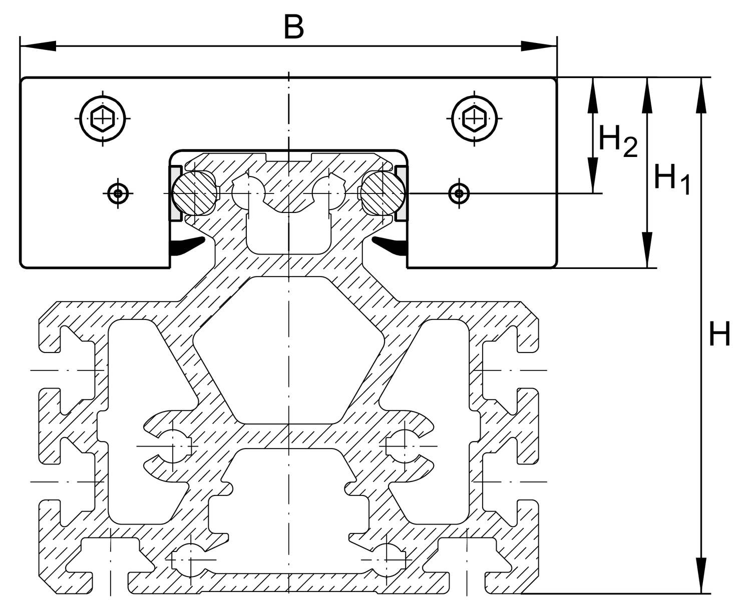
| B | 155 mm | |
| L | 205 mm | |
| ≈m | 4.3 kg | 重量 |
| G4 | M12 | |
| H | 60.4 mm | Total height of carriage and rail at LFS, -C, -CE, -CEE, -E, -EE, -N, -NZZ |
| H | 44.3 mm | Total height of carriage and rail at LFS..-F, -FE |
| H | 125 mm | Total height of carriage and rail at LFS..-M 1 |
| H2 | 35.2 mm | |
| H2 Tol | 0.3 | |
| H2 Tol | 0 | |
| H3 | 24 mm | |
| JB | 115 mm | |
| JB Tol | 0.2 | |
| JB Tol | -0.2 | |
| JB1 | 95.2 mm | |
| JL1 | 120 mm | |
| JL2 | 140 mm | |
| JL2 Tol | 0.2 | |
| JL2 Tol | -0.2 | |
| K2 | 10 mm |
| MA | 70 Nm | Tightening torque (standard version) |
| MA | 39 Nm | Tightening torque (corrosion-resistant version) 2 |
| Cy | 20,000 N | 基本額定動載重 in y-direction 3 |
| C0y | 10,000 N | 基本額定靜載重 in y-direction 3 |
| Cz | 32,400 N | 基本額定動載重 in z-direction 3 |
| C0z | 18,200 N | 基本額定靜載重 in z-direction 3 |
| M0x | 215 Nm | static moment about X-axis |
| M0y | 1,100 Nm | Static moment about Y-axis |
| M0z | 620 Nm | Static moment about Z-axis |
| LFR | LFR5301-10-2Z | used track roller 4 |
| LFS | LFS52-EE | Guide rail 5 |
| Size code | 52 | |
| Setting | SF | clearance-free |
| Carriage design | EE | wide, long design |