PRODUCTS
- 首頁
- 產品介紹
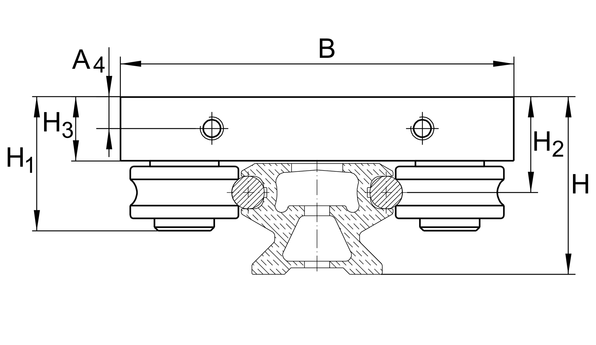
| H1 | 20.5 mm | |
| B | 55 mm | |
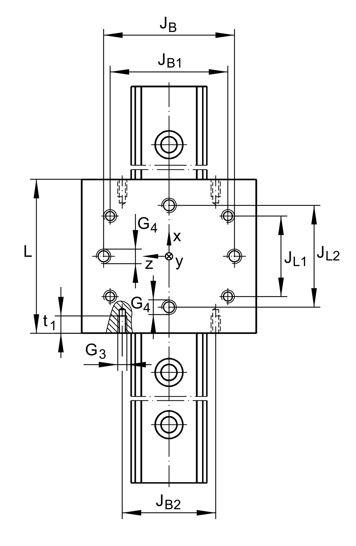
| L | 50 mm | |
| ≈m | 0.16 kg | 重量 |
| G3 | M3 | |
| G4 | M5 | |
| H | 22 mm | Total height of carriage and rail at LFS..-F, -FE |
| H2 | 13 mm | |
| H2 Tol | 0.3 | |
| H2 Tol | 0 | |
| H3 | 9 mm | |
| JB | 40 mm | |
| JB Tol | 0.2 | |
| JB Tol | -0.2 | |
| JB1 | 34 mm | |
| JL1 | 24 mm | |
| JL2 | 38 mm | |
| JL2 Tol | 0.2 | |
| JL2 Tol | -0.2 |
| MA | 2.5 Nm | Tightening torque (standard version) 1 |
| MA | 2.5 Nm | Tightening torque (corrosion-resistant version) 1 |
| Cy | 1,350 N | 基本額定動載重 in y-direction 2 |
| C0y | 870 N | 基本額定靜載重 in y-direction 2 |
| Cz | 2,400 N | 基本額定動載重 in z-direction 2 |
| C0z | 1,700 N | 基本額定靜載重 in z-direction 2 |
| M0x | 7 Nm | static moment about X-axis |
| M0y | 20 Nm | Static moment about Y-axis |
| M0z | 10 Nm | Static moment about Z-axis |
| LFR | LFR50/5-4-2Z | Used track roller 3 |
| LFS | LFS20 | Guide rail 4 |
| Size code | 20 | |
| Setting | SF | clearance-free |