PRODUCTS
- 首頁
- 產品介紹
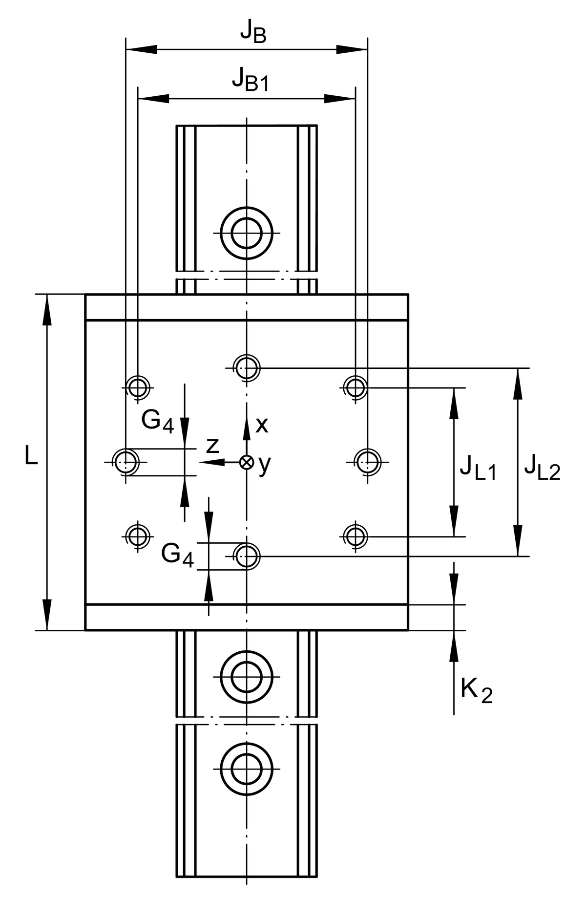
| H1 | 53.8 mm | |
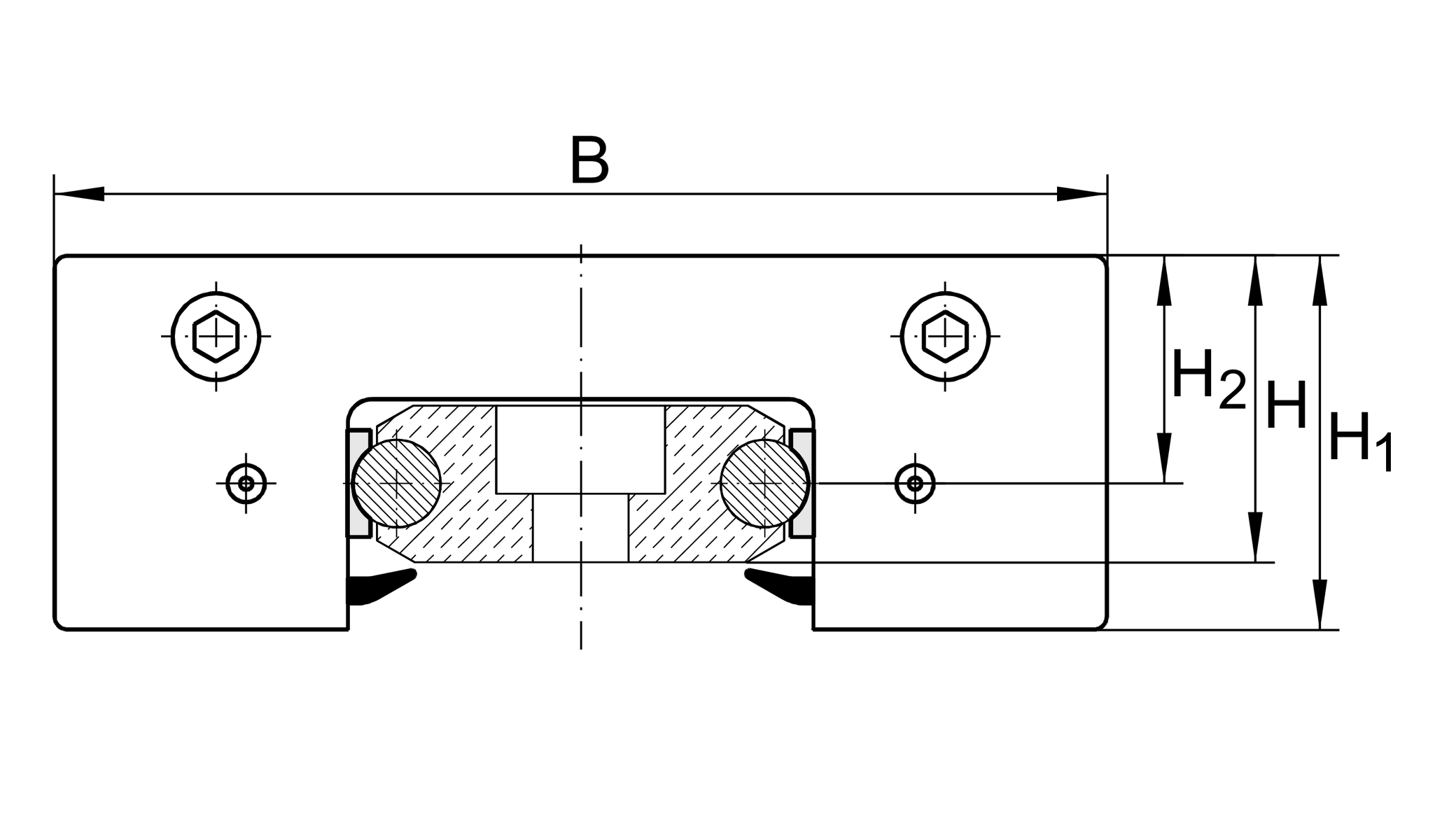
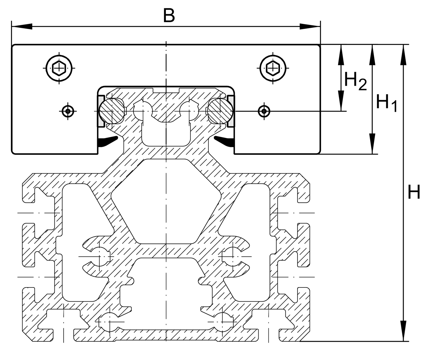
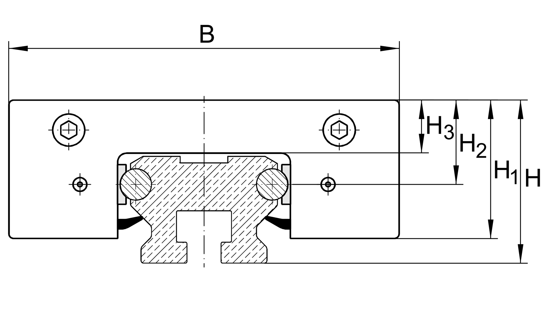
| B | 145 mm | |
| L | 186 mm | |
| ≈m | 2.65 kg | 重量 |
| G4 | M10 | |
| H | 60.4 mm | Total height of carriage and rail at LFS, -C, -CE, -CEE, -E, -EE, -N, -NZZ |
| H | 44.3 mm | Total height of carriage and rail at LFS..-F, -FE |
| H | 125 mm | Total height of carriage and rail at LFS..-M 1 |
| H2 | 35.3 mm | |
| H2 Tol | 0.3 | |
| H2 Tol | 0 | |
| H3 | 24 mm | |
| JB | 105 mm | |
| JB Tol | 0.2 | |
| JB Tol | -0.2 | |
| JB1 | 90 mm | |
| JL1 | 105 mm | |
| JL2 | 110 mm | |
| JL2 Tol | 0.2 | |
| JL2 Tol | -0.2 | |
| K2 | 10 mm |
| MA | 40 Nm | Tightening torque (standard version) |
| MA | 23 Nm | Tightening torque (corrosion-resistant version) 2 |
| Cy | 17,800 N | 基本額定動載重 in y-direction 3 |
| C0y | 8,900 N | 基本額定靜載重 in y-direction 3 |
| Cz | 28,400 N | 基本額定動載重 in z-direction 3 |
| C0z | 15,500 N | 基本額定靜載重 in z-direction 3 |
| M0x | 180 Nm | static moment about X-axis |
| M0y | 800 Nm | Static moment about Y-axis |
| M0z | 460 Nm | Static moment about Z-axis |
| LFR | LFR5301-10-2Z | used track roller 4 |
| LFS | LFS52-E | Guide rail 5 |
| Size code | 52 | |
| Setting | SF | clearance-free |
| Carriage design | E | wide, long design |