PRODUCTS
- 首頁
- 產品介紹
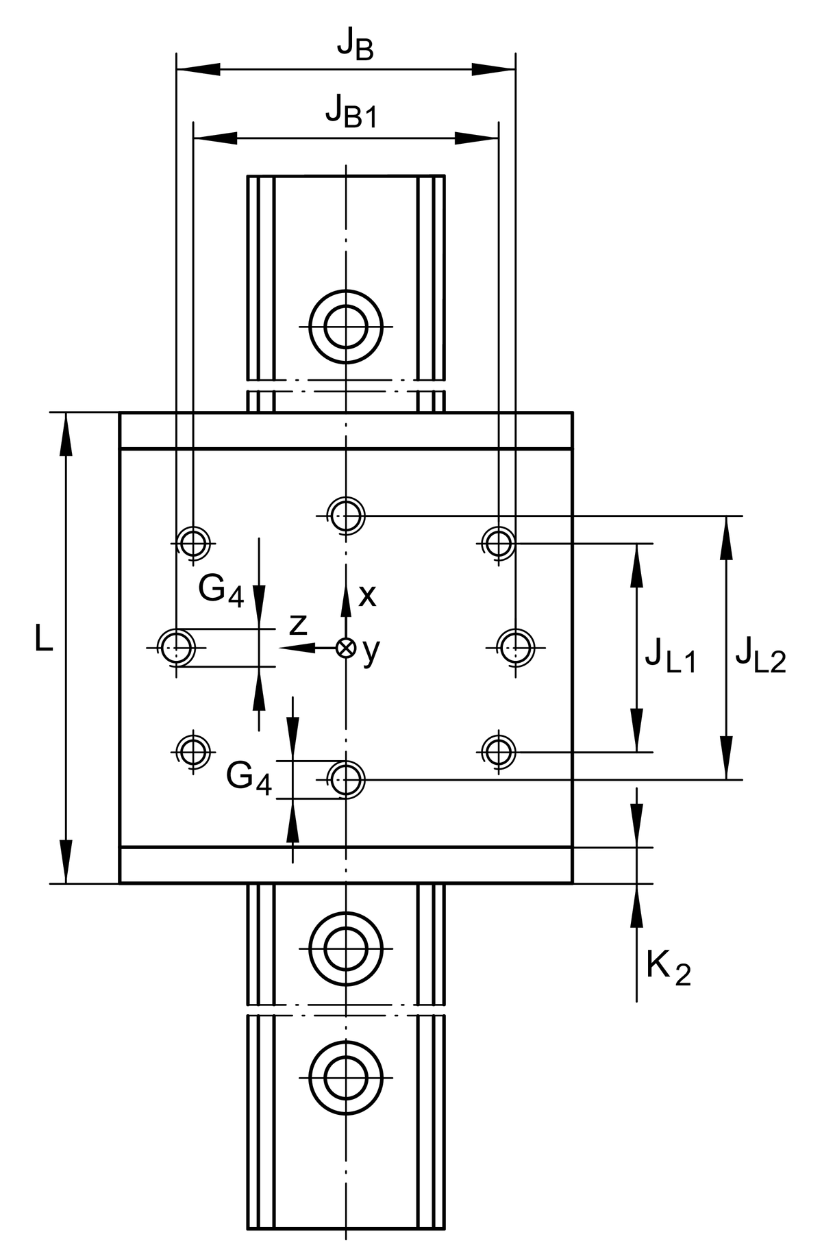
| H1 | 32 mm | |
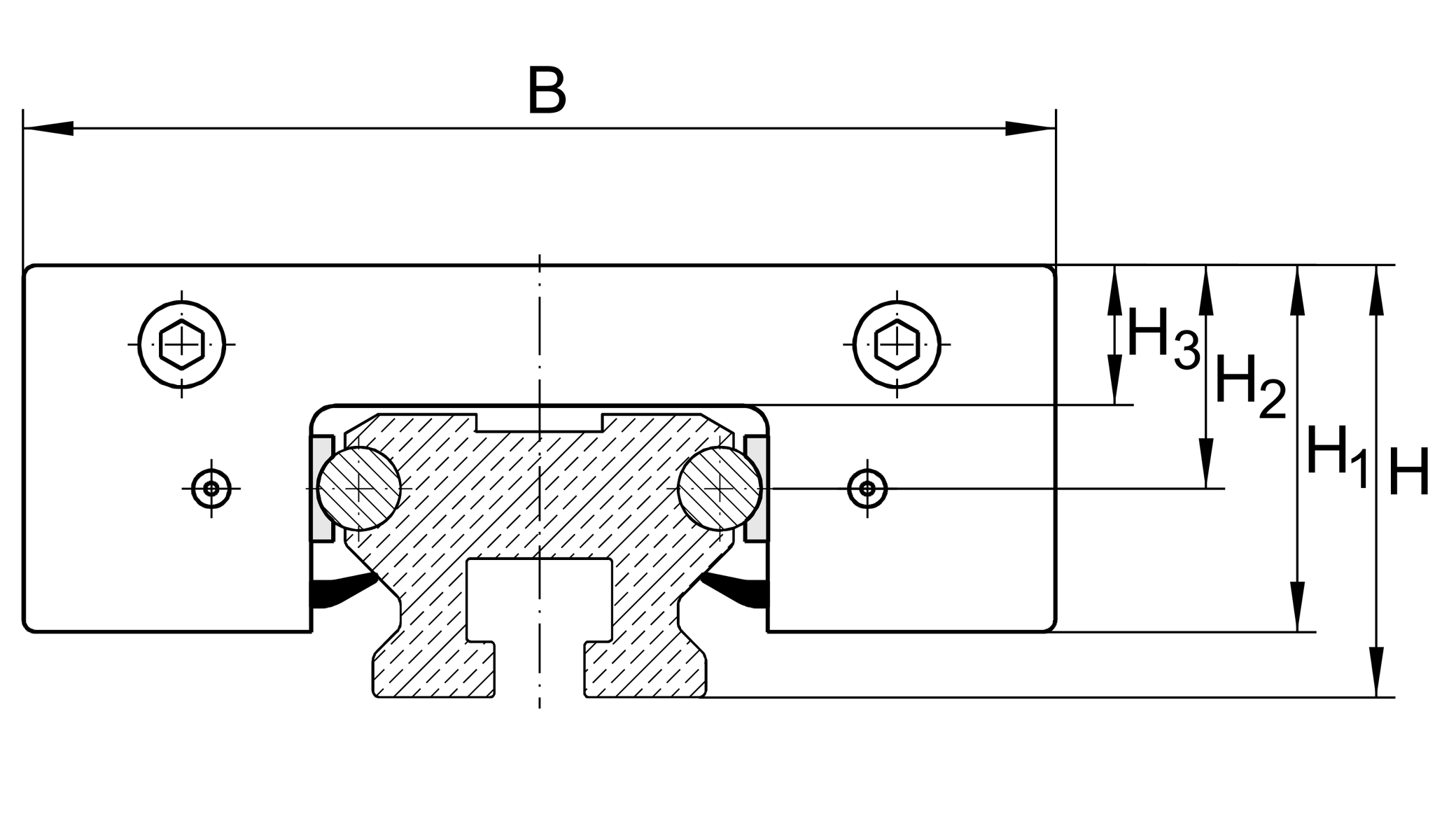
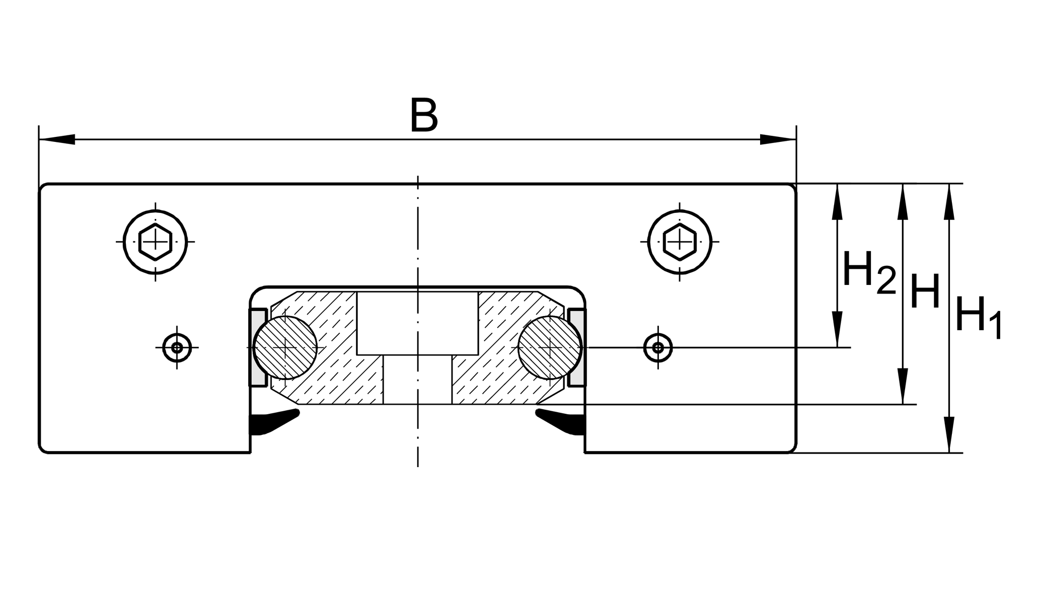
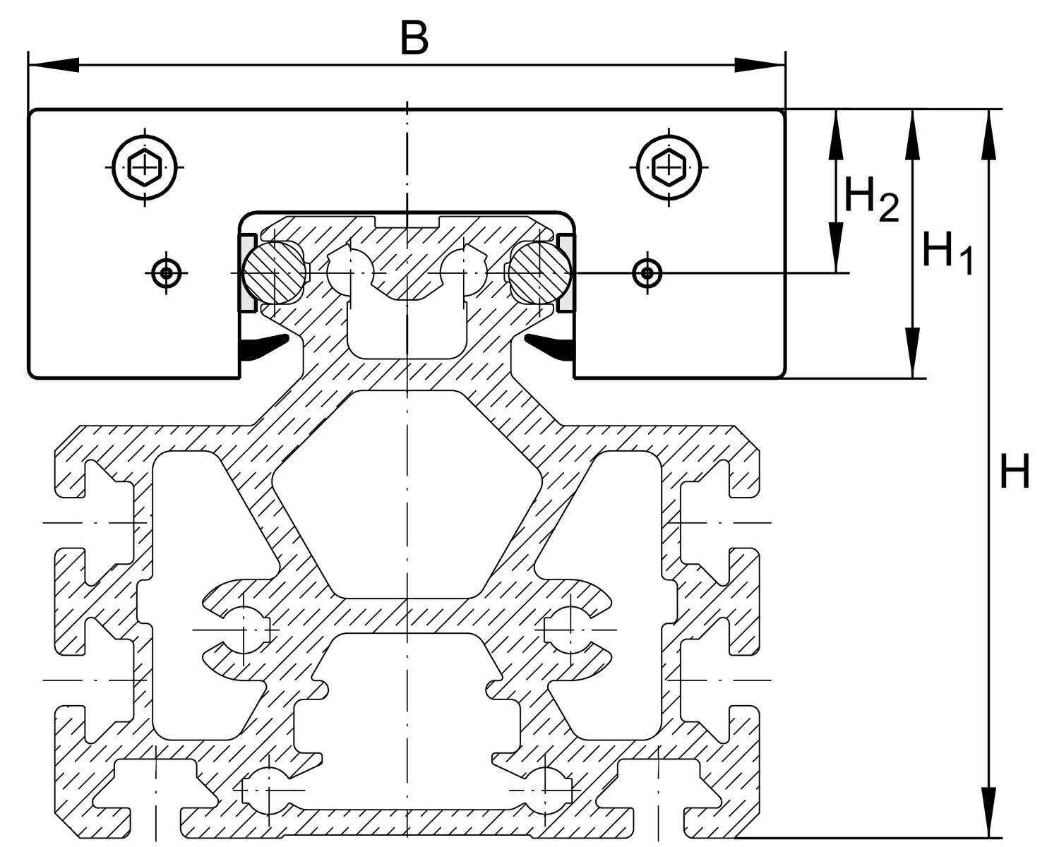
| B | 86 mm | |
| L | 1,120 mm | |
| ≈m | 0.55 kg | 重量 |
| G4 | M8 | |
| H | 35.5 mm | Total height of carriage and rail at LFS, -C, -CE, -CEE, -E, -EE, -N, -NZZ |
| H | 25.5 mm | Total height of carriage and rail at LFS..-F, -FE |
| H | 81.5 mm | Total height of carriage and rail at LFS..-M 1 |
| H2 | 20.5 mm | |
| H2 Tol | 0.3 | |
| H2 Tol | 0 | |
| H3 | 14 mm | |
| JB | 59 mm | |
| JB Tol | 0.2 | |
| JB Tol | -0.2 | |
| JB1 | 54 mm | |
| JL1 | 60 mm | |
| JL2 | 70 mm | |
| JL2 Tol | 0.2 | |
| JL2 Tol | -0.2 | |
| K2 | 7 mm |
| MA | 15 Nm | Tightening torque (standard version) |
| MA | 12 Nm | Tightening torque (corrosion-resistant version) 2 |
| Cy | 4,100 N | 基本額定動載重 in y-direction 3 |
| C0y | 2,400 N | 基本額定靜載重 in y-direction 3 |
| Cz | 6,600 N | 基本額定動載重 in z-direction 3 |
| C0z | 4,200 N | 基本額定靜載重 in z-direction 3 |
| M0x | 30 Nm | static moment about X-axis |
| M0y | 130 Nm | Static moment about Y-axis |
| M0z | 70 Nm | Static moment about Z-axis |
| LFR | LFR50/8-6-2Z | used track roller 4 |
| LFS | LFS32 | Guide rail 5 |
| Size code | 32 | |
| Setting | SF | clearance-free |