PRODUCTS
- 首頁
- 產品介紹
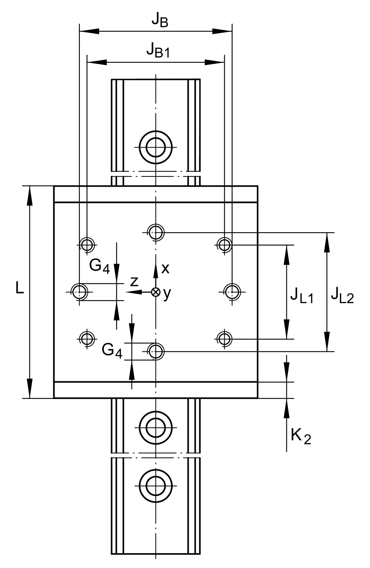
| H1 | 23.5 mm | |
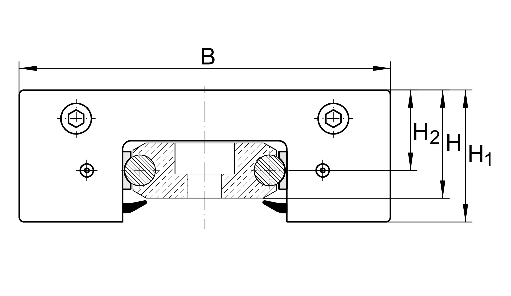
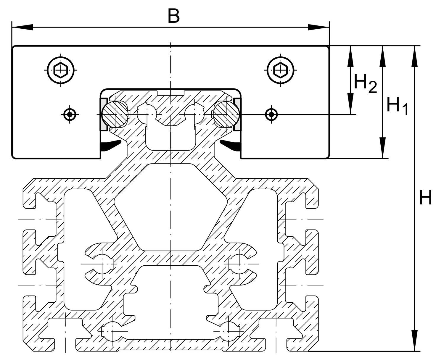
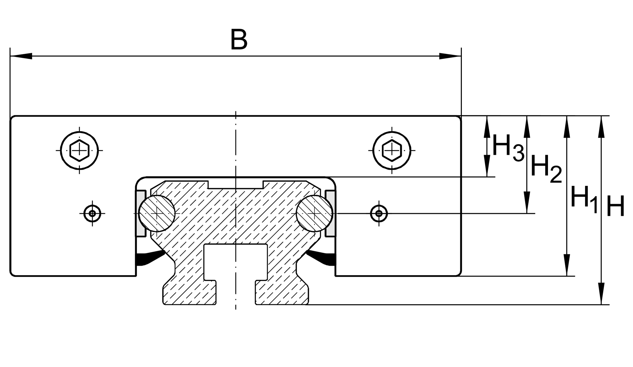
| B | 65 mm | |
| L | 85 mm | |
| ≈m | 0.3 kg | 重量 |
| G4 | M5 | |
| H | 25 mm | Total height of carriage and rail at LFS, -C, -CE, -CEE, -E, -EE, -N, -NZZ |
| H | 56 mm | Total height of carriage and rail at LFS..-M 1 |
| H2 | 14.4 mm | |
| H2 Tol | 0.3 | |
| H2 Tol | 0 | |
| H3 | 9 mm | |
| JB | 50 mm | |
| JB Tol | 0.2 | |
| JB Tol | -0.2 | |
| JB1 | 40 mm | |
| JL1 | 45 mm | |
| JL2 | 60 mm | |
| JL2 Tol | 0.2 | |
| JL2 Tol | -0.2 | |
| K2 | 5 mm |
| MA | 2.5 Nm | Tightening torque (standard version) |
| MA | 2.5 Nm | Tightening torque (corrosion-resistant version) 2 |
| Cy | 1,280 N | 基本額定動載重 in y-direction 3 |
| C0y | 820 N | 基本額定靜載重 in y-direction 3 |
| Cz | 2,580 N | 基本額定動載重 in z-direction 3 |
| C0z | 1,800 N | 基本額定靜載重 in z-direction 3 |
| M0x | 8 Nm | static moment about X-axis |
| M0y | 40 Nm | Static moment about Y-axis |
| M0z | 18 Nm | Static moment about Z-axis |
| LFR | LFR50/5-6-2Z | used track roller 4 |
| LFS | LFS25 | Guide rail 5 |
| Size code | 25 | |
| Setting | SF | clearance-free |