PRODUCTS
- 首頁
- 產品介紹
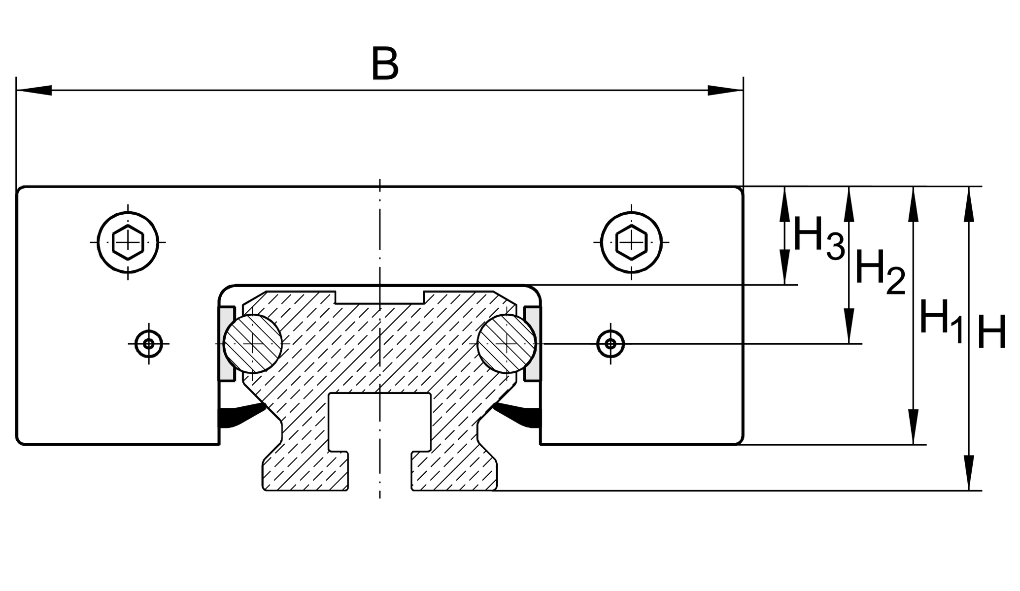
| H1 | 20.5 mm | |
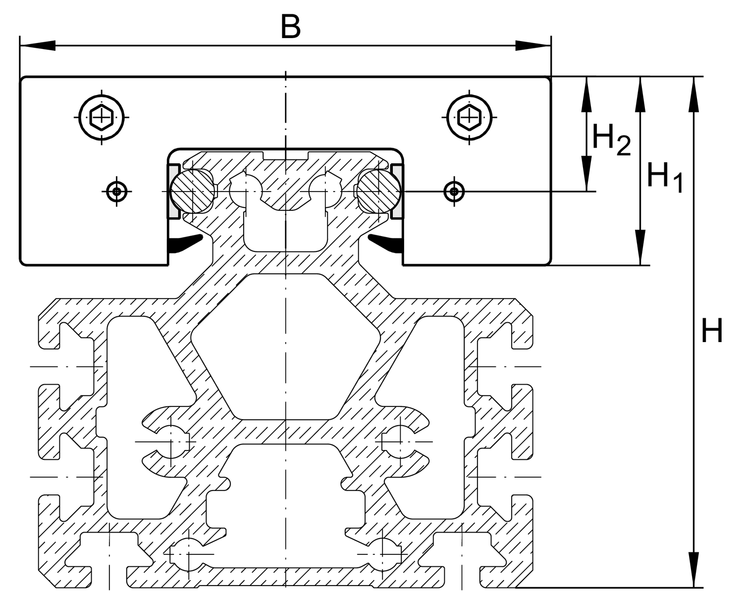
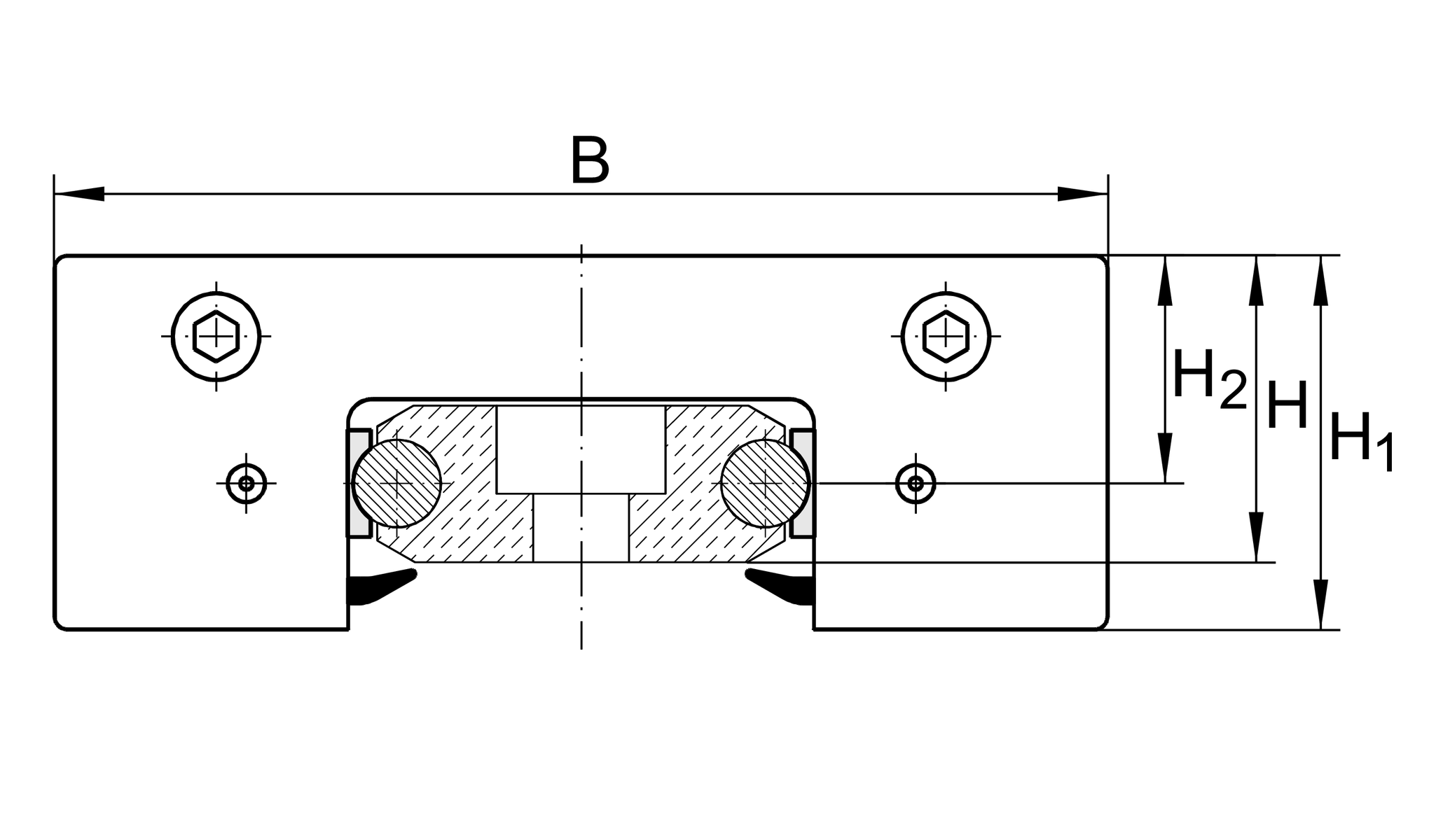
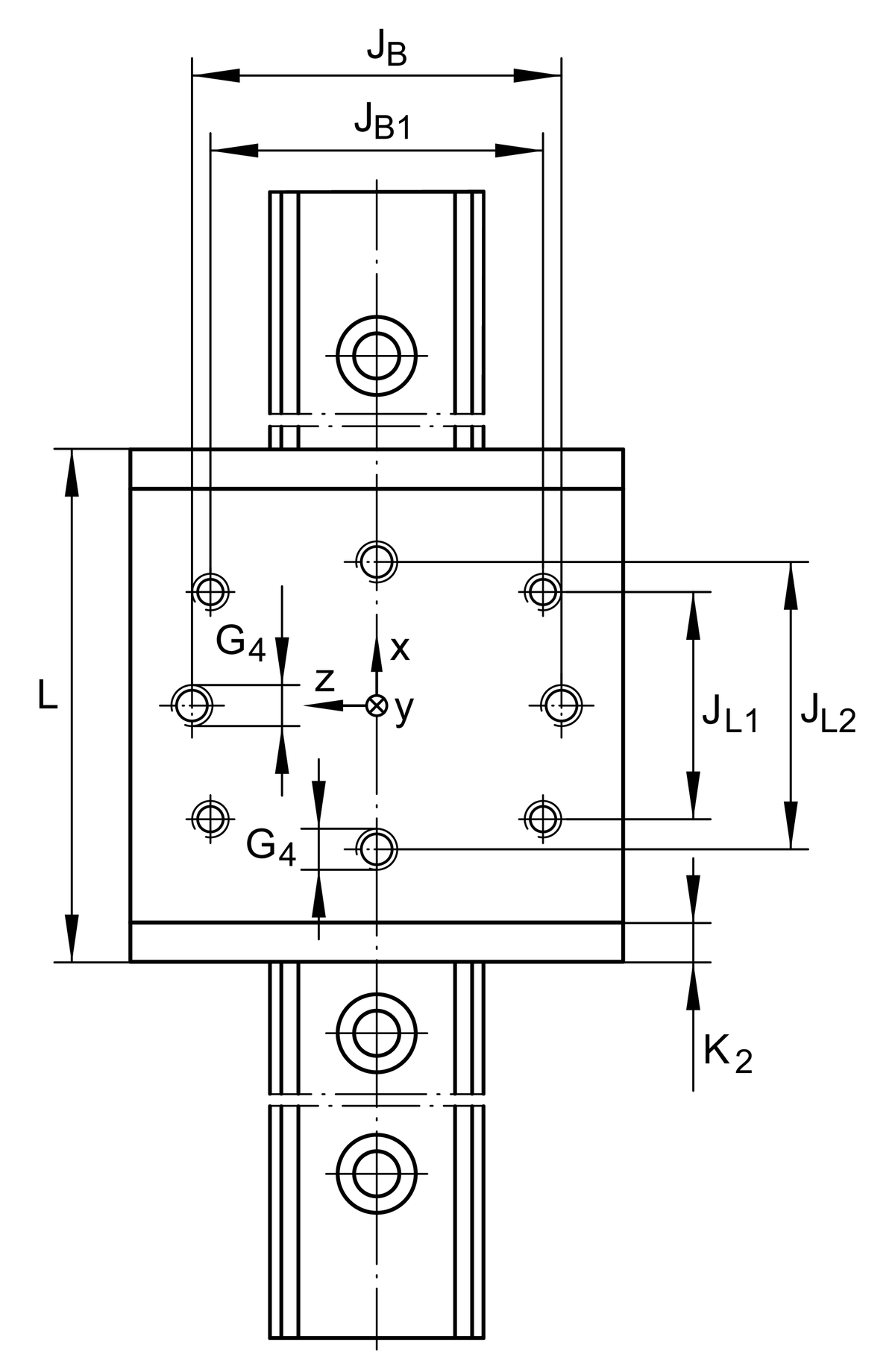
| B | 56 mm | |
| L | 69 mm | |
| ≈m | 0.2 kg | 重量 |
| G4 | M5 | |
| H | 22 mm | Total height of carriage and rail at LFS, -C, -CE, -CEE, -E, -EE, -N, -NZZ |
| H2 | 13 mm | |
| H2 Tol | 0.3 | |
| H2 Tol | 0 | |
| H3 | 8.7 mm | |
| JB | 39 mm | |
| JB Tol | 0.2 | |
| JB Tol | -0.2 | |
| JB1 | 34 mm | |
| JL1 | 34 mm | |
| JL2 | 49 mm | |
| JL2 Tol | 0.2 | |
| JL2 Tol | -0.2 | |
| K2 | 5 mm |
| MA | 2.5 Nm | Tightening torque (standard version) |
| MA | 2.5 Nm | Tightening torque (corrosion-resistant version) 1 |
| Cy | 1,350 N | 基本額定動載重 in y-direction 2 |
| C0y | 870 N | 基本額定靜載重 in y-direction 2 |
| Cz | 2,400 N | 基本額定動載重 in z-direction 2 |
| C0z | 1,700 N | 基本額定靜載重 in z-direction 2 |
| M0x | 7 Nm | static moment about X-axis |
| M0y | 28 Nm | Static moment about Y-axis |
| M0z | 15 Nm | Static moment about Z-axis |
| LFR | LFR50/5-4-2Z | used track roller 3 |
| LFS | LFS20 | Guide rail 4 |
| Size code | 20 | |
| Setting | SF | clearance-free |