PRODUCTS
- 首頁
- 產品介紹
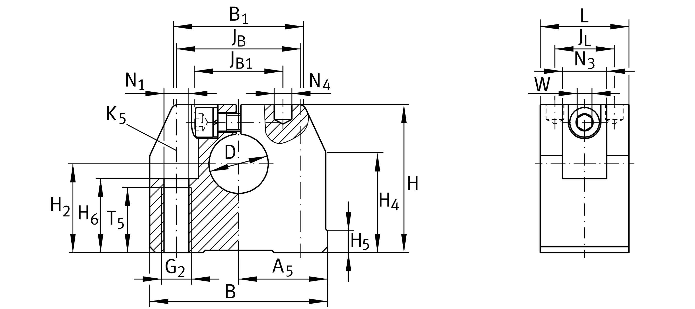
| D | 12 mm | Diameter |
| Tol D | H8 | Tolerance |
| B | 43 mm | 寬度 |
| L | 20 mm | 長度 |
| H | 35 mm | 高度 |
| ≈m | 60 g | 重量 |
| JB | 30 mm | Mounting Dimension |
| Tol JB | ±0,15 | Tolerance |
| JB1 | 20 mm | Mounting Dimension |
| B1 | 34 mm | Mounting Dimension |
| A5 | 21.5 mm | Mounting Dimension |
| Tol A5 | +0,01 | 公差上限 |
| JL | 13 mm | Mounting Dimension |
| H2 | 20 mm | Mounting Dimension |
| Tol H2 | +0,01 | 公差上限 |
| Tol H2 | -0,01 | 較低的公差 |
| H4 | 26.6 mm | Mounting Dimension |
| H5 | 5.4 mm | Mounting Dimension |
| Tol A5 | -0,01 | 較低的公差 |
| T5 | 13 mm | Mounting Dimension |
| H6 | 16.5 mm | Mounting Dimension |
| G2 | M6 | Mounting thread below |
| N1 | 5.3 mm | Mounting Dimension 1 |
| N3 | 10 mm | Mounting Dimension |
| N4 | 4 mm | Mounting Dimension |
| K5 | M5 | Size thread fixing screws above 2 |
| W | 3 mm | 平面寬度 |
| Size code | 12 | |
| Version | B |