PRODUCTS
- 首頁
- 產品介紹
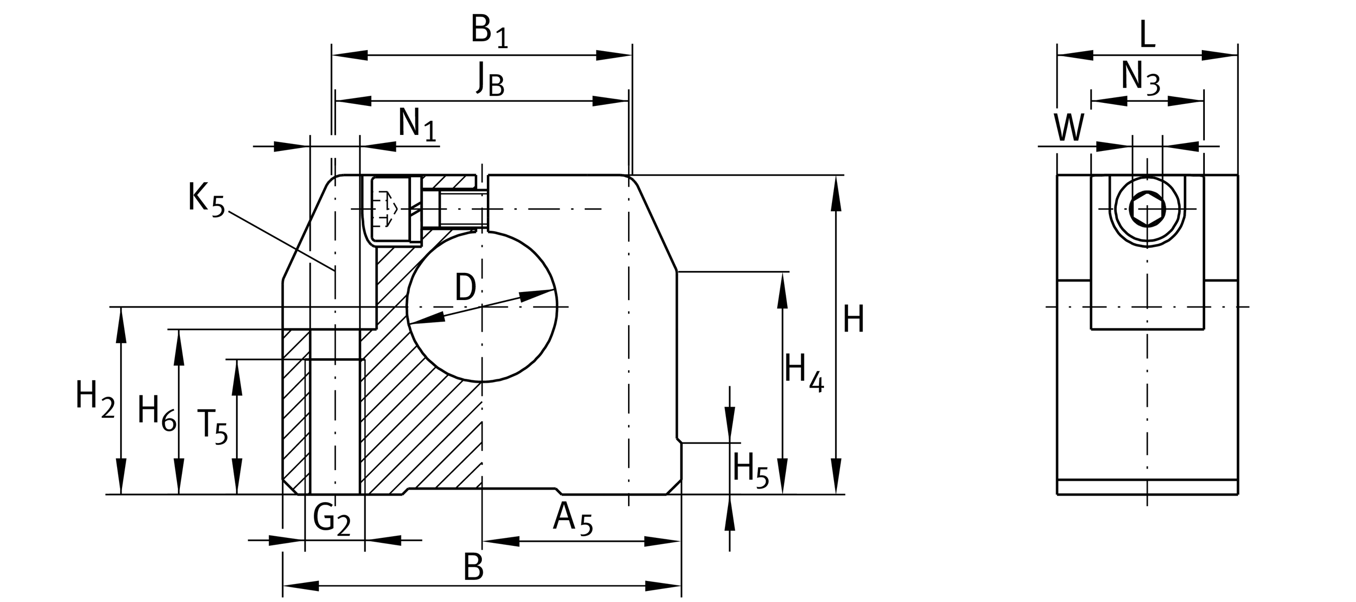
| D | 50 mm | diameter |
| Tol D | H8 | Tolerance |
| B | 103 mm | 平面寬度s |
| L | 50 mm | 長度 |
| H | 92 mm | Heigth |
| ≈m | 0.82 kg | 重量 |
| JB | 80 mm | Mounting Dimension |
| Tol JB | ±0,15 | Tolerance |
| A5 | 51.5 mm | Mounting Dimension |
| B1 | 74 mm | Mounting Dimension |
| H2 | 50 mm | Mounting Dimension |
| Tol H2 | +0,1 | 公差上限 |
| Tol H2 | -0,1 | 較低的公差 |
| H4 | 62.3 mm | Mounting Dimension |
| H5 | 10.9 mm | Mounting Dimension |
| T5 | 34 mm | Mounting Dimension |
| H6 | 46 mm | Mounting Dimension |
| G2 | M16 | Mounting thread below |
| N1 | 13.5 mm | Mounting Dimension |
| N3 | 24 mm | Mounting Dimension |
| K5 | M12 | Sie thread fixing screws above 1 |
| W | 8 mm | 平面寬度 2 |
| Size code | 50 | |
| Suffix | B | Version |