PRODUCTS
- 首頁
- 產品介紹
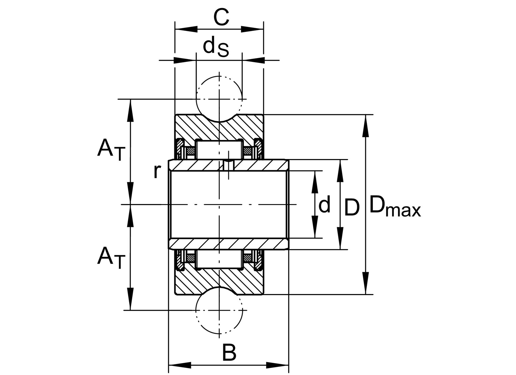
| d | 20 mm | |
| Dmax | 47 mm | |
| B | 20 mm | |
| BTol | 0 | |
| BTol | -0.12 | |
| ≈m | 0.163 kg | 重量 |
| AT | 26.64 mm | |
| C | 17.8 mm | |
| D | 25 mm | |
| ds | 10 mm | |
| rmin | 0.3 mm |
| Cr w | 13,700 N | Effective dynamic load rating as track roller (radial) |
| C0r w | 18,600 N | Effective static load rating as track roller (radial) |
| Cur w | 2,550 N | Limit of fatigue load |
| Size code | 2204 | |
| Seal | 2RSR | double-sided sliding seal |
| Code | NA | with inner ring |