INA
DRS50140
Seal carrier Assy DRS50140
加入詢價
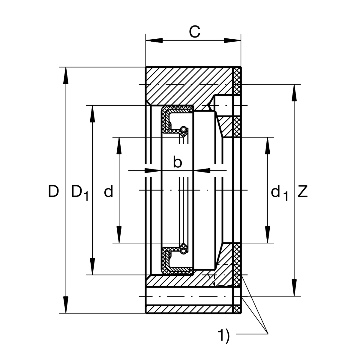
主要尺寸與性能資料
| d1 | 95 mm | 內徑 centering |
| D | 140 mm | 外徑 |
| C | 30 mm | Width wave carrier |
| ≈m | 1.345 kg | 重量 |
尺寸
| Z | 127.5 mm | Pitch circle diameter (holes) |
| d | 95 mm | 內徑 centering seal lip |
| D1 | 115 mm | 外徑密封 |
| b | 13 mm | Width seal |
| M5X40 | Screw size |
| 1) | 4 | Number of screws |
加入詢價
Seal carrier Assy DRS50140
已將您選擇的品項
加入詢價清單
非常感謝您!
選擇更多商品
瀏覽詢價清單