INA
DRS55145
Seal carrier Assy DRS55145
加入詢價
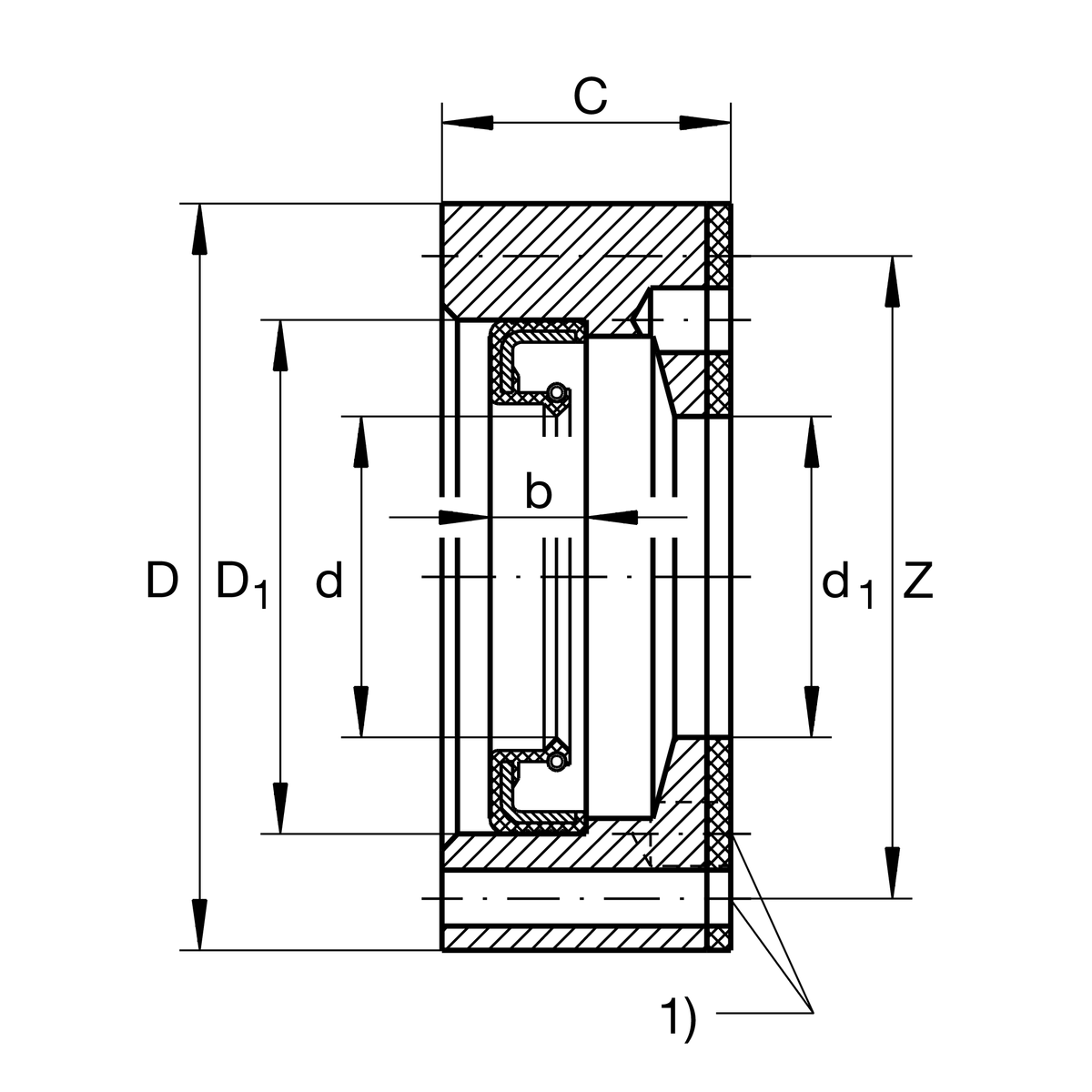
主要尺寸與性能資料
| d1 | 100 mm | 內徑 centering |
| D | 145 mm | 外徑 |
| C | 30 mm | Width wave carrier |
| ≈m | 1.345 kg | 重量 |
尺寸
| Z | 132.5 mm | Pitch circle diameter (holes) |
| d | 100 mm | 內徑 centering seal lip |
| D1 | 120 mm | 外徑密封 |
| b | 12 mm | Width seal |
| M5X40 | Screw size |
| 1) | 4 | Number of screws |
加入詢價
Seal carrier Assy DRS55145
已將您選擇的品項
加入詢價清單
非常感謝您!
選擇更多商品
瀏覽詢價清單