PRODUCTS
- 首頁
- 產品介紹
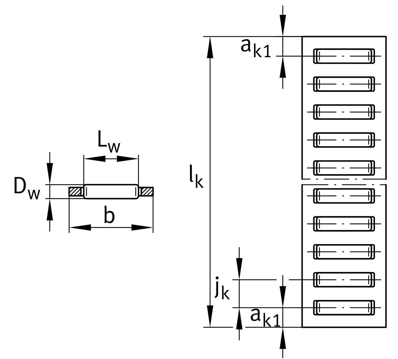
| lk max | 6,000 mm | Max. length 1 |
| DW | 5 mm | Rolling element diameter |
| b | 32 mm | |
| C | 139,500 N | Load capacity dyn. 2 |
| C0 | 375,600 N | Load capacity stat. 2 |
| ≈m | 722 g/m | 重量 |
| EB | 32.5 mm | |
| Tol EB | +0,3 | tolerance |
| EB1 | 28 mm | min. |
| EH | 4.6 mm |
| LW | 27.8 mm | Length rolling element |
| jk | 8 mm | |
| ak1 | 5.5 mm |
| Size code | 5023 |