PRODUCTS
- 首頁
- 產品介紹
| lk max | 6,000 mm | Max. length 1 |
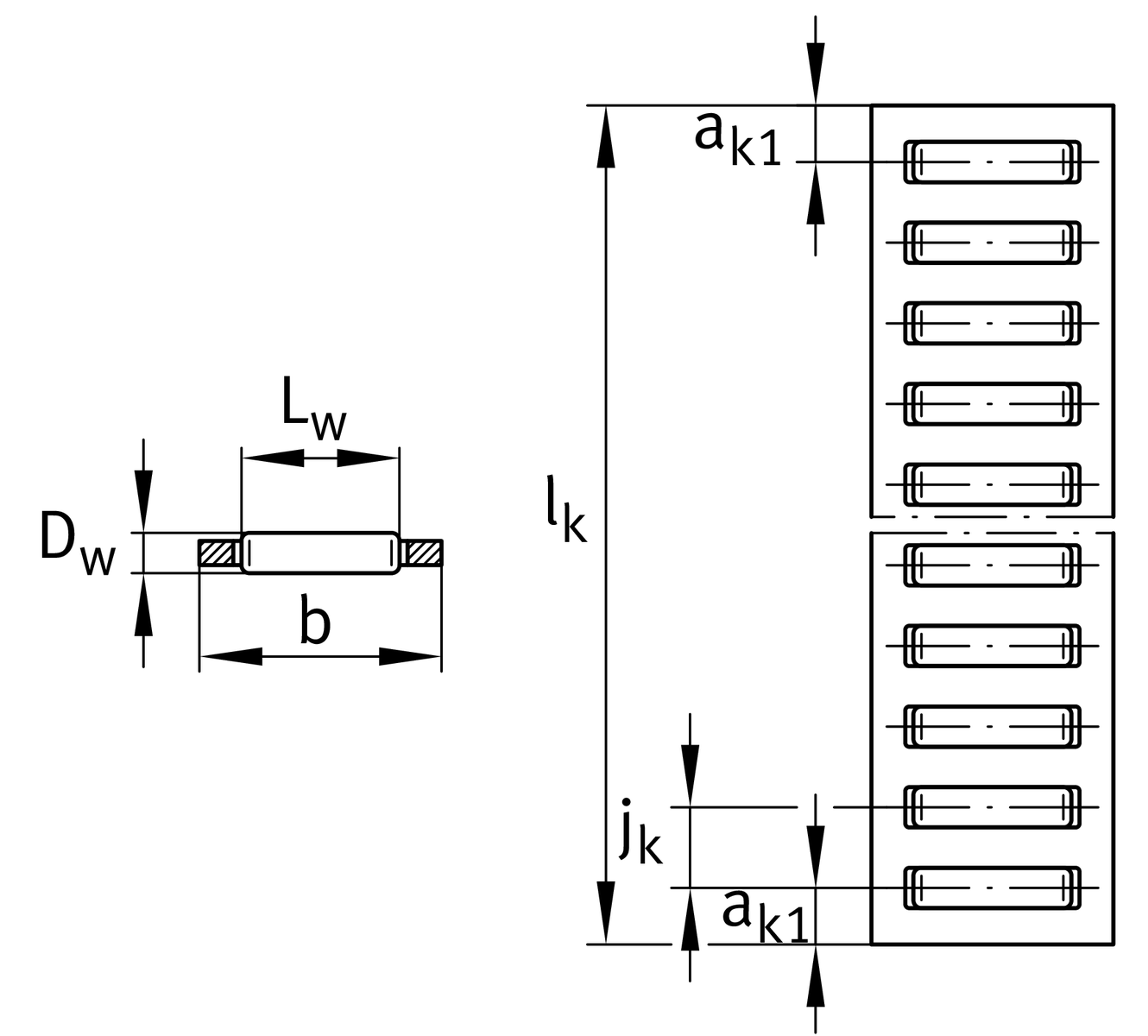
| DW | 5 mm | Rolling element diameter |
| b | 23 mm | |
| C | 106,400 N | Load capacity dyn. 2 |
| C0 | 265,100 N | Load capacity stat. 2 |
| ≈m | 530 g/m | 重量 |
| EB | 23.4 mm | |
| Tol EB | +0,2 | tolerance |
| EB1 | 20 mm | min. |
| EH | 4.6 mm |
| LW | 19.8 mm | Length rolling element |
| jk | 8 mm | |
| ak1 | 5.5 mm |
| Size code | 5023 |