INA
BF7028
Flat cage BF7028
加入詢價
主要尺寸與性能資料
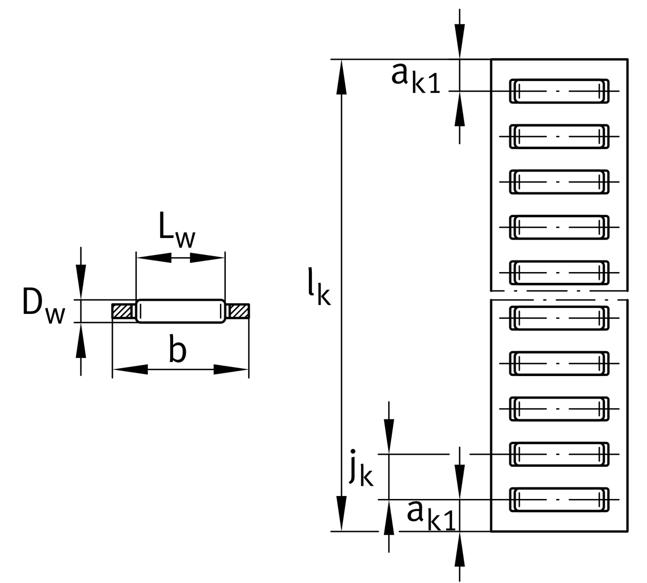
| lk max | 6,000 mm | Max. length 1 |
| DW | 7 mm | Rolling element diameter |
| b | 28 mm | |
| C | 150,800 N | Load capacity dyn. 2 |
| C0 | 331,800 N | Load capacity stat. 2 |
| ≈m | 875 g/m | 重量 |
安裝尺寸
| EB | 28.4 mm | |
| Tol EB | +0,2 | tolerance |
| EB1 | 24 mm | min. |
| EH | 6.5 mm | |
尺寸
| LW | 24 mm | Length rolling element |
| jk | 11 mm | |
| ak1 | 7.5 mm | |
加入詢價