INA
BF5015
Flat cage BF5015
加入詢價
主要尺寸與性能資料
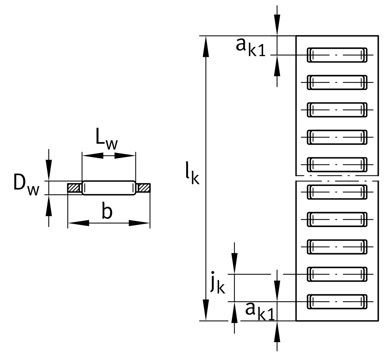
| lk max | 6,000 mm | Max. length 1 |
| DW | 5 mm | Rolling element diameter |
| b | 15 mm | |
| C | 69,900 N | Load capacity dyn. 2 |
| C0 | 154,700 N | Load capacity stat. 2 |
| ≈m | 375 g/m | 重量 |
安裝尺寸
| EB | 15.3 mm | |
| Tol EB | +0,2 | tolerance |
| EB1 | 12 mm | min. |
| EH | 4.6 mm | |
尺寸
| LW | 11.8 mm | Length rolling element |
| jk | 8 mm | |
| ak1 | 5.5 mm | |
加入詢價