PRODUCTS


FAG
51412-MP
Axial deep groove ball bearing 51412-MP
Add item
Main Dimensions & Performance Data
d
60 mm
Inner diameter shaft washer
D
130 mm
Outer diameter housing washer
T
51 mm
Height
Ca
201,000 N
Basic dynamic load rating, axial
C0a
395,000 N
Basic static load rating, axial
Cua
18,200 N
Fatigue load limit, axial
nG
2,190 1/min
Limiting speed
nϑr
5,500 1/min
Reference speed
≈m
3.51 kg
Weight

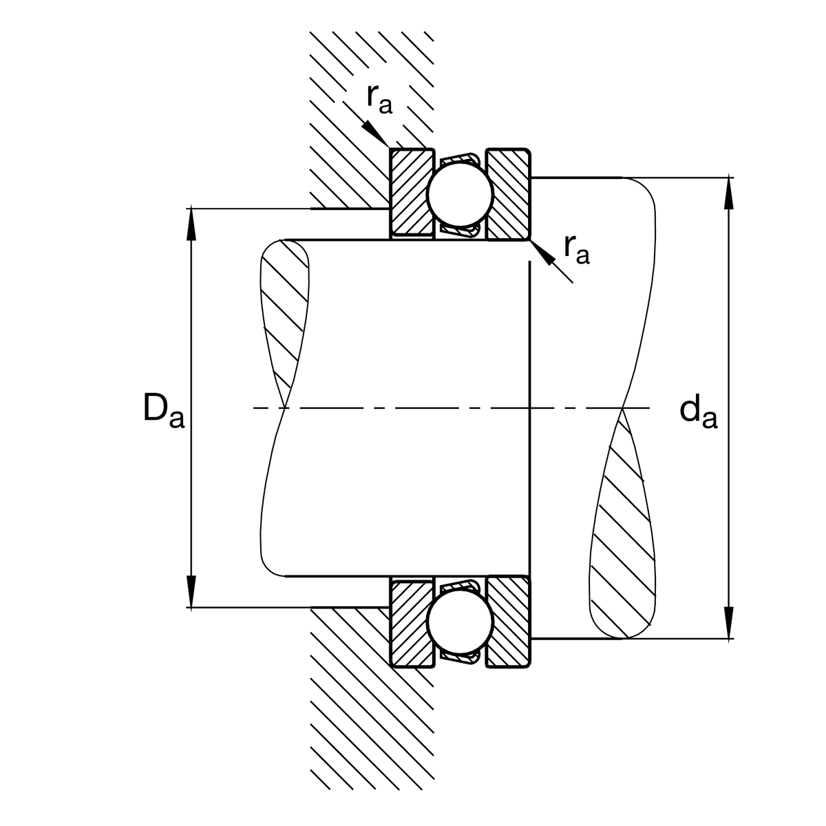
Mounting dimensions
da min
102 mm
Minimum diameter shaft shoulder
Da max
88 mm
Maximum diameter of housing shoulder
ra max
1.5 mm
Maximum filled radius

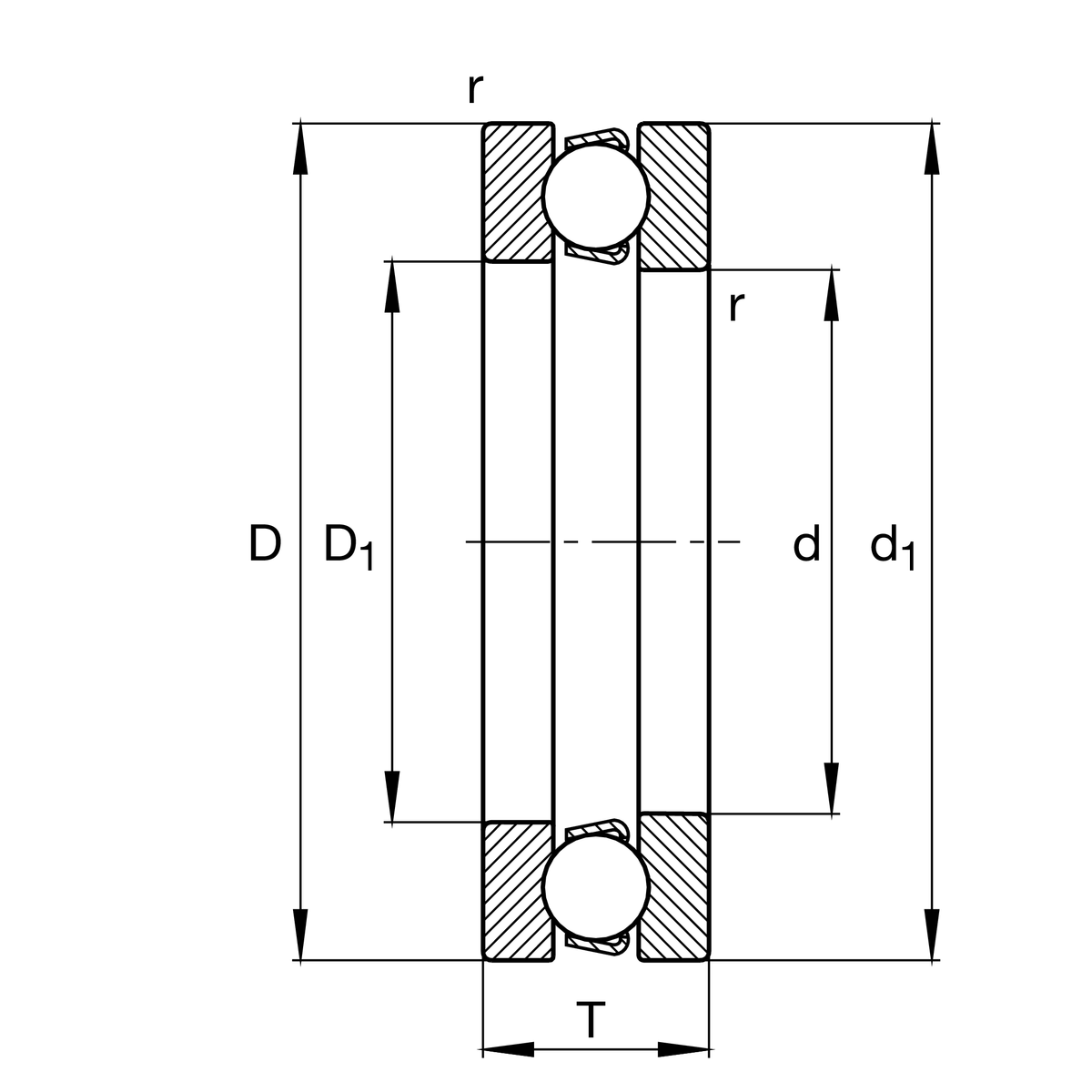
Dimensions
rmin
1.5 mm
Minimum chamfer dimension
D1
62 mm
Inner diameter housing washer
d1
130 mm
Outer diameter shaft washer

Temperature range
Tmin
-30 °C
Operating temperature min.
Tmax
150 °C
Operating temperature max.

Calculation factors
A
0.87
Minimum load factor

Your current product variant
CageMPsolid brass cage, rolling element guided
Tolerance classPNNormal (PN)
Add item