PRODUCTS


FAG
51413-MP
Axial deep groove ball bearing 51413-MP
Add item
Main Dimensions & Performance Data
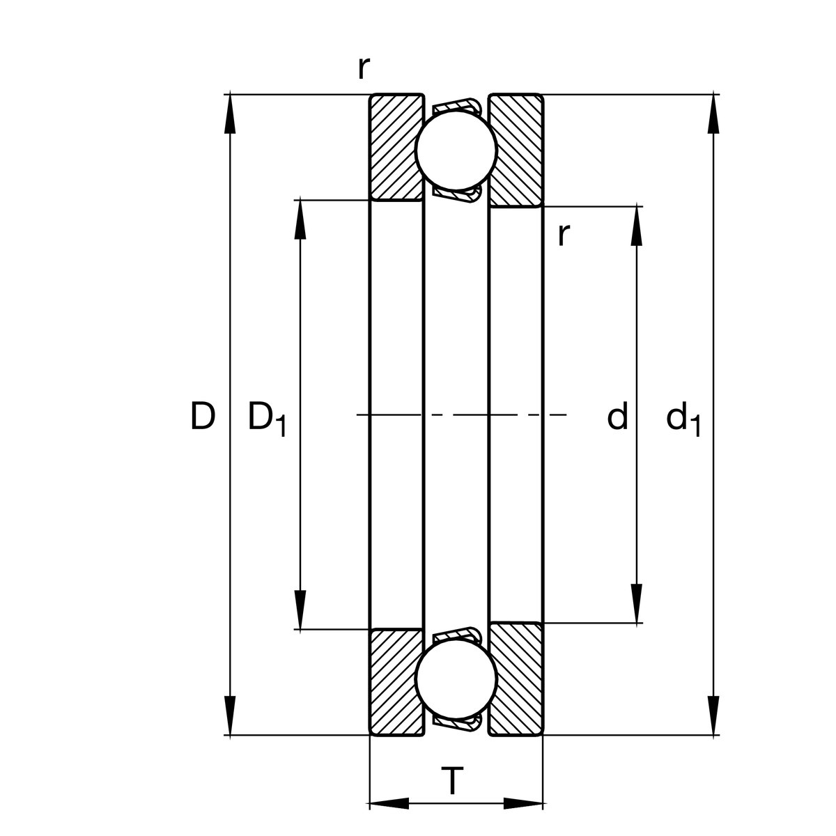
d
65 mm
Inner diameter shaft washer
D
140 mm
Outer diameter housing washer
T
56 mm
Height
Ca
217,000 N
Basic dynamic load rating, axial
C0a
450,000 N
Basic static load rating, axial
Cua
20,500 N
Fatigue load limit, axial
nG
2,050 1/min
Limiting speed
nϑr
5,200 1/min
Reference speed
≈m
4.47 kg
Weight

Mounting dimensions
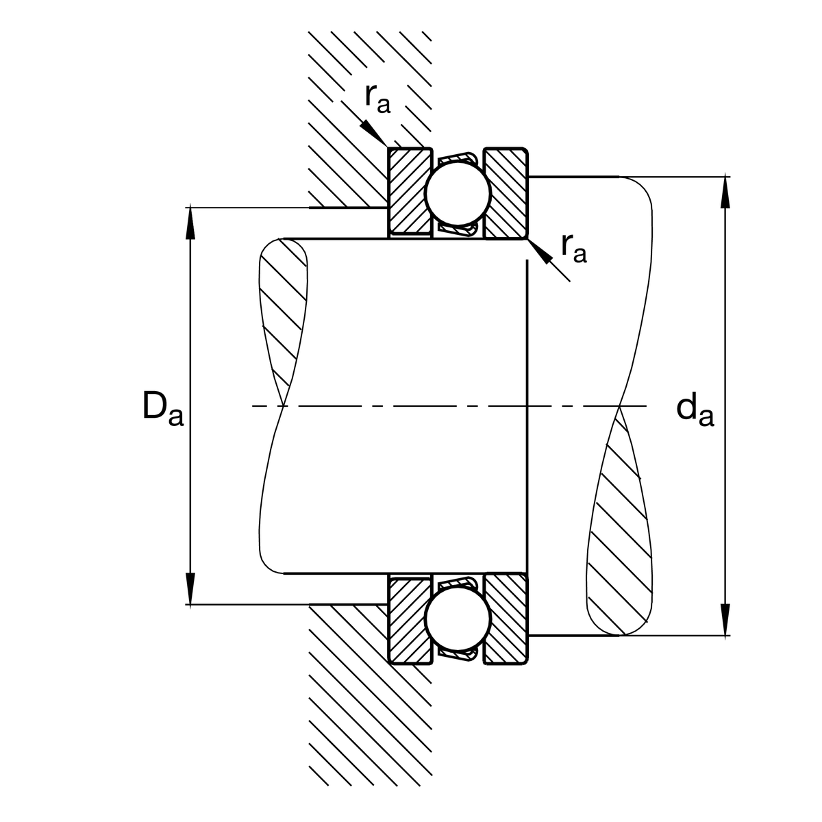
da min
110 mm
Minimum diameter shaft shoulder
Da max
95 mm
Maximum diameter of housing shoulder
ra max
2 mm
Maximum filled radius

Dimensions
rmin
2 mm
Minimum chamfer dimension
D1
68 mm
Inner diameter housing washer
d1
140 mm
Outer diameter shaft washer

Temperature range
Tmin
-30 °C
Operating temperature min.
Tmax
150 °C
Operating temperature max.

Calculation factors
A
1.1
Minimum load factor

Your current product variant
CageMPsolid brass cage, rolling element guided
Tolerance classPNNormal (PN)
Add item