PRODUCTS


FAG
51411
Axial deep groove ball bearing 51411
Add item
Main Dimensions & Performance Data
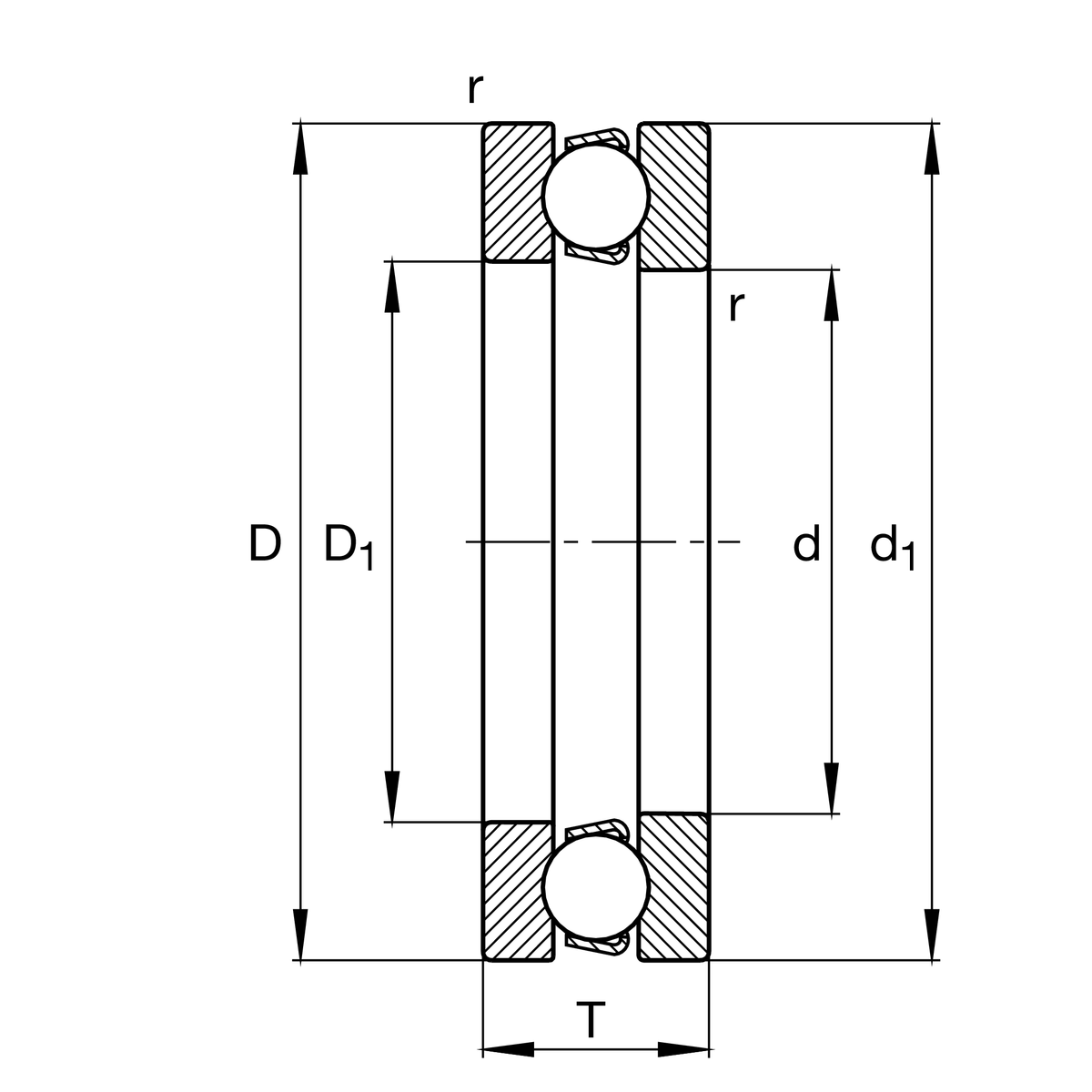
d
55 mm
Inner diameter shaft washer
D
120 mm
Outer diameter housing washer
T
48 mm
Height
Ca
167,000 N
Basic dynamic load rating, axial
C0a
315,000 N
Basic static load rating, axial
Cua
14,400 N
Fatigue load limit, axial
nG
2,340 1/min
Limiting speed
nϑr
6,000 1/min
Reference speed
≈m
2.533 kg
Weight

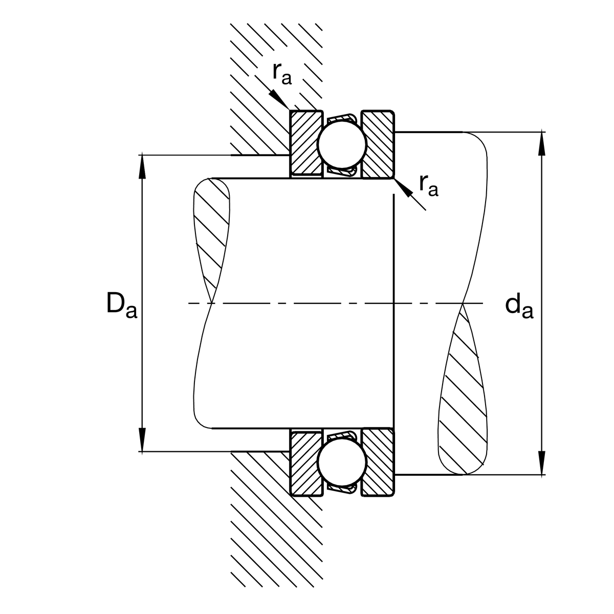
Mounting dimensions
da min
94 mm
Minimum diameter shaft shoulder
Da max
81 mm
Maximum diameter of housing shoulder
ra max
1.5 mm
Maximum filled radius

Dimensions
rmin
1.5 mm
Minimum chamfer dimension
D1
57 mm
Inner diameter housing washer
d1
120 mm
Outer diameter shaft washer

Temperature range
Tmin
-30 °C
Operating temperature min.
Tmax
150 °C
Operating temperature max.

Calculation factors
A
0.59
Minimum load factor

Your current product variant
CageJPsteel sheet metal
Tolerance classPNNormal (PN)
Add item