PRODUCTS


FAG
52210
Axial deep groove ball bearing 52210
Add item
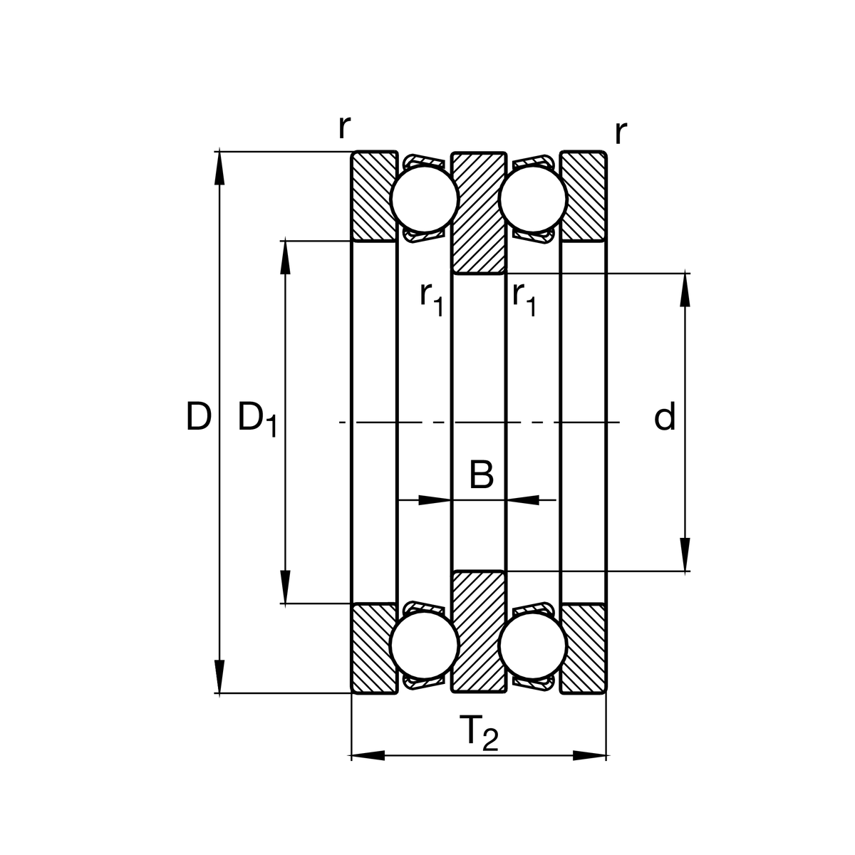
Main Dimensions & Performance Data
d
40 mm
Inner diameter shaft washer
D
78 mm
Outer diameter housing washer
T2
39 mm
Height
Ca
50,000 N
Basic dynamic load rating, axial
C0a
106,000 N
Basic static load rating, axial
Cua
4,850 N
Fatigue load limit, axial
nG
4,950 1/min
Limiting speed
nϑr
5,800 1/min
Reference speed
≈m
0.684 kg
Weight

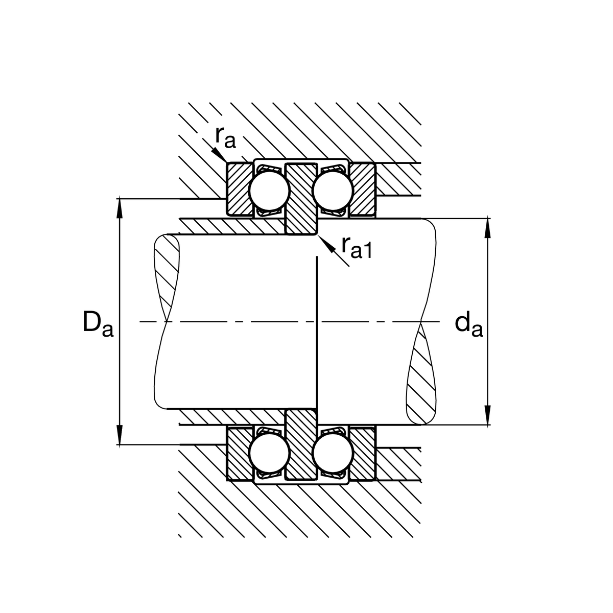
Mounting dimensions
da max
50 mm
Maximum diameter shaft shoulder
Da max
61 mm
Maximum diameter of housing shoulder
ra max
1 mm
Maximum filled radius
ra1 max
0.6 mm
Maximum filled radius

Dimensions
D1
52 mm
Inner diameter housing washer
B
9 mm
Height shaft washer
rmin
1 mm
Minimum chamfer dimension
r1 min
0.6 mm
Minimum chamfer dimension

Temperature range
Tmin
-30 °C
Operating temperature min.
Tmax
150 °C
Operating temperature max.

Calculation factors
A
0.069
Minimum load factor

Your current product variant
CageJPsteel sheet metal
Tolerance classPNNormal (PN)
Add item