PRODUCTS


FAG
52213
Axial deep groove ball bearing 52213
Add item
Main Dimensions & Performance Data
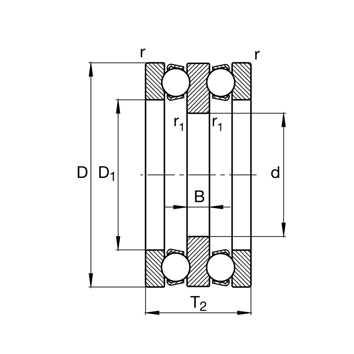
d
55 mm
Inner diameter shaft washer
D
100 mm
Outer diameter housing washer
T2
47 mm
Height
Ca
64,000 N
Basic dynamic load rating, axial
C0a
149,000 N
Basic static load rating, axial
Cua
6,800 N
Fatigue load limit, axial
nG
4,100 1/min
Limiting speed
nϑr
4,800 1/min
Reference speed
≈m
1.281 kg
Weight

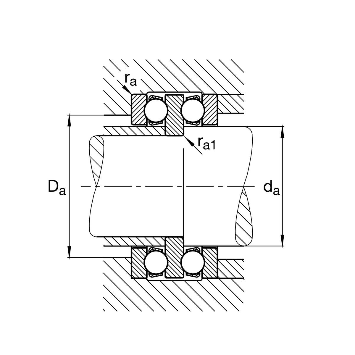
Mounting dimensions
da max
65 mm
Maximum diameter shaft shoulder
Da max
79 mm
Maximum diameter of housing shoulder
ra max
1 mm
Maximum filled radius
ra1 max
0.6 mm
Maximum filled radius

Dimensions
D1
67 mm
Inner diameter housing washer
B
10 mm
Height shaft washer
rmin
1 mm
Minimum chamfer dimension
r1 min
0.6 mm
Minimum chamfer dimension

Temperature range
Tmin
-30 °C
Operating temperature min.
Tmax
150 °C
Operating temperature max.

Calculation factors
A
0.14
Minimum load factor

Your current product variant
CageJPsteel sheet metal
Tolerance classPNNormal (PN)
Add item