PRODUCTS


FAG
52209
Axial deep groove ball bearing 52209
Add item
Main Dimensions & Performance Data
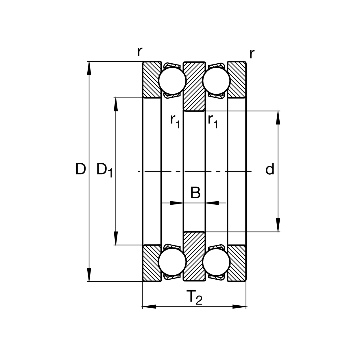
d
35 mm
Inner diameter shaft washer
D
73 mm
Outer diameter housing washer
T2
37 mm
Height
Ca
39,000 N
Basic dynamic load rating, axial
C0a
80,000 N
Basic static load rating, axial
Cua
3,650 N
Fatigue load limit, axial
nG
5,500 1/min
Limiting speed
nϑr
6,500 1/min
Reference speed
≈m
0.57 kg
Weight

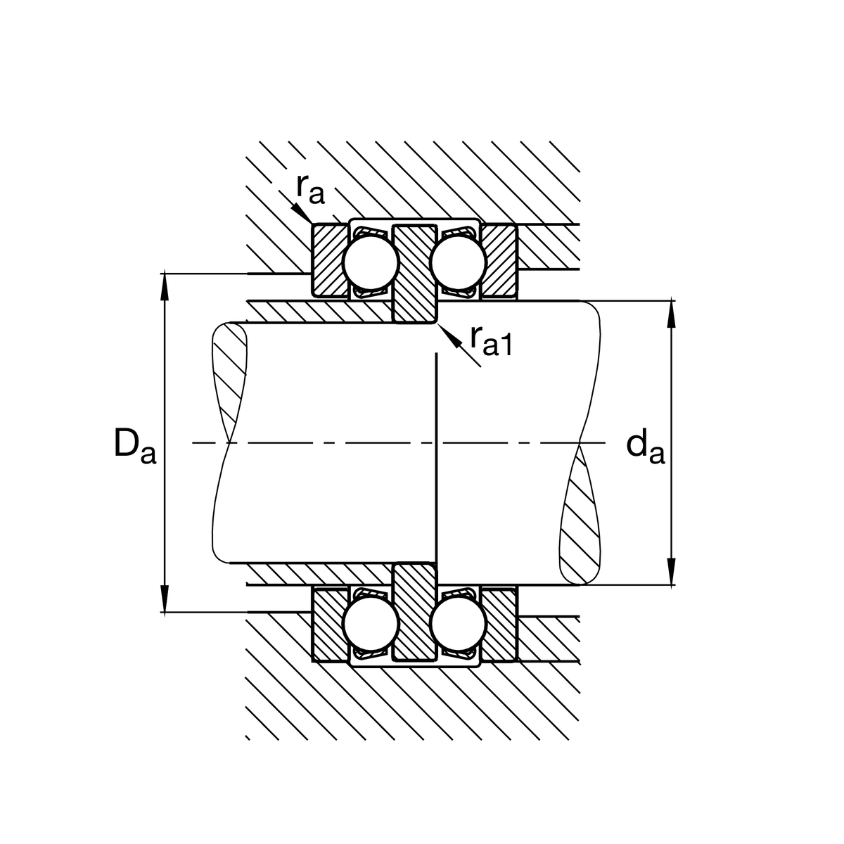
Mounting dimensions
da max
45 mm
Maximum diameter shaft shoulder
Da max
56 mm
Maximum diameter of housing shoulder
ra max
1 mm
Maximum filled radius
ra1 max
0.6 mm
Maximum filled radius

Dimensions
D1
47 mm
Inner diameter housing washer
B
9 mm
Height shaft washer
rmin
1 mm
Minimum chamfer dimension
r1 min
0.6 mm
Minimum chamfer dimension

Temperature range
Tmin
-30 °C
Operating temperature min.
Tmax
150 °C
Operating temperature max.

Calculation factors
A
0.043
Minimum load factor

Your current product variant
CageJPsteel sheet metal
Tolerance classPNNormal (PN)
Add item