PRODUCTS


FAG
51408
Axial deep groove ball bearing 51408
Add item
Main Dimensions & Performance Data
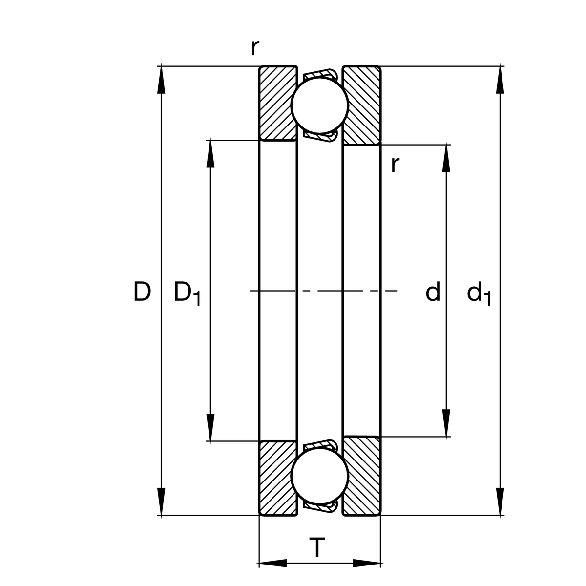
d
40 mm
Inner diameter shaft washer
D
90 mm
Outer diameter housing washer
T
36 mm
Height
Ca
96,000 N
Basic dynamic load rating, axial
C0a
170,000 N
Basic static load rating, axial
Cua
7,700 N
Fatigue load limit, axial
nG
3,250 1/min
Limiting speed
nϑr
7,600 1/min
Reference speed
≈m
1.083 kg
Weight

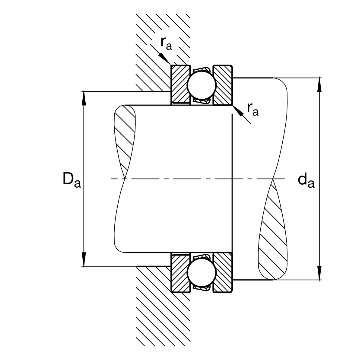
Mounting dimensions
da min
70 mm
Minimum diameter shaft shoulder
Da max
60 mm
Maximum diameter of housing shoulder
ra max
1 mm
Maximum filled radius

Dimensions
rmin
1.1 mm
Minimum chamfer dimension
D1
42 mm
Inner diameter housing washer
d1
90 mm
Outer diameter shaft washer

Temperature range
Tmin
-30 °C
Operating temperature min.
Tmax
150 °C
Operating temperature max.

Calculation factors
A
0.18
Minimum load factor

Your current product variant
CageJPsteel sheet metal
Tolerance classPNNormal (PN)
Add item