PRODUCTS


FAG
51407
Axial deep groove ball bearing 51407
Add item
Main Dimensions & Performance Data
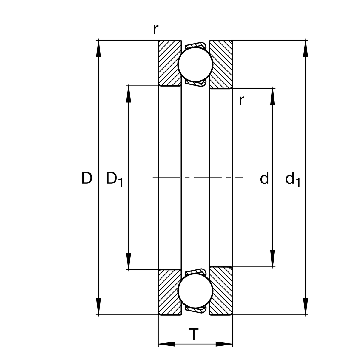
d
35 mm
Inner diameter shaft washer
D
80 mm
Outer diameter housing washer
T
32 mm
Height
Ca
76,000 N
Basic dynamic load rating, axial
C0a
126,000 N
Basic static load rating, axial
Cua
5,700 N
Fatigue load limit, axial
nG
3,600 1/min
Limiting speed
nϑr
8,500 1/min
Reference speed
≈m
0.739 kg
Weight

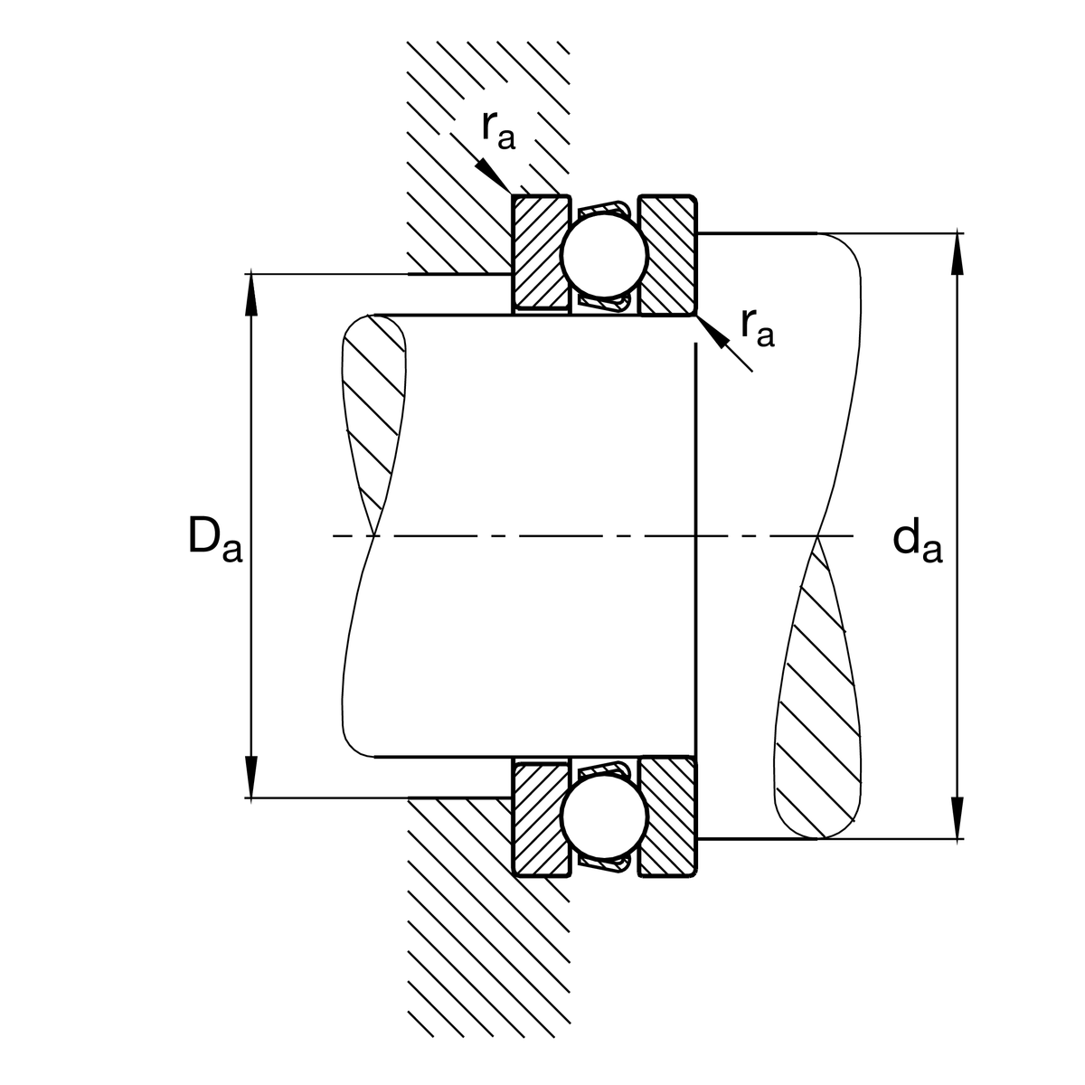
Mounting dimensions
da min
62 mm
Minimum diameter shaft shoulder
Da max
53 mm
Maximum diameter of housing shoulder
ra max
1 mm
Maximum filled radius

Dimensions
rmin
1.1 mm
Minimum chamfer dimension
D1
37 mm
Inner diameter housing washer
d1
80 mm
Outer diameter shaft washer

Temperature range
Tmin
-30 °C
Operating temperature min.
Tmax
150 °C
Operating temperature max.

Calculation factors
A
0.11
Minimum load factor

Your current product variant
CageJPsteel sheet metal
Tolerance classPNNormal (PN)
Add item