PRODUCTS
- Home
- Product Info
| L | 138 mm | Length total |
| B | 40 mm | Width |
| H | 42 mm | Height |
| C | 122,000 N | Basic dynamic load capacity |
| C0 | 209,000 N | Basic static load capacity |
| ≈m | 1.33 kg | Weight |
| L | 126 mm | |
| L1 | 132 mm | |
| L3 | 92.4 mm | |
| L4 | 94 mm | |
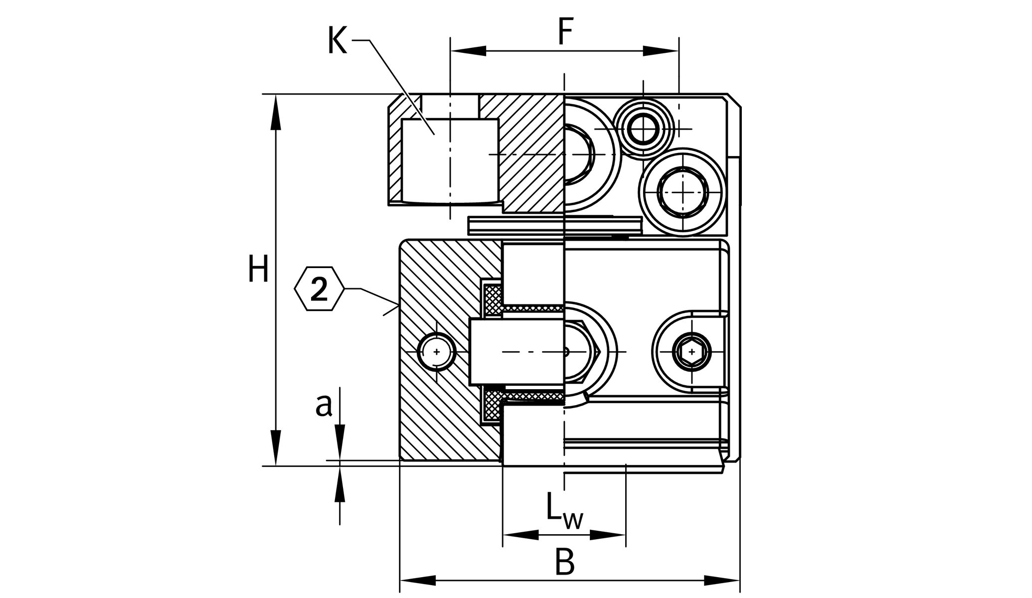
| a | 0.3 mm | |
| LW | 14 mm | |
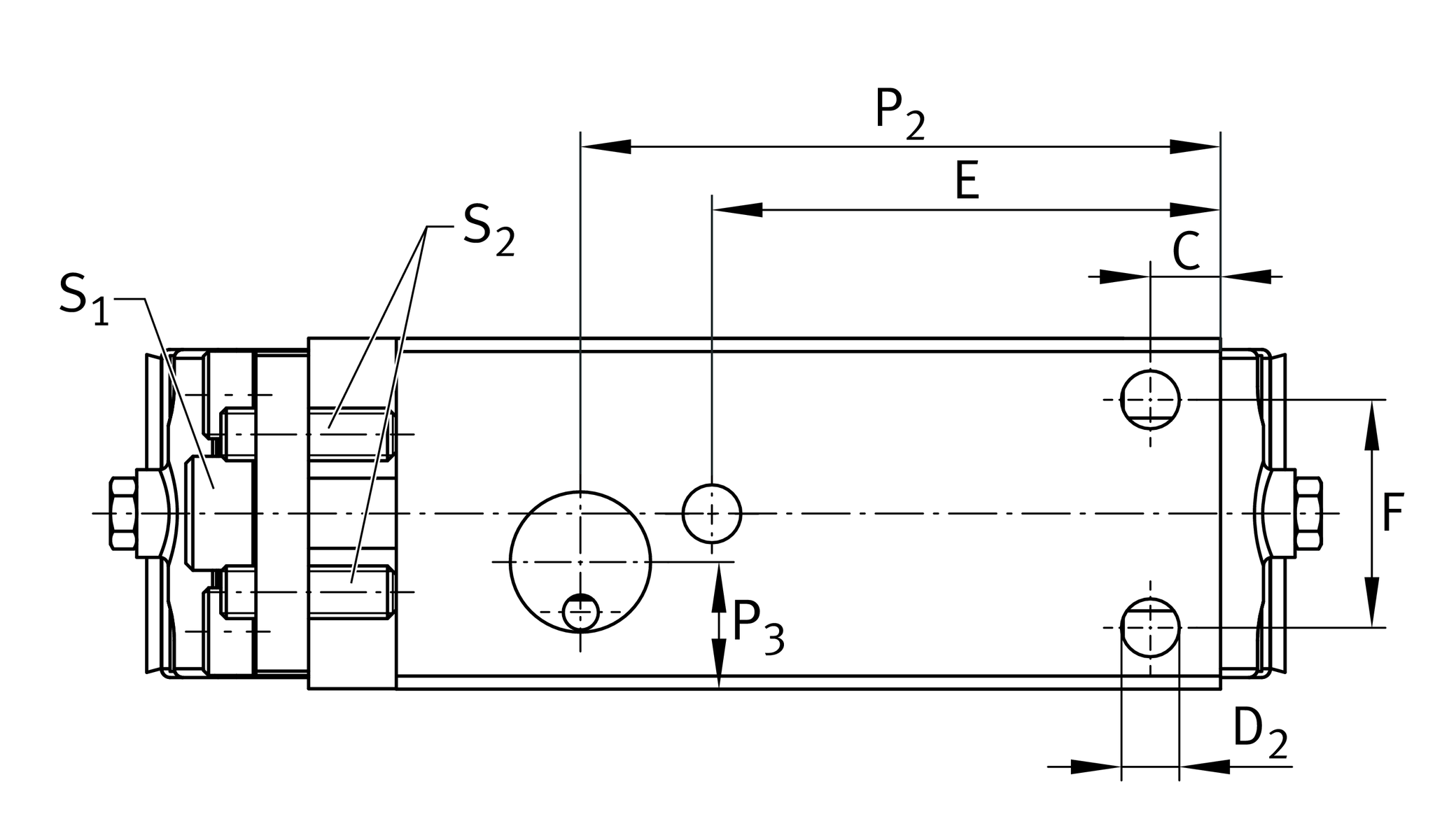
| C | 8 mm | |
| E | 58 mm | Mounting dimension |
| F | 26 mm | |
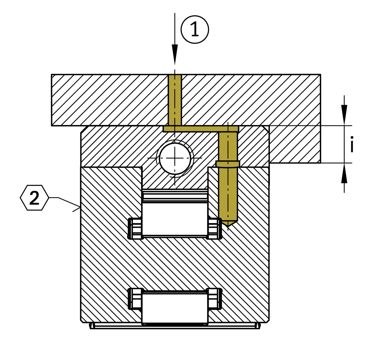
| i | 6 mm | Mounting dimension |
| P1 | 29.5 mm | |
| d1 | 16 mm | |
| P2 | 73 mm | |
| P3 | 14.5 mm | |
| d | 3 mm | |
| K | M6 | Lubrication connector DIN3405-A |
| S1 | 6 mm | Hexagon socket adjusting screw 1 |
| S2 | 3 mm | Hexagon socket counter forcing screw 1 |
| K | M6 | Size thread k DIN |
| K MA | 17 Nm | Tightening torque fixing screws 2 |
| D2 | 6.6 mm | |
| Amax | 10 mm | Screw stroke A |
| Delta hmax | 0.52 mm | Adjustment maximum |
0.05 mm | Adjustment screw revolution |
UG9741, UGN9741-A, UZ9741, UZN9741-A, UFK4710, UFB6412 | suitable Guide Rails |
| Size code | 42126 | |
| Suffix | KS | with end face lubrication connectors |