PRODUCTS
- Home
- Product Info
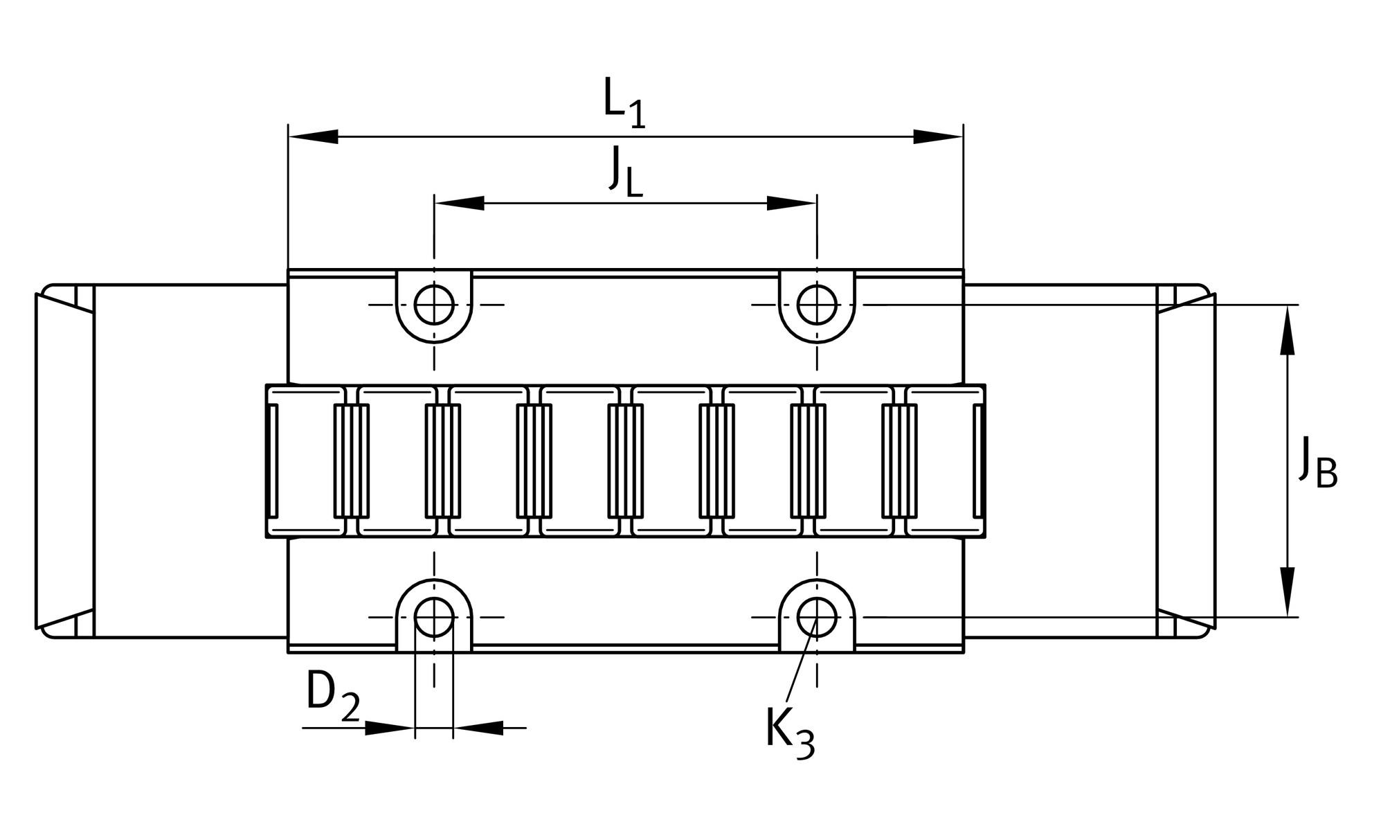
| Ltot | 232 mm | total length |
| L | 211.4 mm | |
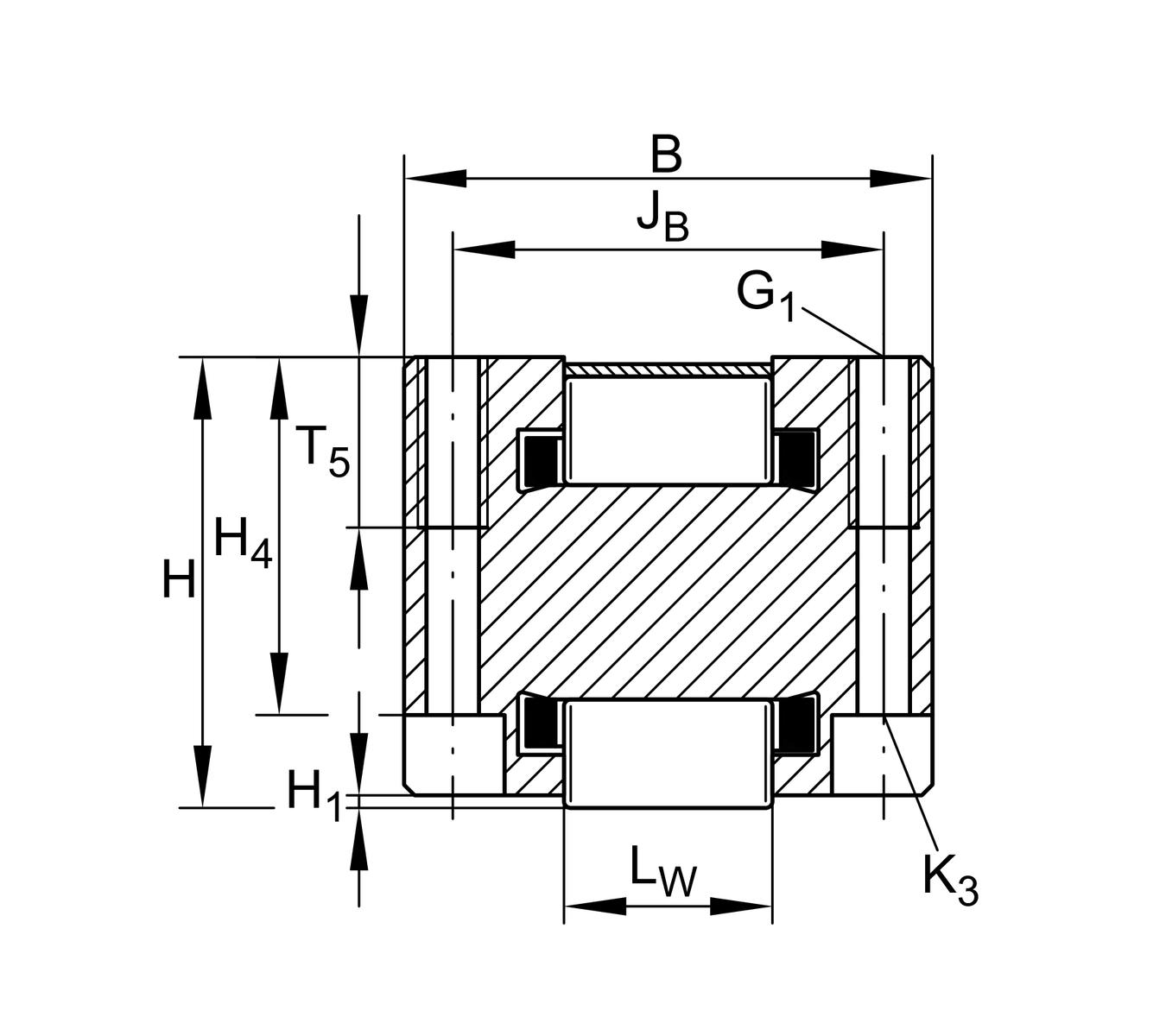
| B | 76 mm | Width |
| H | 65 mm | Height |
| C | 465,000 N | Basic dynamic load rating |
| C0 | 732,000 N | Basic static load rating |
| ≈m | 7.5 kg | Weight |
| L1 | 133.5 mm | Mounting dimension |
| JB | 62 mm | Mounting dimension |
| JL | 76 mm | |
| H1 | 0.5 mm | |
| LW | 30 mm | |
| A3 | 26 mm | |
| H4 | 55.4 mm | |
| T5 | 22.2 mm | |
| G1 | M10 | fixing screws top (DIN ISO 4762-12.9) |
| G1 MA | 83 Nm | Tightening torrque fixing screws |
| K3 | M8 | fixing screws below (DIN ISO 4762-12.9) |
| K3 MA max | 41 Nm | Tightening torque fixing screws 1 |
| D2 | 9 mm | |
| LS | 234 mm | |
| A4 | 34 mm | |
M8x1 | Lubrication connection DIN3405-A | |
6 mm |
VUS65210 | Adjustment gib | |
UG16260, UGN16260-A, UZ16260, UZN16260-A, UFK8815, UFB10615 | suitable Guide rail |
| Size code | 65210 |