PRODUCTS
- Home
- Product Info
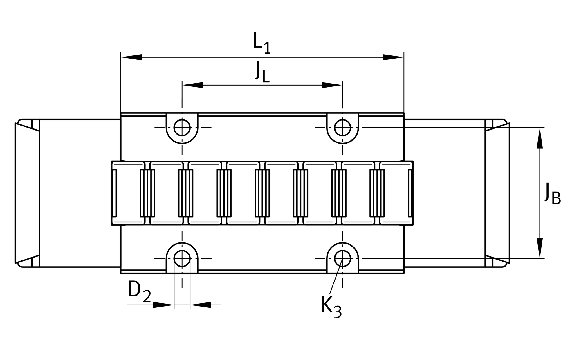
| Ltot | 301 mm | total length |
| L | 280.1 mm | |
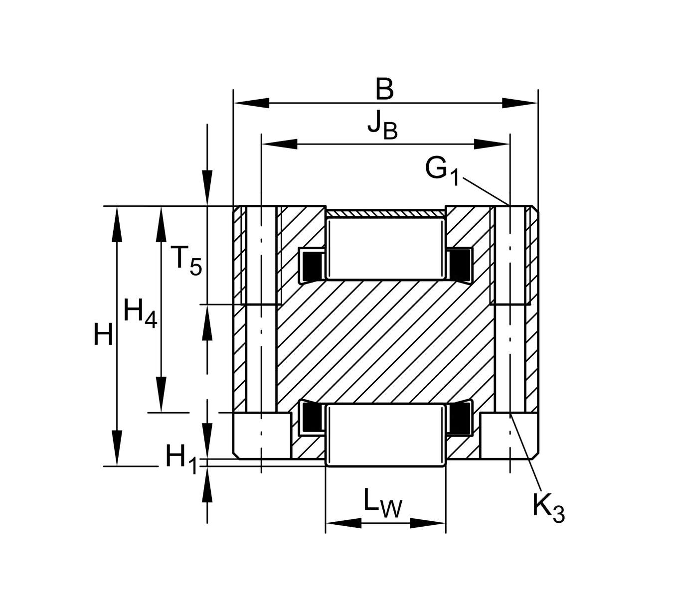
| B | 104 mm | Width |
| H | 85 mm | Height |
| C | 840,000 N | Basic dynamic load rating |
| C0 | 1,324,000 N | Basic static load rating |
| ≈m | 10.17 kg | Weight |
| L1 | 184.6 mm | Mounting dimension |
| JB | 82.5 mm | Mounting dimension |
| JL | 101.5 mm | |
| H1 | 0.5 mm | |
| LW | 40 mm | |
| A3 | 33 mm | |
| H4 | 73.3 mm | |
| T5 | 30.2 mm | |
| G1 | M14 | fixing screws top (DIN ISO 4762-12.9) |
| G1 MA | 229 Nm | Tightening torrque fixing screws |
| K3 | M10 | fixing screws below (DIN ISO 4762-12.9) |
| K3 MA max | 83 Nm | Tightening torque fixing screws 1 |
| D2 | 11.8 mm | |
| LS | 303 mm | |
| A4 | 45 mm | |
M8x1 | Lubrication connection DIN3405-A | |
6 mm |
VUS85280 | Adjustment gib | |
UFK11518, UFB140185 | suitable Guide rail |
| Size code | 85280 |