PRODUCTS
- Home
- Product Info
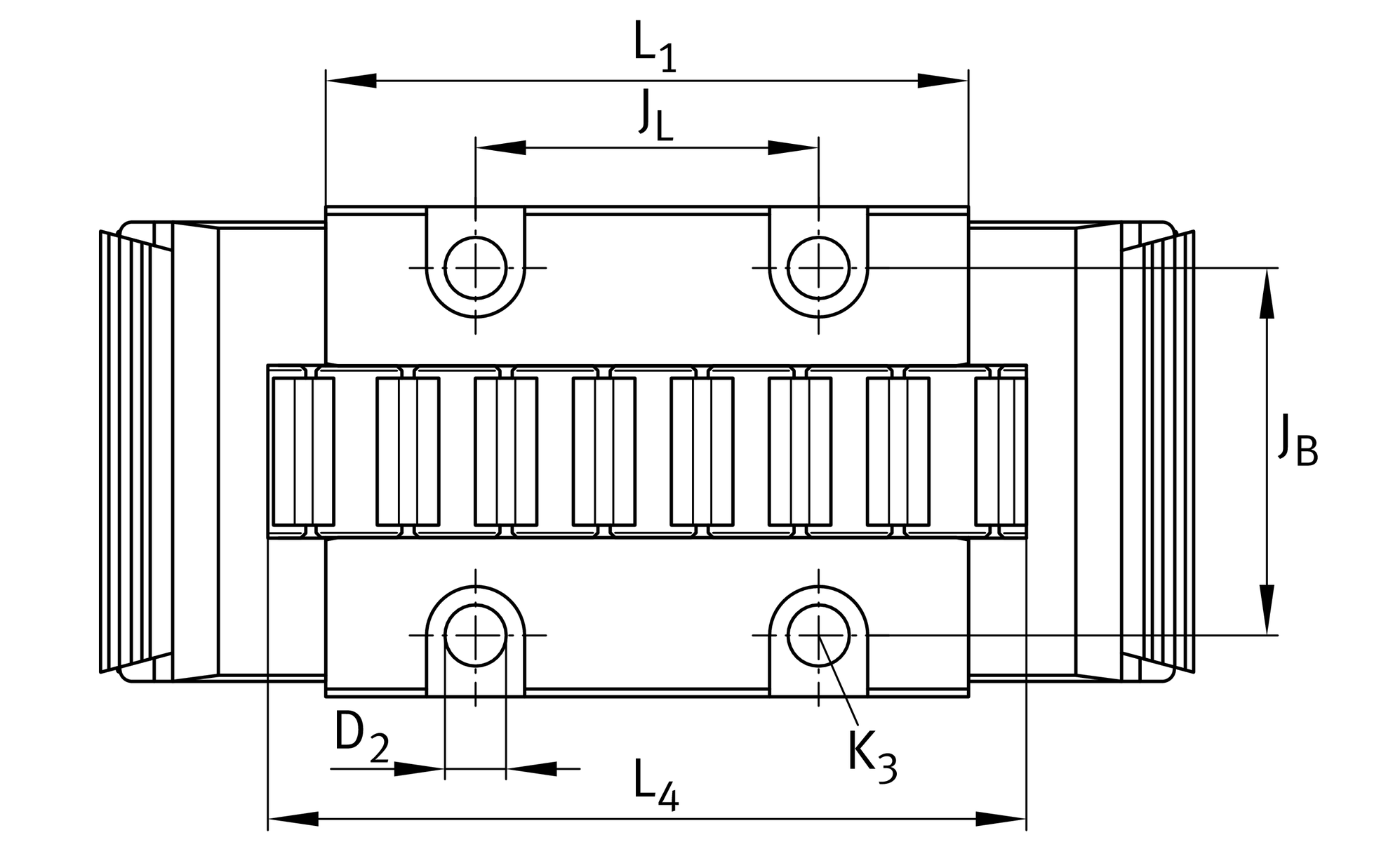
| Ltot | 216.1 mm | total length |
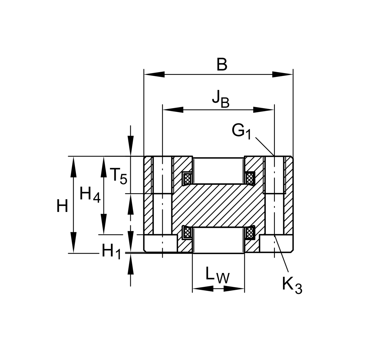
| B | 52 mm | Width |
| H | 38 mm | Height |
| C | 305,000 N | Basic dynamic load rating |
| C0 | 550,000 N | Basic static load rating |
| ≈m | 2.61 kg | Weight |
| L1 | 158.8 mm | Mounting dimension |
| JB | 41 mm | Mounting dimension |
| JL | 102 mm | |
| H1 | 0.2 mm | |
| L4 | 172 mm | minimum support length 1 |
| LW | 20 mm | |
| H4 | 31 mm | |
| T5 | 14.2 mm | |
| G1 | M8 | fixing screws top (DIN ISO 4762-12.9) |
| G1 MA | 41 Nm | Tightening torrque fixing screws |
| K3 | M6 | fixing screws below (DIN ISO 4762-12.9) |
| K3 MA max | 17 Nm | Tightening torque fixing screws 2 |
| D2 | 6.9 mm | |
| LS | 210.1 mm | |
| A4 | 19.3 mm | |
M6 | Lubrication connection DIN3405-A | |
6 mm |
VUS38206-A | Adjustment gib | |
UG12553, UGN12553-A, UZ12553, UZN12553-A, UFK6412, UFB7812 | suitable Guide rail |
| Suffix | KS | with end face lubrication connectors |
| Size code | 38206 |