PRODUCTS


FAG
52208
Axial deep groove ball bearing 52208
Add item
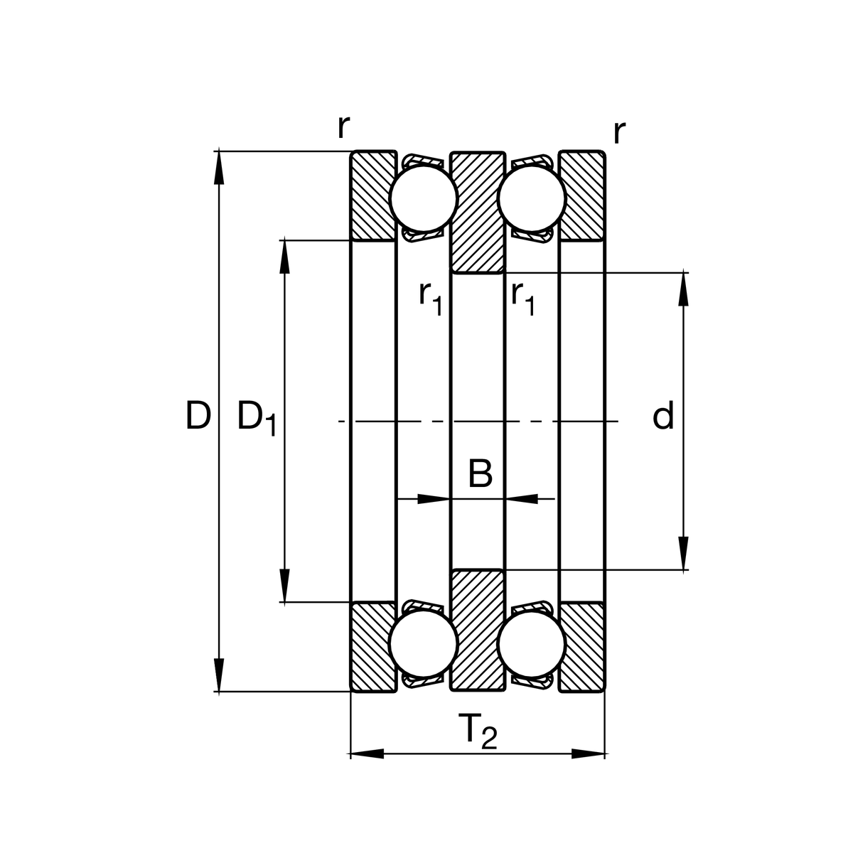
Main Dimensions & Performance Data
d
30 mm
Inner diameter shaft washer
D
68 mm
Outer diameter housing washer
T2
36 mm
Height
Ca
44,000 N
Basic dynamic load rating, axial
C0a
97,000 N
Basic static load rating, axial
Cua
4,400 N
Fatigue load limit, axial
nG
5,500 1/min
Limiting speed
nϑr
6,900 1/min
Reference speed
≈m
0.55 kg
Weight

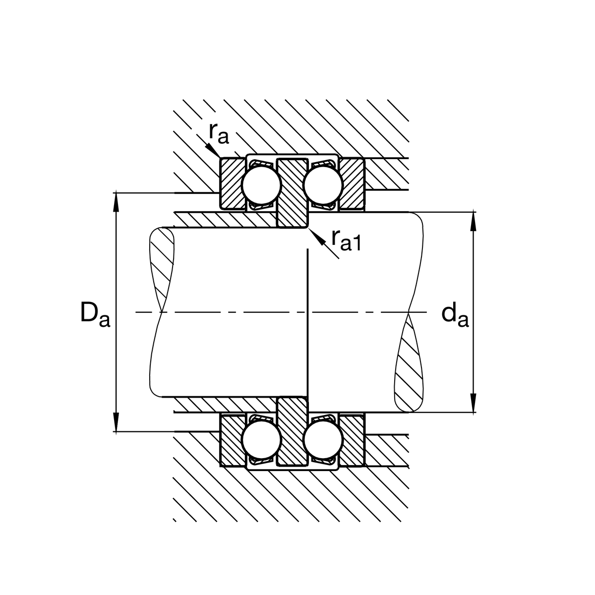
Mounting dimensions
da max
40 mm
Maximum diameter shaft shoulder
Da max
51 mm
Maximum diameter of housing shoulder
ra max
1 mm
Maximum filled radius
ra1 max
0.6 mm
Maximum filled radius

Dimensions
D1
42 mm
Inner diameter housing washer
B
9 mm
Height shaft washer
rmin
1 mm
Minimum chamfer dimension
r1 min
0.6 mm
Minimum chamfer dimension

Temperature range
Tmin
-30 °C
Operating temperature min.
Tmax
150 °C
Operating temperature max.

Calculation factors
A
0.05
Minimum load factor

Your current product variant
CageJPsteel sheet metal
Tolerance classPNNormal (PN)
Add item