PRODUCTS


FAG
51406
Axial deep groove ball bearing 51406
Add item
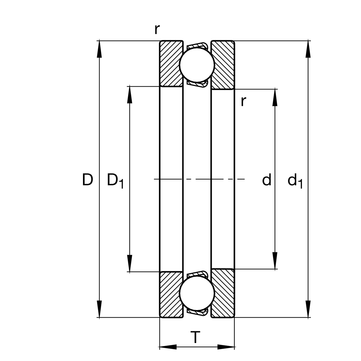
Main Dimensions & Performance Data
d
30 mm
Inner diameter shaft washer
D
70 mm
Outer diameter housing washer
T
28 mm
Height
Ca
70,000 N
Basic dynamic load rating, axial
C0a
112,000 N
Basic static load rating, axial
Cua
5,200 N
Fatigue load limit, axial
nG
3,850 1/min
Limiting speed
nϑr
9,100 1/min
Reference speed
≈m
0.491 kg
Weight

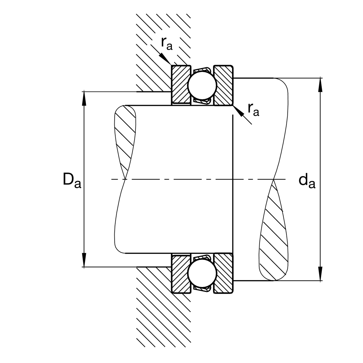
Mounting dimensions
da min
54 mm
Minimum diameter shaft shoulder
Da max
46 mm
Maximum diameter of housing shoulder
ra max
1 mm
Maximum filled radius

Dimensions
rmin
1 mm
Minimum chamfer dimension
D1
32 mm
Inner diameter housing washer
d1
70 mm
Outer diameter shaft washer

Temperature range
Tmin
-30 °C
Operating temperature min.
Tmax
150 °C
Operating temperature max.

Calculation factors
A
0.077
Minimum load factor

Your current product variant
CageJPsteel sheet metal
Tolerance classPNNormal (PN)
Add item