PRODUCTS


FAG
51424-MP
Axial deep groove ball bearing 51424-MP
Add item
Main Dimensions & Performance Data
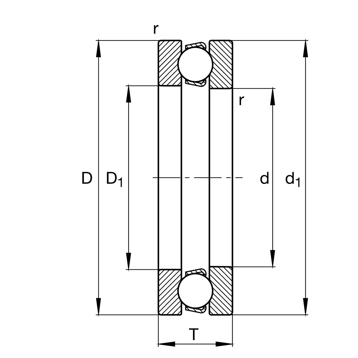
d
120 mm
Inner diameter shaft washer
D
250 mm
Outer diameter housing washer
T
102 mm
Height
Ca
455,000 N
Basic dynamic load rating, axial
C0a
1,340,000 N
Basic static load rating, axial
Cua
45,000 N
Fatigue load limit, axial
nG
1,180 1/min
Limiting speed
nϑr
3,050 1/min
Reference speed
≈m
25.4 kg
Weight

Mounting dimensions
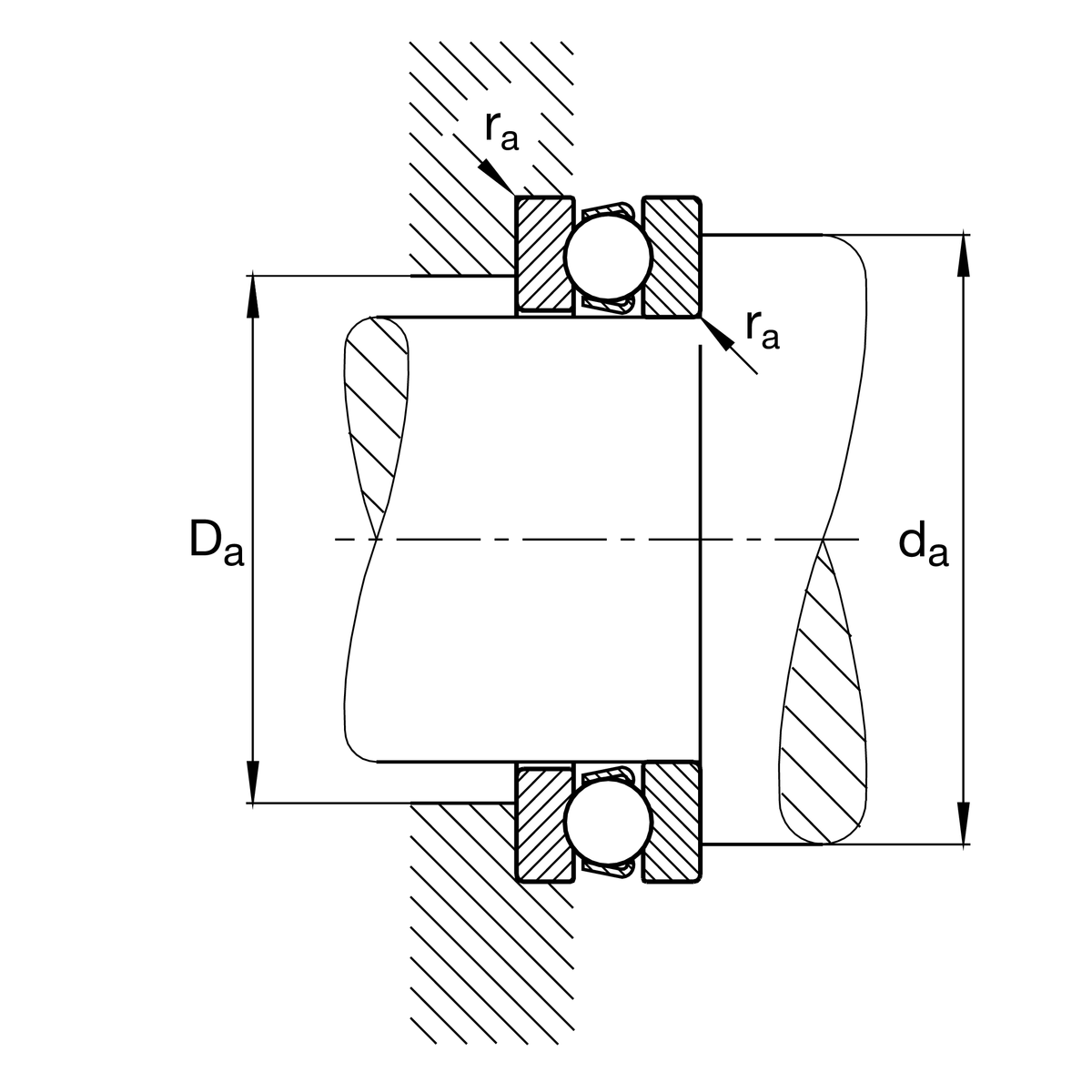
da min
198 mm
Minimum diameter shaft shoulder
Da max
172 mm
Maximum diameter of housing shoulder
ra max
3 mm
Maximum filled radius

Dimensions
rmin
4 mm
Minimum chamfer dimension
D1
123 mm
Inner diameter housing washer
d1
245 mm
Outer diameter shaft washer

Temperature range
Tmin
-30 °C
Operating temperature min.
Tmax
200 °C
Operating temperature max.

Calculation factors
A
10
Minimum load factor

Your current product variant
CageMPsolid brass cage, rolling element guided
Tolerance classPNNormal (PN)
Add item